Revisioner och om detta dokuments utgåva
Gällande och senast publicerad utgåva av detta dokument finns på www.milleteknik.se.
Detta dokuments giltighet kan inte garanteras, då ny utgåva publiceras utan föregående meddelande.
Bruksanvisning på svenska i original.[1].
Bruksanvisning, tekniska data och översättningar av desamma kan innehålla fel. Det är alltid installatörens ansvar att installera produkten på ett säkert sätt.
Symboler
Symbol | Benämning | Förklaring |
|---|---|---|
![]() | Varning | Risk för elektrisk stöt, felaktig installation eller varma ytor. Förekommer i vissa manualer. |
![]() | Notera | Används för kompletterande information som förtydligar texten. |
![]() | Försiktighet / viktigt | Anger risk för skada på utrustning eller driftstörning. Används även för information som är viktig men inte säkerhetsrelaterad. |
![]() | Tips | Visar praktiska råd eller genvägar för installation, drift eller service. |
![]() | CE-märkning | Produkten uppfyller tillämpliga EU-direktiv och harmoniserade standarder. |
![]() | Läs manualen | Läs manual före installation och service. |
![]() | Släng ej i hushållsavfall | Produkten omfattas av WEEE-direktivet och får inte slängas med hushållsavfall, den skall återvinnas och lämnas till återvinningscentral. |
Återvinning | Emballage, produkter och annat material som ej innehåller elektronik skall återvinnas enligt lokala miljöbestämmelser. |
Se installationsfilm
Installation – allmän information
Installation ska utföras av behörig elektriker enligt gällande nationella elinstallationsregler.
Produkten är av skyddsklass I och ska anslutas till jordad 230 V AC-krets.
En huvudbrytare enligt IEC 60947-1 ska finnas i den fasta installationen. Brytaren ska vara lätt åtkomlig och märkt med dess funktion.
Matningskabelns area ska vara minst 1,0 mm² och försedd med säkring T 2,5 A (trög) eller motsvarande.
AC- och lågspänningskablar får inte dras tillsammans. Håll separata kabelrännor eller buntar.
Kontrollera att skyddsjord (PE) är korrekt ansluten innan spänning slås till.
Säkerställ fri luftcirkulation runt kapslingen minst 100 mm, om ej annat anges. Ventilationsöppningar får inte täckas.
Produkten är avsedd för inomhusmontage i normal miljö (föroreningstal 2 och inomhus klass 1).
Dessa generella krav gäller alla Milleteknik-produkter med 230 V-nätanslutning.
Krav på huvudbrytare, säkring samt kabelarea
För att uppfylla gällande elsäkerhetskrav ska installationen förses med en huvudbrytare enligt IEC 60947-1.
Komponent | Krav |
|---|---|
Huvudbrytare | En huvudbrytare enligt IEC 60947-1 ska ingå i installationen och vara lätt åtkomlig. Frånskild fas (F) och neutral (N) |
Säkring | Matningskretsen ska skyddas av säkring eller automatsäkring med märkström enligt produktens specifikation (normalt T 2,5 A trög eller motsvarande). Se enhetens märksskylt. |
Säkringar | Godkänd typ enligt IEC 60127. |
Kabelarea (230 V) | Minst 1,0 mm2 |
Kabellängd | Vid längre kabeldragningar bör spänningsfall beaktas så att driftspänningen inte understiger 230 V ±10 % vid enheten. |
Dragavlastning | Alla kablar ska vara korrekt avlastade och dragavlastningen kontrollerad före spänningssättning. |
Dessa krav gäller samtliga Milleteknik-produkter med 230 V-nätanslutning.
Tabellen nedan visar rekommenderad kabelarea för svagströmsinstallationer vid olika spänningar, strömstyrkor och kabellängder. Värdena är baserade på kopparkabel och ett maximalt spänningsfall på cirka 3 % för att säkerställa driftsäkerhet och minimera effektförluster.
V | Strömstyrka (A) | Kabellängd 10 meter | Kabellängd 30 meter | Kabellängd 60 meter | Kabellängd 100 meter |
|---|---|---|---|---|---|
24 V | 1 A | 0,75 mm2 | 0,75 mm2 | 1,5 mm2 | 1,5 mm2 |
24 V | 3 A | 0,75 mm2 | 0,75 mm2 | 1,5 mm2 | 2,5 mm2 |
24 V | 5 A | 0,75 mm2 | 1,5 mm2 | 2,5 mm2 | 4 mm2 |
24 V | 10 A | 1,5 mm2 | 2,5 mm2 | 6 mm2 | -* |
24 V | 15 A | 1,5 mm2 | 4 mm2 | -* | -* |
24 V | 25 A | 2,5 mm2 | 6 mm2 | -* | -* |
24 V | 40 A | 4,0 mm2 | -* | -* | -* |
* Kabelarea skulle överstiga mått på anslutningsplint varför det inte är möjligt att använda kabel större än 6 mm2 | |||||
Variantöversikt NOVA
Produktnamn | Certifierat namn | Moderkort: PRO1 | Moderkort PRO2: | Moderkort PRO2 v3 | Moderkort: PRO3 |
|---|---|---|---|---|---|
NOVA 12V 10A FLX S | 12V uppfyller kraven men är ej certifierad. | - | - | - | x |
NOVA 12V 10A FLX M | - | - | - | x | |
NOVA 12V 10A FLX L | - | - | - | x | |
NOVA 24V 5A FLX S | NOVA 25 50-FLX-S | X | X | - | X |
NOVA 24V 10A FLX S | NOVA 25 100-FLX-S | X | X | - | X |
NOVA 24V 5A FLX M | NOVA 25 50-FLX-M | X | X | - | X |
NOVA 24V 10A FLX M | NOVA 25 100-FLX-M | X | X | - | X |
NOVA 24V 15A FLX M | NOVA 25 150-FLX-M | X | X | X | - |
NOVA 24V 25A FLX M | NOVA 25 250-FLX-M | X | X | X | - |
NOVA 24V 5A FLX L | NOVA 25 50-FLX-L | X | X | - | X |
NOVA 24V 10A FLX L | NOVA 25 100-FLX-L | X | X | - | X |
NOVA 24V 15A FLX L | NOVA 25 150-FLX-L | X | X | X | - |
NOVA 24V 25A FLX L | NOVA 27 250-FLX-L | X | X | X | - |
Läs detta först!
Elektronik, oavsett kapsling, är avsett för bruk i kontrollerad inomhusmiljö. Nätspänning bör vara bortkopplad under installation.
Det är installatörens ansvar att systemet är lämpat för avsett bruk. Endast personer med behörighet (se Installation – allmän information ) får installera och underhålla systemet.
Alla uppgifter med reservation för ändringar.
Om glasrörssäkringar på certifierade enheter
På kretskortets lastutgångar sitter glasrörssäkringar, dessa har en utlösningstid på ca 150 ms. I det fall en glasrörssäkring löser ut på EN lastutgång faller spänningen på ALLA lastutgångar till 0 V under 150 ms.
Installatören ansvarar för att det finns en energibuffert på minst 150 ms. i system som batteribackupen förser med ström eller acceptera ett strömavbrott på 150 ms.
Komponentöversikt
Komponentöversikt

Bokstav | Förklaring |
|---|---|
A | Konsol, vändbar för montering i vägg eller 19" rack. |
B | Sabotagekontakt. Skall larmklass 3 (SSF) uppfyllas skall kapsling och sabotagekontakt sitta på vägg. |
C | Skåp i pulverlackad plåt. |
D | Plats för fördelningskort. |
E | Nätaggregat - bakom plåt. |
F | Kabelgenomföringar. |
G | Moderkort. |
H | Låsbar dörr. |
I | Plats för batterier. |
Kapsling
Konsol
Medföljande konsoler kan fästas på två sätt: Vid montering på vägg skall konsolerna sitta bakåt, mot vägg. Vid montering i 19” rack skall konsolen sitta i framkant på enheten. Lämna 100 mm fritt vid luftgaller på sidan.
Bokstav | Förklaring |
|---|---|
A | Konsol skjuts in nedifrån och upp. |
B | Gem klickar i när konsol sitter korrekt. |
Viktigt
Skall larmklass 3 (SSF) uppfyllas skall skåp och sabotagekontakt sitta monterade på vägg. Tillval, Cabinet tamper M/L för att sätta sabotagekontakt på vägg finns.
Montering
Använd lämplig skruv för montering på vägg eller i 19" rack. Skruv för montering på vägg eller i rack ingår ej.
Montering - väggmontage
Produkterna ska monteras på stabil vägg eller montageplatta med tillräcklig bärighet för kapslingens vikt inklusive batterier.
Kapslingen monteras lodrätt.
Använd fyra skruvar med diameter 4–5 mm, beroende på underlag.
Rekommenderat avstånd mellan skruvhuvud och vägg bör vara 1,5-2 mm.
För montage på gipsvägg ska väggankare eller expander användas.
Vid montage på betong eller tegel används plugg eller motsvarande infästning.
För god ventilation bör minst 100 mm fritt utrymme finnas ovanför och på sidorna av kapslingen.
Enheten bör monteras på bekväm arbetshöjd, normalt mellan 1,4 och 1,8 m över golv.
Undvik placering i direkt solljus, nära värmekällor eller i miljöer med hög fuktighet eller damm.
För utomhusbruk ska endast kapslingar med angiven IP-klass för utomhusmiljö användas.
Montering ska utföras enligt gällande installationsregler och av behörig installatör.
Batterier - inkoppling
Inkoppling av batterier

Notera att kort (4) skiljer sig mellan olika konfigurationer.
Nr | Förklaring |
|---|---|
1 | Minuspol för batterikabel från 4 (moderkort). |
2 | Hängsäkring. |
3 | Pluspol för batterikabel från 4 (moderkort). |
4 | Moderkort, varierar med konfiguration. |
5 | Batterikablar sitter på moderkortet, varierar med konfiguration. |
6 | Byglad kabel, som skall klippas vid inkoppling av batteribox. |
7 | Anslutning för inkoppling av batteribox. |
PRO3 moderkort
Moderkort - beskrivning

Moderkortet styr enheten och fördelar effekt. Se tekniska data för mer information.
Nr | På kretskort | Förklaring |
|---|---|---|
1 | J24 | Styrning till nätaggregat. Internt bruk. |
2 | J5 | 1=Oprio 2=externt larm. |
3 | D9 | Indikeringsdiod. |
4 | JU1 | För extern LED i dörr. |
5 | J11 | Resetjumper, används vid batteribyte. |
6 | JU6 | Anslutning för reläkort eller kommunikationskort eller för uppdatering av firmware. Endast ett kort eller kontakt åt gången får plats. |
7 | J29 | Anslutning till fläkt. |
8 | J101 | Anslutning till sabotagekontakt. |
9 | J17 | Anslutning sabotagekontakt från batteribox. |
10 | J35 | Används ej. |
11 | J14 | Ingång larm från extern batterisäkring, från batteribox. |
12 & 13 | J10 & J100 | Larm från externt tillvalskort. |
14 | D18, D19 | Lysdioder visar status för kommunikation (RS-485). |
15 | S3 | Dip-switch |
16 | P2:1-4 | Lastutgångar |
17 | P3:1-3 | Anslutning kommunikation, RS-485. |
18 | P1:1-3 | Anslutning till elnät. |
Säkringar
Säkring | Typ | Förklaring |
|---|---|---|
F1 | T2,5A | Elnätssäkring |
F3 | T16A | Lastsäkring 1 - (för P2:2) |
F4 | T16A | Batterisäkring |
F5 | T3A-T10A* | Lastsäkring 1+ (för P2:1) |
F7 | T3A-T10A* | Lastsäkring 2 + (för P2:3) |
*Säkringens storlek beror på batteribackupens strömuttag, (A). | ||
Varning för byte av säkringar (strömstyrka, A)
Skaderisk föreligger om säkring byts till en större än vad enheten levereras med. Säkringens funktion är att skydda ansluten last och dess lastkablage mot skada och brand. Det går inte att byta säkring till en större för att öka strömuttag.
Anslut elnät

För in elnätskablage genom kabelgenomföringar på ovansidan skåpet.
Beteckning | Förklaring |
|---|---|
1 | Vred för nätspänning. |
2 | Personskydd / jordfelsbrytare. |
PE | Jord. |
N | Nolla. |
F | Fas. |
x | Används ej. |
Anslut last
Maxström
Maxström får ej överskridas. Maxström står angiven på märkskylt på enheten.
Lastutgångar vid SSF certifikat
För att certifikat skall upprätthållas får endast en lastutgång användas.
Sitter ett eller flera anslutningskort för att utöka antalet lastutgångar eller skapa lastselektivitet skall last anslutas där och inte på huvudkortet.
På kretskort | Förklaring |
|---|---|
P2:1 | Anslutning för last 1 +. |
P2:2 | Anslutning för last 1 -. |
P2:3 | Anslutning för last 2 + |
P2:4 | Anslutning för last 2 - |
Dip-switch 1-8
Dip-Switch har flera olika läge:
Dip-switch | I nätdrift eller batteridrift |
|---|---|
1 | Adressinställning för extern kommunikation. |
2 | Adressinställning för extern kommunikation |
3 | Adressinställning för extern kommunikation |
4 | Adressinställning för extern kommunikation |
5 | Ställer larm för nätavbrottsfördröjning |
6 | Ställer larm för nätavbrottsfördröjning |
7 | Ställer larmgräns för låg batterispänning i batteridrift. |
8 | Stänger av eller sätter på lysdiodsindikering, för allt utom larm vid utlöst sabotagekontakt som alltid indikeras oavsett läge på dip-switch. |
8 i sekvens | Utför batteritest. |
Adressinställning för extern kommunikation (Dip-switch 1-4)
Dip-Switch S1: 1-4 ställer adressering.
Dip: 1 | Dip: 2 | Dip: 3 | Dip:4 | |
|---|---|---|---|---|
Adress 1 | ON | OFF | OFF | OFF |
Adress 2 | OFF | ON | OFF | OFF |
Adress 3 | ON | ON | OFF | OFF |
Adress 4 | OFF | OFF | ON | OFF |
Adress 5 | ON | OFF | ON | OFF |
Adress 6 | OFF | ON | ON | OFF |
Adress 7 | ON | ON | ON | OFF |
Adress 8 | OFF | OFF | OFF | ON |
Adress 9 | ON | OFF | OFF | ON |
Adress 10 | OFF | ON | OFF | ON |
Adress 11 | ON | ON | OFF | ON |
Adress 12 | OFF | OFF | ON | ON |
Adress 13 | ON | OFF | ON | ON |
Adress 14 | OFF | ON | ON | ON |
Adress 15 | ON | ON | ON | ON |
Nätavbrottsfördröjning (dip 5-6)
Det är möjligt att flytta tiden för när larm för nätavbrott skall ges. Använd matrisen för att ställa larmet.
Larm för nätavbrott ges efter: | Dip 5 | Dip 6 |
|---|---|---|
3 sekunder | OFF | OFF |
30 minuter | ON | OFF |
60 minuter | OFF | ON |
240 minuter (4 timmar) | ON | ON |
Låg batterispänning (dip 7)
Larm för låg batterispänning ges vid | Dip 7 |
|---|---|
22,8 V* | ON |
24 V | OFF |
*25% av batterikapacitet kvarstår. | |
Lysdiod (dip 8)
Lysdiod/batteritest tänds alltid när luckan är öppen.
Dip-switch 8=ON släcker lysdiod.
Dip-switch 8=OFF tänder lysdiod.
Batteritest (dip 8)
För att göra ett batteritest behöver dip 8 byta läge och fem sekunder behöver gå innan test initieras.
Om dip 8 i ursprungsläge står på OFF slå då dip 8 till: ON (vänta 5 sekunder) och slå sedan tillbaka till OFF.
Om dip 8 i ursprungsläge står på ON slå då dip 8 till: OFF (vänta 5 sekunder) och slå sedan tillbaka till ON.
Detta aktiverar batteritest efter 3-8 sekunder. Batteritestet pågår i ca 6 sekunder och då blinkar lysdioden snabbt gult. Larm för åldrat batteri kan indikeras under tiden batteritest utförs.
Ställ tillbaka dip 8 först när testet har slutförts.
Omstart för att bekräfta ändringar i adress, batteri- och larminställningar mot överordnat system
Efter det att dip-switch har ställts för olika parametrar behöver enhetens mjukvara startas om. Detta för att de nya inställningarna skall läsas in och träda i kraft.
Viktigt
Omstart enligt denna procedur bryter ej utspänningen men kan generera larm i överordnat system.
Omstart av enhetens mjukvara görs genom att bygla J11 (PRO3)
Viktigt
Omstart måste göras varje gång en ändring görs i enheten, gäller även ändringar av dip-switchar.
Återställning av data efter batteribyte - PRO3
Efter batteribyte behöver enheten mäta in nya batteriers kapacitet och rensa tidigare inställd batterikapacitet. Larm rensar men statistik behålls i minnet.
Sätt i jumper på J11 och tag bort jumper på J11
Efter att ha gjort steget är batterikapaciteten rensad i kortets minne och är redo att läsa in den nya batterikapaciteten.
Denna procedur behöver göras varje gång batterier byts eller vid anslutning av batteribox.
Notering om test av batterier
Vid uppstart tar det 72 timmar innan systemet utför tester av batterier. Detta för att säkerställa fulladdade batterier samt för insamling av medelvärden/historik under minst 72 timmar. Därefter görs, var fjärde timma, ett kvalificerat cellprov av batterierna.
Notering vid uppstart med kortslutna batterier
Peakström vid uppstart med kortslutna batterier: Upp till 30 Ap-p under 200 ms. Följ alltid uppstartsproceduren.
Kortbeskrivning - Relay Card NOVA Series (PRO3)
Reläkort - beskrivning, anslutningar och larmutgångar.
Alla fellarmsreläer skall vara i draget tillstånd. Kontrollera att slutning finns mellan CO och NC. Sätt mätinstrumentet på kontinuitetsmätning och testa slutning. Denna skall då indikera kortslutning.
Alla reläer är normalt spänningssatta och ger larm vid spänningslöst läge.
![]() |
Nr | Plint nr | Relä är normalt spänningssatt | Larmtyp eller förklaring |
|---|---|---|---|
1.1...1.4 | P4:1 | - | GND, Jord |
P4:2 | - | RX | |
P4:3 | - | TX | |
P4:4 | - | +5V | |
2 | JU5 | - | Anslutning till moderkort. |
3 | D2-D6 | - | Indikeringsdiod, lyser grönt vid OK. |
4 | P5:10-12 | NC, COM, NO | Larm från sabotagebrytare, (tillval för NEO och EN54). |
5 | P5:7-9 | NC, COM, NO | Låg systemspänning. |
6 | P5:4-6 | NC, COM, NO | Larm för säkringsfel, laddarfel överspänning, laddarfel underspänning, ej anslutet batteri, låg batterispänning vid nätavbrott samt åldrat batteri*. *Endast NOVA. |
7 | P5:1-3 | NC, COM, NO | Nätavbrottslarm. |
Flera enheter till ett överordnat system
För att ansluta flera enheter till ett överordnat system skall last-minus mellan flera batteribackuper kopplas samman.
![]() |
Driftsättning - hur enheten skall startas
Koppla in last, larm och ev. andra anslutningar.
Koppla in batterier.
Anslut / slå till säkringar.
Skruva fast elnätskabel i plint och sätt fast plint på moderkort.
Slå till nätspänning.
Driftsättning
För att minimera risken för fel som kan uppstå i samband med kortslutning skall anslutningar till moderkort ske i denna ordning[2].

Nr | Förklaring |
|---|---|
1 | Anslut larm. |
2 | Anslut last. |
3 | Anslut batterier. |
4 | Anslut elnät. |
Viktigt
För inställning av dip-switchar och adressering – se online-manual via QR-kod.
Enheten fungerar normalt då indikeringsdiod på skåpluckans/kretskort utsida lyser med fast grönt sken.
Det kan ta upp till 72 timmar innan batterier är fullt laddade.
Systemtest
Testa inkopplad enhet genom att göra ett systemtest efter Driftsättning - hur enheten skall startas.
Viktigt
Låt batterierna ladda i ett par timmar, använd en multimeter för att mäta spänningen på varje batteri. Spänningen ska vara minst 12,7 V per batteri.
Slå till inkommande nätspänning.
Lysdiod på skåpluckans utsida lyser med fast grönt sken. Bryt nätspänning för att kontrollera att enheten fungerar i batteridrift och larmar.
Lysdiod på skåpluckan indikerar, se panel för larmtyp.
Slå till inkommande nätspänning. Om lysdiod på skåpluckans utsida lyser med fast grönt sken är enheten i normaldrift.
Återställning
Återställ enheten genom att göra enheten helt spänningslös.
Koppla bort batterikablage/batterisäkring samt nätspänning och återanslut efter 5 sekunder.
Larm som visas på skåplucka / indikeringsdiod
I normalläge visar indikeringsdioden ett fast grönt sken.
![]() |
Indikeringsdioden visar | Förklaring |
|---|---|
Fast grönt sken | Normaldrift. |
Långsamma gröna blink | Sabotagelarm. |
Snabba gröna blink | Nätavbrottslarm. |
Fast gult sken | Låg batterispänning. |
Långsamma gula blink | Åldrade batterier. |
Snabba gula blink | Bortkopplade batterier eller batterikortslutning. |
Fast rött sken | Överspänning eller underspänning eller laddarfel. |
Långsamma röda blink | Låg systemspänning. |
Snabba röda blink | Lastsäkring har löst ut eller batterisäkring har löst ut. |
Svart / släckt | Djupurladdningsskydd är aktiverat. (Enheten har stängt av.) |
Vid driftsatt system: Är indikeringsdioden släckt har djupurladdningsskydd trätt i kraft eller vid nätbortfall där batterier har kört tomt.
Obs!
Om indikeringsdioden blinkar till var 15:e sekund är batteriet fulladdat och laddningen är i vilofas för att förlänga batteriets livslängd. Vid nätavbrott under vilofasen övergår batteribackupen till batteridrift som vanligt.
Justering av sabotagekontakt
![]() |
Sabotagekontaktens hävarm skall vid stängd skåpdörr vara i slutet läge (stängd). Går larm (”tamper alarm” / larm till undercentral) kan hävarmen behöva justeras.
Hävarmen justeras genom följande steg:
Nyp åt med en plattång mitt på hävarmen.
Justera hävarmen försiktigt åt önskat håll (upp/ner).
Kontrollera genom att stänga dörren. Ett klick hörs när kontakten sluts.
Obs!
Sabotagekontakten skall inte larma vid stängd och låst dörr.
Underhåll
Systemet, med undantag för fläkt och batterier, är underhållsfritt vid installation i inomhusmiljö.
Kontrollera fläkten årligen. Fläkten skall rotera problemfritt utan missljud. Rengör fläkten ifrån damm och smuts. Fläkten skall bytas om den inte roterar problemfritt eller är så smutsig att den inte kan rengöras helt. Om fläkten inte fungera bra kommer luftflödet i enheten att hindras vilket leder till att värmen ökar i kapslingen, vilket kan leda till att batterikapaciteten försämras och att bytesintervall på batterier avsevärt förkortas.
Batterier
Batterier alstrar elektricitet genom en kemisk process och det sker därmed en naturlig degradering av kapacitet. Den största faktorn för batteriers livslängd är temperatur. Ju högre temperatur desto kortare livslängd på batterier. Tillverkningsdatum som är präglat på batteriet och livslängden (som batteritillverkaren anger). En ideal temperatur är 20 °C både i drift och i förvaring. Högre omgivningstemperatur försämrar kraftigt livslängden. Således varierar faktisk livslängd när det används. Batterier bör bytas efter halva angiven (från batteritillverkaren) livslängd för säker drift. Batterier inköpta via batteribackupens tillverkare har en livslängd (från batteritillverkaren) på mellan 10-12 år med rekommenderat byte efter 5-6 år.

Batteribyte
Bryt, om möjligt, nätspänning vid batteribyte.
Koppla bort batterikablar. Notera hur batterikablar är monterade innan de avlägsnas.
Tag bort batterisäkring mellan batterier.
Sätt in och spänn fast de nya batterierna.
Anslut batterikablarna på samma sätt som tidigare.
Sätt fast batterisäkring mellan batterier.
Slå till nätspänning. Eventuellt kan indikeringsdioden lysa för låg batterispänning / nätbortfall tills batterier är laddade. Det kan ta upp till 72 timmar innan batterierna är fulladdade.
Mät batterispänning. Testa systemet genom att kortvarigt koppla bort nätspänning, (= lasten skall drivas vidare av batterierna), och därefter slå till nätspänningen igen.
Batteriåtervinning
Alla batterier skall återvinnas. Återlämna till tillverkare eller lämna till återvinningsstation.

Säkerhetsinformation – service och felsökning
Bryt om möjligt nätspänningen innan något arbete påbörjas, till exempel service, batteribyte, mätning eller felsökning.
Ta ur batterisäkring/kontakt innan du arbetar på DC-sidan.
Kontrollera att alla kablar är korrekt anslutna och jordade innan enheten åter spänningssätts.
Produkten kan innehålla komponenter som blir varma vid drift. Undvik att röra interna delar direkt efter att strömmen brutits.
Om säkringar löser ut upprepade gånger se Felsökning eller koppla bort enheten och kontakta Milletekniks tekniska support.
Vid misstanke om skada, vvätskepåverkan eller lukt av bränt, får produkten inte användas förrän den kontrollerats av behörig personal.
Under drift ska kapslingen vara stängd och låst (om enheten har lås).
Endast auktoriserad servicepersonal får utföra reparationer på enheten.
Använd endast originalsäkringar och batterier av samma typ och värde som anges i manual/produktblad.
Milleteknik ansvarar inte för skador orsakade av felaktig hantering, modifiering eller icke godkända komponenter.
Felsökning
Om enheten inte fungerar som förväntat, gå igenom följande kontroller:
Problem | Möjlig orsak | Åtgärd |
|---|---|---|
Ingen spänning ut. | Ingen nätspänning, säkring utlöst eller fel på batterier. | Kontrollera matning, säkringar och batterianslutningar. |
Batteri laddas inte. | Felaktig batterianslutning eller batterisäkring har löst ut. | Kontrollera batterikablar och byt batterisäkring vid behov. |
Enheten startar men ger larm. | Batterier ej tillräckligt laddade eller fel på last eller batteri. | Vänta 72 timmar tills batterier är fullt laddade. Kontrollera att lasten inte överskrider märkström. |
Lysdiod blinkar. | Information, varning eller fel. | Se panel eller manual för förklaring. |
Säkringar löser ut ofta. | Kortslutning eller överbelastning. | Kontrollera anslutna enheter, byt säkring endast efter att orsaken åtgärdats. |
Enheten blir varm | Hög belastning eller otillräcklig ventilation | Kontrollera att märkström inte överskrids och att luftflöde finns runt kapslingen. |
Om problemet kvarstår efter dessa kontroller, kontakta Milletekniks support och ange produktbeteckning, serienummer och en kort felbeskrivning.
NOVA produktblad
SSF 1014 certifierad batteribackup med kommunikation
![]() |
NOVA FLX M monteras på vägg eller i 19" rack.
Tekniska specifikationer
Dessa tekniska specifikationer kan ändras utan föregående meddelande.
Namn, artikelnummer och e-nummer
Namn | Artikelnummer | E-nummer |
|---|---|---|
NOVA 24V 10A FLX M | FM01P30024P100-SSF | 52 135 66 |
NOVA 24V 5A FLX M | FM01P30024P050-SSF | 52 135 65 |
Om NOVA FLX
NOVA FLX används huvudsakligen i säkerhetssystem där SSF 1014 godkänd batteribackup krävs eller där kraven är högre. Krav som bättre flexibilitet, fler larmfunktioner, längre reservdrifttider eller där batteribackupen behöver hantera högre laster.
NOVA-serien är systemcertifierad enligt SSF1014 tillsammans med flertalet system på den svenska marknaden. Milleteknik har försäljningsrätten på två olika system på den svenska marknaden; Sentrion NOVA Serien har kommunikation via RS485 till Sentrion S4, S4 DUO och CISS. Integra. Tillsammans med MOVEO kit (tillval) finns RS232 kommunikation med Integra MOVEO och MOVEO XL.
Flexibilitet
NOVA FLX S kan ha en extra batteribox. NOVA FLX M och NOVA FLX L med 1-4 extra batteriboxar*. NOVA FLX M och NOVA FLX L med batterihyllor i 19” rack*. *Batteriboxarna och hyllorna ansluts via en 9-polig kontakt. Batteriboxen har plats för upp till 2 st. 45 Ah batterier per batteribox. Batterihyllor har plats för 2 st. 45 Ah batterier (Medium) och upp till 2 st. 150 Ah batterier (Large) per varje batterihylla.
Fast installation
Produkten är avsedd för fast installation. Installation skall utföras av behörig installatör.
Användningsområde
NOVA FLX används mest till: Passersystem, inbrottslarm, (integrerade säkerhetssystem), i offentlig miljö som skolor, kontor och kommersiella fastigheter.
Se installationsfilm
Regelverk och certifieringar
Standarder som produkt(er) uppfyller och är godkänd för
SBF 110:8 |
SSF1014 Larmklass 1-4 (inbrottslam). |
SSF1014, utgåva 6. |
Certifikatsnummer, SBSC | Benämning SBSC |
|---|---|
Nr 18-246 | NOVA 27 250-FLX, NOVA 27 150-FLX, NOVA 27 100-FLX, NOVA 27 50-FLX, NOVA 13 100-FLX, NOVA 27 100-XS2, NOVA 27 50-XS2, NOVA 27 30-XS2, NOVA 13 100-XS2, NOVA 13 50-XS2 |
Nr 20-117 | NOVA 27 50-FLX S • NOVA 27 100-FLX S • NOVA 27 50-FLX M • NOVA 27 100-FLX M • NOVA 27 150-FLX M • NOVA 27 250-FLX M • NOVA 27 50-FLX L • NOVA 27 100-FLX L • NOVA 27 150-FLX L • NOVA 27 250-FLX L Unison Facility Cabinet |
Certifikatsnummer, RiSE |
|---|
SC0204-19 |
Krav som produkten uppfyller
EMC: | EMC Direktivet 2014/30EU |
CE: | CE direktivet enligt:765/2008 |
Emissioner: | EN61000-6-:2001 EN55022:1998:-A1:2000, A2:2003 Klass B, EN61000-3-2:2001, EN 55032 (ersätter EN 55022) |
Maskindirektivet | Produkten ingår i elektriska system, omfattas av relevanta el- och säkerhetsdirektiv och är inte en maskin enligt Maskindirektivet (2006/42/EG). |
Ekodesign | Milletekniks produkter är avsedda för professionell användning och omfattas därför inte direkt av ekodesignförordningen (EU 2019/1782). Eftersom vissa komponenter kan omfattas redovisar vi ändå relevant information för att ge våra kunder trygghet i sitt val. |


Laddström, batterikapacitet, strömuttag och reservdrifttider vid larmklasser
Laddström för batterier och batterikapacitet
Enheten läser av ansluten systemlast och laddar batterierna med tillgänglig kvarvarande ström ifrån nätaggregatet. Enheten gör kvalificerade[3] batteritest och meddelar när batterier behöver bytas ut. Batterierna laddas skonsamt för att förlänga dess livslängd och skydd finns mot överladdning.
12 V / 24 V | Max laddström för batterier |
|---|---|
NOVA FLX M | 6 A |
Batteribackupen har kontrollerad laddning[4] (controlled charging) som förhindrar att batterier överladdas och förlänger deras livslängd betydligt. Batterityp skall vara av typen AMG och av märket UPLUS för att certifierngar skall upprätthållas.
24 V | Batterikapacitet | Max batterikapacitet med 1 batteribox | Max batterikapacitet med 2 batteriboxar | Max batterikapacitet med 3 batteriboxar | Max batterikapacitet med 4 batteriboxar |
|---|---|---|---|---|---|
NOVA FLX M, 24 V | 20 Ah (2 x 20 Ah | 65 Ah (4 x 20 Ah) | 110 Ah (2 x 20 Ah + 2 x 45 Ah) | 155 Ah (6 x 20 Ah + 2 x 45 Ah) | 200 Ah (2 x 20 Ah + 8 x 45 Ah) |
Strömuttag
NOVA 24V 5A FLX M | Enhet utan batteribox | Enhet med 1 batteribox | Enhet med 2 batteriboxar | Enhet med 3 batteriboxar | Enhet med 4 batteriboxar |
|---|---|---|---|---|---|
Batteri | 2 st. 20 Ah | 2 st 45 Ah / 2 st 20 Ah + 2 st 45 Ah | 4 st 45 Ah / 2 st 20 Ah + 4 st 45 Ah | 6 st 45 Ah / 2 st 20 Ah + 6 st 45 Ah | 8 st 45 Ah / 2 st 20 Ah + 8 st 45 Ah |
Max batterikapacitet | 20 Ah | 45 Ah / 65 Ah | 90 Ah / 110 Ah | 135 Ah / 155 Ah | 180 Ah / 200 Ah |
Enl. SSF1014, Larmklass 1-2 | 1,6 A | 3,7 A / 5,0 A | - | - | - |
Enl. SSF1014, Larmklass 3-4 | 0,65 A | 1,5 A / 2,1 A | 3,0 A / 3,6 A | 4,5 A / 5,0 A | - |
Imax A (max urladdningsström i nätdrift) | 5 A | 5 A | 5 A | 5 A | 5 A |
Imax b (max urladdning i batteridrift) | 5 A | 5 A | 5 A | 5 A | 5 A |
Imin är alltid 0 A. | |||||
NOVA 24V 10A FLX M | Enhet utan batteribox | Enhet med 1 batteribox | Enhet med 2 batteriboxar | Enhet med 3 batteriboxar | Enhet med 4 batteriboxar |
|---|---|---|---|---|---|
Batteri | 2 st 20 Ah | 2 st 45 Ah / 2 st 20 Ah + 2 st 45 Ah | 4 st 45 Ah / 2 st 20 Ah + 4 st 45 Ah | 6 st 45 Ah / 2 st 20 Ah + 6 st 45 Ah | 8 st 45 Ah / 2 st 20 Ah + 8 st 45 Ah |
Max batterikapacitet | 20 Ah | 45 Ah / 65 Ah | 90 Ah / 110 Ah | 135 Ah / 155 Ah | 180 Ah / 200 Ah |
Enl. SSF1014, Larmklass 1-2 | 1,6 A | 3,7 A / 5,3 A | 7,4 A / 9,1 A | - | - |
Enl. SSF1014, Larmklass 3-4 | 0,65 A | 1,5 A / 2,1 A | 3,0 A / 3,6 A | 4,5 A / 5,1 A | 6,0 A / 6,6 A |
Imax A (max urladdningsström i nätdrift) | 10 A | 10 A | 10 A | 10 A | 10 A |
Imax b (max urladdning i batteridrift) | 10 A | 10 A | 10 A | 10 A | 10 A |
Imin är alltid 0 A. | |||||
Tillåten medellast enligt SSF1014 Larmklass 1-4:
Tillåten medellast enligt SSF1014 Larmklass 1-4: | NOVA 24V 5A FLX M | NOVA 24V 10A FLX M | NOVA 24V 25A FLX M | NOVA 24V 25A FLX L |
|---|---|---|---|---|
FLX M utan batteribox enligt Larmklass 1-2 / 3-4 | 1,6 A / 0,55 A | 1,6 A / 0,55 A | 1,6 A / 0,55 A | 1,6 A / 0,55 A |
Inklusive 1 st. Batteribox FLX M, enligt Larmklass 1-2 / 3-4: | 3,7 A / 1,5 A | 3,7 A / 1,5 A | 3,6 A / 1,4 A | 3,6 A / 1,4 A |
Inklusive 2 st. Batteribox FLX M, enligt Larmklass 1-2 / 3-4: | - | 7,4 A / 3A | 7,3 A / 2,9 A | 7,3 A / 2,9 A |
Inklusive 3 st. Batteribox FLX M, enligt Larmklass 1-2 / 3-4: | - | - | 11,1 A / 4,4 A | 11,1 A / 4,4 A |
Inklusive 4 st. Batteribox FLX M, enligt Larmklass 1-2 / 3-4: | - | - | - | 14,8 A / 5,9 A |
Reservdrifttider vid olika larmklasser - översikt
Larmklass | Reservdrifttid vid strömavbrott | Max antal timmars återuppladdning av batterier (80%) |
|---|---|---|
EN54-4 | - | 24 h |
SBF110:8 | 30 h + 10 min | 24 h |
EN50131-6 grade 1-2 | 12 h | 72 h |
EN50131-6 grade 3 | 24 h | 24 h |
SSF1014 Larmklass 1/2 | 12 h | 72 h |
SSF1014 Larmklass 3/4 | 30 h ( i tätort) / 60 h (ej tätort) | 24 h |
Tabellen visar kraven reservdrifttid och återuppladdning av batterier för olika larmklasser.
Kretskort - Tekniska data
Tekniska data, moderkort: PRO 3
Info | Förklaring |
|---|---|
Kortnamn: | PRO 3. |
Produktbeskrivning | Huvudkort i batteribackup med avancerade funktioner och kommunikation mot överordnande system. |
Egenförbrukning, med reläkort | Mindre än 120 mA. Alla reläer på externt larmkort dragna i normalläge. |
Omkopplingstid från nätspänning till batteridrift | När batterier är i vilocykel: <5 mikrosekunder. När batterier är i laddningscykel: 0 (ingen). Batterier vilar i 20 dygns cykler varefter en laddningscykel tar vid och laddar batterierna i 72 h. Sker nätavbrott när batterier är i vilocykel kopplas batterier in på <5 mikrosekunder. Sker nätavbrott när batterier är i laddningscykel existerar ingen omkopplingstid. |
Inkommande elnät | 230 V AC -240 V AC, 47-63 Hz. |
Säkring på elnät | Se tabell: Säkringar. |
Indikering | Lysdiod på kretskort/skåpslucka. |
Larm
Larm som visas på indikeringsdiod på skåpets framsida.
Cellfel i batteri eller ej anslutet batteri.
Laddarfel, underspänning.
Laddarfel, överspänning.
Låg systemspänning, systemspänning under 24,0 V i nätdrift.
Låg batterispänning, under 24,0 V DC vid nätavbrott.
Nätavbrottslarm.
Sabotagebrytare.
Säkringsfel.
Åldrat batteri
Utökande larmfunktioner går att få över kommunikation eller med larmkort.
Säkringar | Typ |
|---|---|
5 A | T5A |
10 A | T10A |
Elnätssäkring på 24 V enheter upp till 15 A | T2,5AH250V. Keramisk. |
Info | Förklaring |
|---|---|
Djupurladdningsskydd | Ja. 24 V enheter skydd vid 20, +/- 0,5 V. |
Överspänningsskydd | Ja |
Övertemperatursskydd | Ja |
Kortslutningskyddad | Ja |
Tekniska data, Relay Card NOVA Series (PRO3/NEO3)
Info | Förklaring |
|---|---|
Kortnamn: | PRO3 larmkort |
Version: | 1.2 |
Produktbeskrivning | Larmkort för PRO3 eller NEO 3 med larm på växlande relä. Alla reläer är normalt spänningssatta och ger larm vid spänningslöst läge. |
Rekommenderad miljö | Inomhus, klass 1. Omgivningstemperatur: +5°C – 40°C. |
Skyddsklass | IPX0 |
Rekommenderad montering | NOVA Serien (endast 5 A och 10 A) |
Ingångsspänning | 13,6 VDC, 27,3 VDC |
Egenförbrukning | 40 mA |
Larm via | Växlande relä |
Antal larmutgångar | 4 st. |
Certifierad enligt | EN 50131-6, SBF 110:8, SSF1014, Uppfyller larmklass 4, SSF 1014, utgåva 5 |
Certifikatsnummer (SBSC) | 20-117 |
Produkten möter kraven enligt | CE direktivet enligt: 765/2008, EMC Direktiv 2014/30EU, Emission: EN61000-6-:2001, EN55022:1998:-A1:2000, A2:2003 Klass B, EN61000-3-2:2001, Immunity: EN61000-6-2:2005, EN61000-4-2, -3, 4, -5, -6, -11. SS-EN 50 130-4:2011 Edition 2 & SSF1014 Larmklass 1-4 (Inbrottslarm). |
Producent | Milleteknik AB |
Ursprungsland | Sverige |
Larmöversikt i bokstavsordning | Relä 1* / Larmutgång 1 | Relä 2* / Larmutgång 2 | Relä 3* / Larmutgång 3 | Relä 4* / Larmutgång 4 | RS-232 kommunikation (P5:1-9) - Gäller endast enheter med systemstöd, (Bravida). | Indikeringsdiod på huvudkort och LED på dörr. |
|---|---|---|---|---|---|---|
Nätavbrott | X | - | - | - | X | X |
Säkringsfel | - | X | - | - | X | X |
Sabotagebrytare | - | - | - | X | X | X |
Fläktfel | - | - | - | - | X | - |
Laddarfel, överspänning | - | X | - | - | X | X |
Laddarfel, underspänning | - | X | - | - | X | X |
Cellfel eller ej anslutet batteri | - | X | - | - | X | X |
Låg systemspänning, (systemspänning under 24,0 V i nätdrift). | - | - | X | - | X | X |
Låg batterispänning (<24,0 V DC) eller nätavbrott | - | X | - | - | X | X |
Övertemperatur | - | - | - | - | X | - |
Undertemperatur | - | - | - | - | X | - |
Undertemperatur | - | - | - | - | X | - |
Kort batteritid kvar | - | - | - | - | X | - |
Åldrat batteri** | - | X** | - | - | X** | X** |
Överström 100 %, minutmedelvärde | - | - | - | - | X | - |
Överström 80 %, dygnsmedelvärde | - | - | - | - | X | - |
Överström 175 %, sekundmedelvärde | - | - | - | - | X | - |
*Larm på potentialfri reläkontakt. *** Ej på NEO-batteribackuper. | ||||||
RS-485 på P4:1-4 | Förklaring |
|---|---|
P4:1 | GND, jord |
P4:2 | RX |
P4:3 | TX |
P4:4 | +5V |
Nätaggregat
Nätaggregat - Tekniska Data LRS-150-24
Sitter i: |
|---|
NOVA 24V 5A FLX M |
Info | Förklaring |
|---|---|
Utspänning | 27,3 V |
Utström: | 0 A - 6,5 A |
Utspänning, ripple | 200 mVp-p |
Överspänning | 28,8 V - 33,6 V |
Utspänning återuppladdning, ripple/strömbegränsning | Mindre än 0,6 Vp-p |
Verkningsgrad | 89 % |
Strömbegränsning | 110 % - 140 % |
Konstantspänning | +/- 0,5 % |
Reglernoggrannhet | + / - 1,0 % |
Ingångsström (230 V) | 1,7 A |
Nätspänningsfrekvens | 47 Hz- 63 Hz |
Nätspänning | 230 V AC - 240 V AC |
Märkeffekt | 156 W |
Temperaturområde | -30°C - +70°C |
Luftfuktighetsområde | 20 % - 90 % RH icke kondenserade |
Nätaggregat - Tekniska Data RSP-320-24
Sitter i: |
|---|
NOVA 24V 10A FLX M |
Info | Förklaring |
|---|---|
Utspänning | 27,3 V |
Utström | 0 A - 13,4 A |
Utspänning, ripple | 150 mVp-p |
Överspänning | 27,6 V - 32,4 V |
Utspänning återuppladdning, ripple/strömbegränsning | Mindre än 1,2 Vp-p |
Verkningsgrad | 89 % |
Strömbegränsning | 105 % - 135 % |
Konstantspänning | +/- 0,5 % |
Reglernoggrannhet | +/- 1,0 % |
Ingångsström (230 V) | 2 A |
Nätspänningsfrekvens | 47 Hz- 63 Hz |
Nätspänning | 230 V AC - 240 V AC |
Märkeffekt | 321,6 W |
Temperaturområde | -30°C - +70°C |
Luftfuktighetsområde | 20 % - 90 % RH icke kondenserade |
Tekniska data kapsling
Kapsling - Tekniska Data
Info | Förklaring |
|---|---|
Namn | FLX M |
Kapslingsklass | IP 32 |
Mått | Höjd: 224 mm, bredd 438 mm, djup 212 mm |
Höjdenheter | 5 HE |
Montering | Vägg eller 19" rack. |
Omgivningstemperatur | +5 °C - +40 °C. För bästa batteri-livslängd: +15 °C till +25 °C. |
Omgivning | Miljöklass 1, inomhus. 20% ~ 90% relativ fuktighet |
Material | Pulverlackerad plåt. |
Färg | Svart |
Kabelgenomföringar, antal | 4 |
Batterier som får plats | 2 stycken 12 V, 20 Ah. |
Fläkt | Ja |
Länkar
Produkter är föremål för uppdateringar, du hittar alltid den senaste informationen på www.milleteknik.se.
Garanti, support, tillverkningsland och ursprungsland
Garanti 5 år
Produkten har fem års garanti, från inköpsdatum (om inget annat avtalats). Kostnadsfri support under garantitiden nås på support@milleteknik.se eller telefon, 031-34 00 230. Ersättning för res- och eller arbetstid i samband med lokalisering av fel, installerande av reparerad eller utbytt vara ingår ej i garantin. Kontakta Milleteknik för mer information. Milleteknik ger support under produktens livslängd, dock som längst 10 år efter inköpsdatum. Byte till likvärdig produkt kan förekomma om Milleteknik bedömer att reparation inte är möjlig. Kostnader för support tillkommer efter det att garantitiden har gått ut.
Tillverkarens support
Tillverkare ger support under produktens livslängd, dock som längst 10 år efter inköpsdatum. Byte till likvärdig produkt kan förekomma om tillverkare bedömer att reparation inte är möjlig. Kostnader för support tillkommer efter det att garantitiden har gått ut.
Support
Behöver du hjälp med installation eller inkoppling?
Du hittar svar på många frågor på: www.milleteknik.se/support
Telefon: 031- 340 02 30, e-post: support@milleteknik.se.
Support har öppet: måndag-torsdag 08:00-16:00, fredagar 08:00-15:00. Stängt 11:30-13:15.
Reservdelar
Kontakta support för frågor om reservdelar.
Support efter garantitiden
Milleteknik ger support under produktens livslängd, dock som längst 10 år efter inköpsdatum. Byte till likvärdig produkt kan förekomma om tillverkare bedömer att reparation inte är möjlig. Kostnader för support tillkommer efter det att garantitiden har gått ut.
Frågor om produkters prestanda?
Telefon till försäljning: 031- 340 02 30, e-post: sales@milleteknik.se
Kontakta oss
Milleteknik AB
Ögärdesvägen 8 B
433 30 Partille
Sverige
+46 31-34 00 230
www.milleteknik.se
Tillverkningsland
Sverige
Tillverkare
Designad och producerad av Milleteknik AB
Produktens livslängd, miljöpåverkan och återvinning
Produkten är designad och konstruerad för lång livslängd vilket minskar miljöpåverkan. Produktens livslängd (förutom slitagedelar) är beroende på, bland annat miljöfaktorer, främst omgivningstemperatur, oförutsedd belastning på komponenter som blixtnedslag, yttre åverkan, handhavandefel, med flera. Produkter återvinns genom att lämnas till närmaste återvinningsstation eller sändas åter till tillverkare. Kontakta din distributör för mer information. Kostnader som uppkommer i samband med återvinning ersätts ej.

Batterier
Batterier ingår ej
Batterier säljs separat.
Batterikombinationer NOVA FLX M
Batterikapacitet (Ah) | Batterityp | Antal batterier | Batterier i enhet |
|---|---|---|---|
20 Ah | 20 Ah | 2 st | 2 i Batteribackup |
45 Ah | 45 Ah | 2 st | 0 i Batteribackup 2 i Batteribox 1 |
65 Ah | 20 Ah + 45 Ah | 4 st | 2 i Batteribackup 2 i Batteribox 1 |
90 Ah | 45 Ah | 4 st | 0 i Batteribackup 2 i Batteribox 1 2 i Batteribox 2 |
110 Ah | 20 Ah + 45 Ah | 6 st | 2 i Batteribackup 2 i Batteribox 1 2 i Batteribox 2 |
135 Ah | 45 Ah | 6 st | 0 i Batteribackup 2 i Batteribox 1 2 i Batteribox 2 2 i Batteribox 3 |
155 Ah | 20 Ah + 45 Ah | 8 st | 2 i Batteribackup 2 i Batteribox 1 2 i Batteribox 2 2 i Batteribox 3 |
180 Ah | 45 Ah | 8 st | 0 i Batteribackup 2 i Batteribox 1 2 i Batteribox 2 2 i Batteribox 3 2 i Batteribox 4 |
200 Ah | 20 Ah + 45 Ah | 10 st | 2 i Batteribackup 2 i Batteribox 1 2 i Batteribox 2 2 i Batteribox 3 2 i Batteribox 4 |
Certifierad med batterityp
Enheten är certifierad med UPLUS batteri som skall användas för att certifikat skall upprätthållas.
20 Ah, 12 V AGM-batteri
Passar i | Antal batterier |
|---|---|
NOVA 24V 5A FLX M | 2 |
NOVA 24V 10A FLX M | 2 |
Batterityp | V | Ah |
|---|---|---|
Underhållsfritt AGM, blysyra-batteri. | 12 V | 20 Ah |
Artikelnummer | E-nummer | Artikelnamn | Terminal | Mått. Höjd, bredd, djup | Vikt per styck | Fabrikat |
|---|---|---|---|---|---|---|
MT113-12V20-01 | 5230538 | UPLUS 12V 20Ah 10+ Design life batteri | M5 Bult | 182x77x168 mm | 6,0 kg | UPLUS |
Reservdrifttider - översikt
Tabellen visar beräknad och förväntad reservdrifttid vid olika belastningar på batteribackupen.
Viktigt
Detta är en vägledning och alla tider är ungefärliga och kan avvika från faktiskt tider. Last, temperatur och andra faktorer spelar in varför exakt tid ej kan lämnas.
Gäller nya batterier.
Strömstyrka och batterier varierar med konfiguration, kontrollera om konfigurationen klarar batterier och strömstyrka.
Medelström | 7,2 Ah | 14 Ah | 28 Ah | 45 Ah |
|---|---|---|---|---|
Belastning | Reservdrifttid (ca), minuter | |||
0,5 A | 450 | 820 | 1650 | 2350 |
1 A | 260 | 485 | 970 | 1460 |
2 A | 150 | 280 | 560 | 920 |
4 A | 90 | 165 | 335 | 550 |
6 A | 67 | 125 | 245 | 405 |
8 A | 57 | 105 | 210 | 350 |
10 A | 44 | 80 | 160 | 270 |
12 A | 38 | 70 | 140 | 235 |
14 A | 33 | 60 | 120 | 200 |
16 A | 28 | 50 | 100 | 170 |
18 A | 25 | 45 | 89 | 150 |
20 A | 23 | 42 | 84 | 142 |
Medelström | 28 Ah | 42 Ah | 65 Ah | 70 Ah |
|---|---|---|---|---|
- | 4 batterier (14 Ah) | 6 batterier (14 Ah) | 4 batterier (20Ah + 45 Ah) | 10 batterier (7 Ah) |
Belastning | Reservdrifttid (ca), minuter | |||
0,5 A | 1650 | 2090 | 5574 | 3440 |
1 A | 970 | 865 | 3252 | 2118 |
2 A | 560 | 815 | 1770 | 1329 |
4 A | 335 | 490 | 930 | 864 |
6 A | 245 | 360 | 600 | 605 |
8 A | 210 | 310 | 426 | 544 |
10 A | 160 | 240 | 342 | 414 |
12 A | 140 | 210 | 270 | 363 |
14 A | 120 | 180 | 234 | 311 |
16 A | 100 | 150 | 204 | 286 |
18 A | 90 | 130 | 150 | 254 |
20 A | 84 | 126 | 138 | 241 |
Medelström | 90 Ah | 110 Ah | 135 Ah | 155 Ah |
|---|---|---|---|---|
- | 4 batterier (45 Ah) | 6 batterier (20 Ah + 45 Ah) | 6 batterier (45 Ah) | 8 batterier (20 Ah + 45 Ah) |
Belastning | Reservdrifttid (ca), minuter | |||
0,5 A | 4705 | 5796 | 7056 | 8215 |
1 A | 2928 | 3582 | 4392 | 5070 |
2 A | 1836 | 2247 | 2754 | 3230 |
4 A | 1183 | 1438 | 1762 | 2018 |
6 A | 788 | 959 | 1175 | 1345 |
8 A | 748 | 861 | 1048 | 1150 |
10 A | 570 | 689 | 839 | 920 |
12 A | 499 | 603 | 699 | 765 |
14 A | 427 | 516 | 629 | 655 |
16 A | 404 | 499 | 592 | 590 |
18 A | 359 | 444 | 526 | 520 |
20 A | 340 | 420 | 498 | 495 |
Medelström | 180 Ah | 200 Ah | 225 Ah |
|---|---|---|---|
- | 8 batterier (45 Ah) | 10 batterier (20 Ah + 45 Ah) | 10 batterier (45 Ah) |
Belastning | Reservdrifttid (ca), minuter | ||
0,5 A | 9408 | 12972 | 11760 |
1 A | 5856 | 7872 | 7320 |
2 A | 3672 | 4548 | 4590 |
4 A | 2365 | 2670 | 2945 |
6 A | 1577 | 1780 | 1960 |
8 A | 1500 | 1558 | 1800 |
10 A | 1140 | 1246 | 1410 |
12 A | 950 | 1038 | 1200 |
14 A | 855 | 890 | 1055 |
16 A | 810 | 902 | 995 |
18 A | 715 | 802 | 885 |
20 A | 680 | 722 | 840 |
Med reservation för felskrivningar.
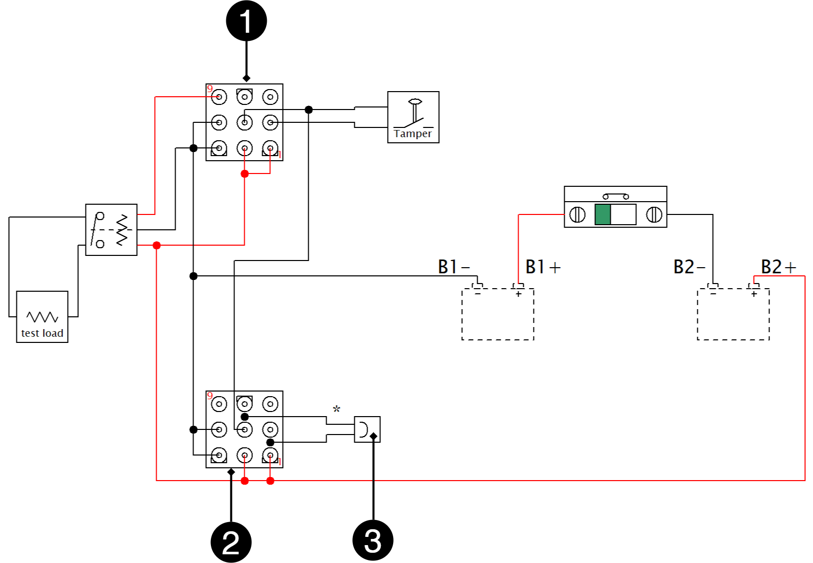
Anslutning av batteribox
Inkoppling batteribox med batteribackup

Bilden ger en översikt över kopplingar för batterikablar och batterisäkringar.
Batterikablage | Förklaring |
|---|---|
B1+ | Kopplas till säkring. |
B1- | Kabel från moderkort kopplas till batteri. |
B2+ | Kabel från moderkort kopplas till batteri. |
B2- | Kopplas till säkring. |
B3+ | Kopplas till säkring. |
B3- | Kopplas via anslutningskontakt till batteri i batteribackup. |
B4+ | Kopplas via anslutningskontakt till batteri i batteribackup. |
B4- | Kopplas till säkring. |
Nummer | Förklaring |
|---|---|
1 | Batterisäkring. |
2 | Koppla ihop batteribackup och batteribox med vit, 9-polig, fyrkantig anslutningskontakt. |
Inkopplingsschema och bygel
Larm till sabotagekontakt seriekopplas och därför måste slingan vara obruten till sista batteriboxkablaget. Bygel sluter slingan på varje kablage som går från batteribackup till batteribox och för att larm skall ges på sabotagekontakten i batteriboxen måste bygel på kablage klippas. Klipp inte bygel på sista kablage i batteribox, då kommer larm för sabotage inte ges i någon tillkopplad batteribackup eller batteribox.


Nummer | Förklaring |
|---|---|
1 | IN - inkommande anslutning |
2 | UT - utgående anslutning |
3 | Bygel på sockel på utgående anslutning |
Enheter | Bygel - var du skall klippa / ej klippa | Var slutningen i slingan skall vara |
|---|---|---|
Batteribackup utan batteribox | Klipp ej bygel | Bygling skall vara kvar i batteribackup |
Batteribackup + 1 batteribox | Klipp bygel i batteribackup | Bygling skall vara kvar i batteribox 1 |
Batteribackup + 2 batteriboxar | Klipp bygel i batteribackup och i batteribox 1 | Bygling skall vara kvar i batteribox 2 |
Schematisk inkoppling av batteribackup med fyra batteriboxar

Sabotagekontakt vid extra batteribox
Har en eller flera batteriboxar kopplats till enheten skall sabotagekontakterna seriekopplas för att larm från alla enheter skall ges. Det är viktigt att seriekopplingen har slutning vid den sista sabotagekontakten. Seriekopplingen skall börja i enheten och vända tillbaka i den sista batteriboxen.
Alla sabotagekontakter skall sitta i serie för att alla sabotagekontakter skall vara med i larmkedjan. Därför måste kabel som sitter i på den niopoliga kontakten klippas. På den sista anslutningen/batteriboxen skall den byglade kabeln ej vara klippt.
Adress och kontaktuppgifter
Milleteknik AB |
Ögärdesvägen 8 B |
433 30 Partille |
Sverige |
031-340 02 30 |
info@milleteknik.se |
www.milleteknik.se |
[1] Översättning på annat språk än svenska är endast vägledande och ej säkert granskade. Översättning skall alltid kontrolleras mot det svenska originalet för att säkerställa korrekt information.
[2] Kort kan skilja sig något beroende på konfiguration.
[3] Batteritest görs med effektmotstånd och enheten är testad och certifierad tillsammans med UPLUS 10+ Design life AGM batterier enligt SSF1014. Det är dessa batterier som skall användas för att certifikat skall upprätthållas
[4] Kontrollerad laddning innebär att när batterierna fulladdade kommer de att kopplas bort elektroniskt för standby-läge i upp till 20 dagar eller när batterierna har nått 26,7 V (24 V). Genom att ladda ur batterierna och ladda dem kontinuerligt (istället för att de aldrig används) förlänger systemet batteriets livslängd med upp till 50%. Batterierna ansluts automatiskt på mindre än 50 mikrosekunder.













