Tarkistukset ja tämän asiakirjan painos
Tämän asiakirjan nykyinen ja viimeisin julkaistu painos on saatavilla osoitteessa www.milleteknik.se.
Tämän asiakirjan voimassaoloa ei voida taata, koska uusia painoksia julkaistaan ilman ennakkoilmoitusta.
Käyttöohje ruotsiksi alkuperäisenä.[1].
Käyttöohje, tekniset tiedot ja niiden käännökset voivat sisältää virheitä. Asentajan vastuulla on aina asentaa tuote turvallisesti.
Symbolit
Symbolit | Nimellisarvo | Selitys |
|---|---|---|
![]() | Varoitus | Sähköiskun, väärän asennuksen tai kuumien pintojen vaara. Näkyy joissakin käsikirjoissa |
![]() | Huomautus | Käytetään täydentäviin tietoihin, jotka selventävät tekstiä. |
![]() | Huomio / Tärkeää | Ilmaisee laitteen vaurioitumisen tai toimintahäiriön riskin. Käytetään myös tärkeisiin, mutta ei turvallisuuteen liittyviin tietoihin. |
![]() | Vinkkejä | Näyttää käytännön neuvoja tai pikavalintoja asennusta, käyttöä tai huoltoa varten. |
![]() | CE-merkintä | Tuote on sovellettavien EU-direktiivien ja yhdenmukaistettujen standardien mukainen. |
![]() | Lue käyttöohje | Lue käyttöohje ennen asennusta ja huoltoa. |
![]() | Älä hävitä kotitalousjätteeseen | Tuote kuuluu sähkö- ja elektroniikkalaiteromun direktiivin piiriin, eikä sitä saa hävittää kotitalousjätteen mukana, vaan se on kierrätettävä ja toimitettava kierrätyskeskukseen. |
Kierrätys | Pakkaukset, tuotteet ja muut materiaalit, jotka eivät sisällä elektroniikkaa, on kierrätettävä paikallisten ympäristömääräysten mukaisesti. |
Vaihtoehtojen yleiskatsaus NOVA
Tuotteen nimi | Sertifioitu nimi | Emolevy: PRO1 | Emolevy PRO2: | Emolevy PRO2 v3 | Emolevy: PRO3 |
|---|---|---|---|---|---|
NOVA 12V 10A FLX S | 12V täyttää vaatimukset, mutta ei ole sertifioitu. | - | - | - | x |
NOVA 12V 10A FLX M | - | - | - | x | |
NOVA 12V 10A FLX L | - | - | - | x | |
NOVA 24V 5A FLX S | NOVA 25 50-FLX-S | X | X | - | X |
NOVA 24V 10A FLX S | NOVA 25 100-FLX-S | X | X | - | X |
NOVA 24V 5A FLX M | NOVA 25 50-FLX-M | X | X | - | X |
NOVA 24V 10A FLX M | NOVA 25 100-FLX-M | X | X | - | X |
NOVA 24V 15A FLX M | NOVA 25 150-FLX-M | X | X | X | - |
NOVA 24V 25A FLX M | NOVA 25 250-FLX-M | X | X | X | - |
NOVA 24V 5A FLX L | NOVA 25 50-FLX-L | X | X | - | X |
NOVA 24V 10A FLX L | NOVA 25 100-FLX-L | X | X | - | X |
NOVA 24V 15A FLX L | NOVA 25 150-FLX-L | X | X | X | - |
NOVA 24V 25A FLX L | NOVA 27 250-FLX-L | X | X | X | - |
Lue tämä ensin!
Elektroniikka, kotelosta riippumatta, on tarkoitettu käytettäväksi valvotussa sisäympäristössä. Verkkojännite tulee katkaista asennuksen ajaksi.
Asentajan vastuulla on, että järjestelmä soveltuu aiottuun käyttöön. Vain valtuutetut henkilöt saavat asentaa ja huoltaa järjestelmää.
Kaikki tiedot voivat muuttua.
Tietoja sertifioitujen yksiköiden lasiputkisulakkeista
Piirilevyn kuormituslähdöissä on lasiputkisulakkeet, joiden laukaisuaika on noin 150 ms. Jos lasiputken sulake laukeaa YKSI kuorman lähtö jännitys kaatuu KAIKKIIN kuorma lähdöt 0 V:iin 150 ms:ksi.
Asentaja on vastuussa siitä, että energiapuskuria on vähintään 150 ms. järjestelmissä, jotka saavat virtaa akusta tai hyväksyvät 150 ms:n sähkökatkon.
Asennus — yleistietoa
Asiantuntevan sähköasentajan on asennettava sovellettavien kansallisten sähköasennussääntöjen mukaisesti.
Tuote on suojausluokkaa I ja se on kytkettävä maadoitettuun 230 V:n vaihtovirtapiiriin.
Kiinteässä asennuksessa on oltava IEC 60947-1 mukainen pääkytkin. Kytkimen tulee olla helposti saatavilla ja sen toiminta tulee olla selkeästi merkitty.
Syöttökaapelin pinta-alan on oltava vähintään 1,0 mm² ja siinä on oltava sulake T 2,5 A (jäykkä) tai vastaava.
Vaihtovirta- ja pienjännitekaapeleita ei saa vetää yhteen. Pidä erilliset kaapelikourut tai -niput.
Tarkista, että suojamaa (PE) on kytketty oikein, ennen kuin kytket jännitteen päälle.
Varmista vapaa ilmankierto kotelon ympärillä vähintään 100 mm, ellei toisin mainita. Tuuletusaukkoja ei saa peittää.
Tuote on tarkoitettu sisäasennukseen normaalissa ympäristössä (pilaantumisnumero 2 ja sisäluokka 1).
Nämä yleiset vaatimukset koskevat kaikkia Milleteknik-tuotteita, joissa on 230 V verkkoliitäntä.
Pääkytkimen, sulakkeen ja kaapelin alueen vaatimukset
Sovellettavien sähköturvallisuusvaatimusten täyttämiseksi laitteisto on varustettava IEC 60947-1 -standardin mukaisella pääkytkimellä.
Komponentti | Vaatimukset |
|---|---|
Pääkytkin | Asennukseen on sisällytettävä IEC 60947-1 -standardin mukainen pääkytkin, ja sen on oltava helposti saatavilla. Erillinen vaihe (F) ja neutraali (N) |
Sulake | Syöttöpiiri on suojattava sulakkeella tai automaattisulakkeella, jonka nimellisvirta on tuote-eritelmän mukainen (tavallisesti T 2,5 A hidas tai vastaava). Katso laitteen tyyppikilpi. |
Sulakkeet | Hyväksytty tyyppi IEC 60127 mukaisesti. |
Johdotusalue (230 V) | Vähintään 1,0 mm2 |
Kaapelin pituus | Pidemmän johdotuksen tapauksessa jännitehäviöt on otettava huomioon siten, että käyttöjännite ei laske alle 230 V ± 10% yksikössä. |
Vedonpoisto | Kaikki kaapelit on kiinnitettävä asianmukaisesti ja vedonpoisto tarkistettava ennen käyttöönottoa. |
Nämä vaatimukset koskevat kaikkia Milleteknik-tuotteita, joissa on 230 V verkkoliitäntä.
Alla olevassa taulukossa on esitetty suositeltu kaapelialue pienvirta-asennuksille eri jännitteillä, virranvoimakkuuksilla ja kaapelipituuksilla. Arvot perustuvat kuparikaapeliin ja maksimijännitehäviöön noin 3% toiminnan luotettavuuden varmistamiseksi
V | Virranvoimakkuus (A) | Kaapelin pituus 10 metriä | Kaapelin pituus 30 metriä | Kaapelin pituus 60 metriä | Kaapelin pituus 100 metriä |
|---|---|---|---|---|---|
24 V | 1A | 0,75 mm2 | 0,75 mm2 | 1,5 mm2 | 1,5 mm2 |
24 V | 3A | 0,75 mm2 | 0,75 mm2 | 1,5 mm2 | 2,5 mm2 |
24 V | 5A | 0,75 mm2 | 1,5 mm2 | 2,5 mm2 | 4 mm2 |
24 V | 10A | 1,5 mm2 | 2,5 mm2 | 6 mm2 | -* |
24 V | 15A | 1,5 mm2 | 4 mm2 | -* | -* |
24 V | 25A | 2,5 mm2 | 6 mm2 | -* | -* |
24 V | 40A | 4,0 mm2 | -* | -* | -* |
* Kaapelin pinta-ala ylittää liittimen liittimen mitat, joten yli 6 mm: n kaapelia ei ole mahdollista käyttää! | |||||
Osaluettelo
NOVA FLX L

Paristot tulee asettaa kuvan mukaisesti.
Kirjain | Selitys |
|---|---|
A | Kiinnike, käännettävä seinään tai 19" telineeseen asennusta varten. |
B | Peukaloitu kontakti. Jos hälytysluokka 3 (SSF) täyttyy, suojakoskettimen on oltava seinässä. |
C | Kaappi jauhemaalattua levyä. |
E | Tilaa valinnaisille korteille (ei sisälly). |
G | Emolevy, (vaihtelee kokoonpanon mukaan). |
H | Kaapeliläpiviennit. |
I | Akun sulake, liitin. |
J | Paikka akuille. |
Kotelo
Konsoli
Mukana toimitetut kiinnikkeet voidaan kiinnittää kahdella tavalla: Seinälle asennettaessa kannakkeiden tulee istua taaksepäin, seinää vasten. Kun asennat 19 tuuman telineeseen, konsolin on oltava yksikön edessä.
Kirje | Selitys |
|---|---|
A | Konsoli työnnetään sisään alhaalta ylöspäin. Työnnä yläkiinnike ensin sisään. |
B | Klipsi napsahtaa sisään, kun kiinnike on kunnolla paikallaan. |
Tärkeää
Jos hälytysluokka 3 (SSF) täyttyy, kaappi ja suojakytkin on asennettava seinään. Valinnainen, Kaapin peukalointi M/L peukalokytkimen asentamiseen seinään on saatavilla.
Asennus
Käytä sopivia ruuveja seinäkiinnitystä varten, ruuvit eivät sisälly toimitukseen.
Asennus - seinäasennus
Tuotteet on asennettava vakaalle seinälle tai kiinnityslevylle, jonka kantavuus on riittävä kotelon painoon nähden, paristot mukaan lukien.
Kotelo on asennettu pystysuoraan.
Käytä neljää ruuvia, joiden halkaisija on 4—5 mm alustasta riippuen.
Suositeltava etäisyys ruuvin pään ja seinän välillä tulisi olla 1,5-2 mm.
Asennettaessa kipsilevylle on käytettävä seinäankkureita tai laajenntimia.
Betoniin tai tiiliin asennettaessa käytetään tapit tai vastaavat kiinnitykset.
Hyvän ilmanvaihdon varmistamiseksi kotelon ylä- ja sivuilla on oltava vähintään 100 mm vapaata tilaa.
Laite on asennettava mukavalle työskentelykorkeudelle, normaalisti 1,4—1,8 m lattian yläpuolelle.
Vältä sijoittamista suoraan auringonvaloon, lähelle lämmönlähteitä tai ympäristöihin, joissa on korkea kosteus tai pöly.
Ulkokäyttöön saa käyttää vain ulkokäyttöön tarkoitettuja koteloita, joiden IP-luokka on määritelty.
Asennuksen on suoritettava sovellettavien asennussääntöjen mukaisesti ja toimivaltaisen asentajan toimesta.
Akut – sijoitus ja kytkentä
Akkujen kytkentä

Huomaa, että kortti (4) eroaa eri kokoonpanoista.
Nro | Selitys |
|---|---|
1 | + ja - akkukaapeli akkusulakkeesta. |
2 | Akun sulake. |
3 | + ja - akkukaapeli emolevystä/tehokortista. |
4 | Emolevy ja tehostelevy, vaihtelee kokoonpanon mukaan. |
5 | Akkukaapelit emolevystä/tehokortista. |
6 | Liitäntä akkukotelon liittämistä varten. |
Kaavio – akkujen kytkentä, 24 V
Akkukaapelit on asennettu emolevyyn toimituksen yhteydessä. Alla olevissa kuvissa näytetään vain, miten kaapelit kytketään.
1. Aseta akut kaappiin siten, että akun navat ovat ulospäin, kaapin ovea kohti.
2. Kytke akkukaapelit akkuun. Punainen kaapeli plussaan ja musta kaapeli miinukseen.
Jos mahdollista, katkaise verkkojännite akkujen kytkentää ja vaihtamista varten.

Kytke akkukaapelit oikeisiin napoihin. Kytkentävirhe voi vahingoittaa laitetta.
PRO3 emolevy
Emolevy - kuvaus

Emolevy ohjaa laitetta ja jakaa virtaa. Katso lisätietoja teknisistä tiedoista.
Nro | Piirilevyllä | Selitys |
|---|---|---|
1 | J24 | [sv] Styrning till nätaggregat. Internt bruk. |
2 | J5 | [sv] 1=Oprio 2=externt larm. |
3 | D9 | Ilmaisindiodi. |
4 | JU1 | Ulkoiselle LED-valolle ovessa. |
5 | J11 | Palautusjumpperi, käytetään akun vaihdon yhteydessä. |
6 | JU6 | [sv] Anslutning för reläkort eller kommunikationskort eller för uppdatering av firmware. Endast ett kort eller kontakt åt gången får plats. |
7 | J29 | Liitäntä tuulettimelle. |
8 | J101 | Liitäntä sabotaasikoskettimelle. |
9 | J17 | Sabotaasikoskettimen liitäntä akkukotelosta. |
10 | J35 | Nro käytössä. |
11 | J14 | Hälytystulo ulkoiselle akkuvarokkeelle akkukotelosta. |
12 ja 13 | J10 ja J100 | Hälytys ulkoisesta lisäkortista. |
14 | D18, D19 | LED-valot näyttävät tiedonsiirron tilan (RS-485). |
15 | S3 | Dip-kytkin |
16 | P2:1-4 | Lataa lähdöt |
17 | P3:1-3 | Tiedonsiirtoliitäntä, RS-485. |
18 | P1:1-3 | Liitäntä sähköverkkoon. |
Sulakkeet
Sulake | Tyyppi | Selitys |
|---|---|---|
F1 | T2.5A | Sähköverkon varoke |
F3 | T16A | Kuormavaroke 1 - (P2:2:lle) |
F4 | T16A | Akkuvaroke |
F5 | T3A-T10A* | Kuormavaroke 1+ (P2:1:lle) |
F7 | T3A-T10A* | Kuormavaroke 2 + (P2:3:lle) |
*Varokkeen koko riippuu varmennusakun virranotosta (A). | ||
Varoitus
Jos varoke vaihdetaan suurempaan kuin laitteen mukana toimitettu varoke, on olemassa omaisuusvahingon vaara. Varokkeen tehtävänä on suojata kytkettyä kuormaa ja sen kuormakaapeleita vaurioilta ja tulipalolta. Varoketta ei ole mahdollista vaihtaa suurempaan virranoton lisäämiseksi.
[sv] Anslut elnät

[sv] För in elnätskablage genom kabelgenomföringar på ovansidan skåpet.
[sv] Beteckning | [sv] Förklaring |
|---|---|
1 | [sv] Vred för nätspänning. |
2 | [sv] Personskydd / jordfelsbrytare. |
[sv] PE | [sv] Jord. |
N | [sv] Nolla. |
F | [sv] Fas. |
x | [sv] Används ej. |
Yhdistä kuorma
Max virta
Maksimivirtaa ei saa ylittää. Maksimivirta on ilmoitettu laitteen tyyppikilvessä.
Lataa lähdöt SSF-sertifikaatilla
Jotta sertifikaatti olisi voimassa, vain yhtä kuormalähtöä saa käyttää.
Jos kuormalähtöjen määrän lisäämiseksi tai kuorman selektiivisyyden luomiseksi on yksi tai useampi liitäntäkortti, kuorma on kytkettävä siihen, ei emolevyyn.
[sv] På kretskort | Selitys |
|---|---|
P2:1 | Liitäntä kuormalle 1+ |
P2:2 | Liitäntä kuormalle 1 - |
P2:3 | Liitäntä kuormalle 2+ |
P2:4 | Liitäntä kuormalle 2 - |
Dip-kytkin 1-8
Dip-kytkimessä on useita eri konfigurointitiloja:
Dip-kytkin | Verkko- tai akkukäytössä |
|---|---|
1 | Osoiteasetus ulkoista viestintää varten. |
2 | Osoiteasetus ulkoista viestintää varten |
3 | Osoiteasetus ulkoista viestintää varten |
4 | Osoiteasetus ulkoista viestintää varten |
5 | Asettaa hälytyksen sähkökatkon viiveestä |
6 | Asettaa hälytyksen sähkökatkon viiveestä |
7 | Asettaa hälytysrajan alhaiselle akkujännitteelle akkukäytössä. |
8 | Sytyttää tai sammuttaa LED-valon. |
8 peräkkäin | Suorita akkutesti |
Ulkoisen tiedonsiirron osoiteasetus (Dip-kytkin 1-4)
Dip-kytkin S1: 1-4 asettaa osoitteita.
Dip: 1 | Dip: 2 | Dip: 3 | Dip: 4 | |
|---|---|---|---|---|
osoite 1 | ON | OFF | OFF | OFF |
Osoite 2 | OFF | ON | OFF | OFF |
Osoite 3 | ON | ON | OFF | OFF |
Osoite 4 | OFF | OFF | ON | OFF |
Osoite 5 | ON | OFF | ON | OFF |
Osoite 6 | OFF | ON | ON | OFF |
Osoite 7 | ON | ON | ON | OFF |
Osoite 8 | OFF | OFF | OFF | ON |
Osoite 9 | ON | OFF | OFF | ON |
Osoite 10 | OFF | ON | OFF | ON |
Osoite 11 | ON | ON | OFF | ON |
Osoite 12 | OFF | OFF | ON | ON |
Osoite 13 | ON | OFF | ON | ON |
Osoite 14 | OFF | ON | ON | ON |
Osoite 15 | ON | ON | ON | ON |
Verkkokatkon viive (dip 5-6)
On mahdollista siirtää aikaa, jolloin sähkökatkoshälytys tulee antaa. Käytä matriisia hälytyksen asettamiseen.
Hälytykset sähkökatkoksista annetaan, kun: | Dip 5 | Dip 6 |
|---|---|---|
3 sekuntia | OFF | OFF |
30 minuuttia | ON | OFF |
60 minuuttia | OFF | ON |
240 minuuttia (4 tuntia) | ON | ON |
Alhainen akun jännite (dip 7)
Dip: 7:llä on sama toiminto riippumatta siitä, onko laite verkkovirralla vai akkukäytössä tai pidetäänkö peukalointikytkintä painettuna.
Hälytys akun alhaisesta jännitteestä annetaan, kun | Dip 7 |
|---|---|
22,8 V* | ON |
24 V | OFF |
*25 % akun kapasiteetista jäljellä. | |
LED (dip 8)
LED/akkutesti syttyy aina kun luukku on auki.
Dip-kytkin 8=ON sammuttaa LEDin.
Dip-kytkin 8=OFF sytyttää LEDin.
Akkutesti (dip 8)
Akkutestin suorittamiseksi 8:n on vaihdettava tilaa ja viiden sekunnin on kuluttava ennen testin aloittamista.
Jos dip 8 alkuperäisessä tilassa on päällä OFF vaihda sitten dip 8 asentoon: ON (odota 5 sekuntia) ja vaihda sitten takaisin asentoon OFF.
Jos dip 8 alkuperäisessä tilassa on päällä ON vaihda sitten dip 8 asentoon: OFF (odota 5 sekuntia) ja vaihda sitten takaisin asentoon ON.
Tämä aktivoi akkutestin 3-8 sekunnin kuluttua. Akkutesti kestää noin 6 sekuntia ja sitten LED vilkkuu nopeasti keltaisena. Vanhentuneen akun hälytykset saattavat näkyä akkutestin aikana.
Nollaa dip 8 vasta, kun testi on valmis.
Käynnistä uudelleen vahvistaaksesi osoitteen, akun ja hälytysasetusten muutokset vanhemman järjestelmän
Kun dip-kytkin on asetettu eri parametreille, laitteen ohjelmisto on käynnistettävä uudelleen. Tämä on tarkoitettu uusien asetusten lukemista varten ja niiden voimaantuloa varten.
Tärkeää
Uudelleenkäynnistys tämän menettelyn mukaisesti katkeaa ei lähtöjännite.
Laiteohjelmiston uudelleenkäynnistys tehdään hyppyjälki J11 (PRO3)
Tärkeää
Uudelleenkäynnistys on tehtävä aina, kun laitteeseen tehdään muutos.
Tietojen palautus akun vaihdon jälkeen - PRO3
Pariston vaihdon jälkeen laitteen tulee mitata uusien akkujen kapasiteetti ja tyhjentää aiemmin asetettu akkukapasiteetti. Hälytys poistuu, mutta tilastot säilyvät muistissa.
Aseta siltaus J11:een ja irrota siltaus J11:stä
Vaiheen suorittamisen jälkeen akun kapasiteetti tyhjenee kortin muistista ja on valmis lukemaan uuden akun kapasiteetin.
Tämä toimenpide on tehtävä joka kerta, kun paristot vaihdetaan tai kun akkukoteloa kytketään.
Huomautus akkujen testaamisesta
Käynnistettäessä kestää 72 tuntia ennen kuin järjestelmä suorittaa akkutestejä. Tällä varmistetaan akkujen täyteen latautuminen ja keskiarvojen/historian kerääminen vähintään 72 tunnin ajalta. Sen jälkeen akuille tehdään neljän tunnin välein pätevä kennotesti.
Huomaa, kun käynnistät oikosuljetuilla akuilla
Huippuvirta käynnistyksen yhteydessä oikosuljetuilla akuilla: Jopa 30 A pp 200 ms:n ajan. Noudata aina käynnistysohjeita.
Kortin kuvaus - Relekortti NOVA-sarja (PRO3)
Relekortti - kuvaus, liitännät ja hälytyslähdöt.
Kaikkien vikahälytysreleiden on oltava vedetyssä tilassa. Tarkista, että CO:n ja NC:n välillä on yhteys. Aseta mittauslaite jatkuvuusmittaukseen ja testin päättämiseen. Tämän pitäisi sitten olla merkki oikosulusta.
Kaikki releet ovat normaalisti jännitteisiä ja antavat hälytyksen, kun ne ovat jännitteettömät.
![]() |
Nro | Terminaali nro | Rele on normaalisti jännitteinen | Hälytyksen tyyppi tai selitys |
|---|---|---|---|
1.1...1.4 | P4:1 | - | GND, Maa |
P4:2 | - | RX | |
P4:3 | - | TX | |
P4:4 | - | +5V | |
2 | JU5 | - | Liitäntä emolevyyn. |
3 | D2-D6 | - | Merkkivalo, palaa vihreänä, kun OK. |
4 | P5:10-12 | NC, COM, NO | Hälytys peukalokytkimestä (valinnainen NEO:lle ja EN54:lle). |
5 | P5:7-9 | NC, COM, NO | Matala järjestelmäjännite. |
6 | P5:4-6 | NC, COM, NO | Hälytys sulakkeen viasta, laturivian ylijännite, laturivian alijännite, akku ei ole kytkettynä, akun jännite alhainen verkkokatkon varalta ja vanhentunut akku*. *Vain NOVA. |
7 | P5:1-3 | NC, COM, NO | Sähkökatkon hälytys. |
Useita laitteita yhteen pääjärjestelmään
Useiden yksiköiden kytkemiseksi pääjärjestelmään useiden varmennusakkujen välinen kuorma-miinus on kytkettävä yhteen.
![]() |
Käyttöönotto – laitteen käynnistäminen
[sv] Koppla in last, larm och ev. andra anslutningar.
[sv] Koppla in batterier.
[sv] Anslut / slå till säkringar.
[sv] Skruva fast elnätkabel i plint och sätt fast plint på moderkort.
[sv] Slå till nätspänning.
Kytke tässä järjestyksessä
Oikosulun yhteydessä mahdollisesti ilmenevien vikojen riskin minimoimiseksi liitännät emolevyyn on tehtävä tässä järjestyksessä.

Nro | Selitys |
|---|---|
1 | Kytke hälytys. |
2 | Kytke kuorma |
3 | Kytke akut |
4 | Kytke verkkovirta. |
Tärkeää
Dip-kytkimien asettaminen ja osoitteiden asettaminen - katso online-käyttöoppaasta QR-koodin avulla.
Laite toimii normaalisti, kun kaapin oven ulkopuolella oleva merkkivalo palaa vihreänä. Katso etupaneelin / kaapin oven muut tilailmaisut.
Akkujen lataaminen täyteen voi kestää jopa 72 tuntia.
Järjestelmätesti
Testaa kytketty laite suorittamalla järjestelmätesti sen jälkeen käyttöönotto.
Tärkeää
Anna akkujen latautua pari tuntia, mittaa kunkin akun jännite yleismittarilla. Jännitteen tulee olla vähintään 12,7 V akkua kohti.
Kytke tuleva verkkojännite päälle.
Kaapin oven ulkopuolella oleva LED palaa tasaisena vihreänä. Katkaise verkkojännite varmistaaksesi, että laite toimii akkukäytössä ja hälytyksessä.
Kaapin ovessa oleva LED ilmaisee, katso hälytystyyppi paneelista.
Kytke sisääntuleva verkkojännite, kaapin oven ulkopuolella oleva LED palaa tasaisena vihreänä. Normaali operaatio.
Elpyminen
Nollaa laite katkaisemalla laitteen virta kokonaan.
Irrota akkukaapelit ja verkkojännite ja kytke uudelleen 5 sekunnin kuluttua.
Hälytys näkyy kaapin ovi / indikaattoridiodi
Normaalitilassa merkkivalo palaa tasaisesti vihreänä.
![]() |
Merkkivalo näyttää | Selitys |
|---|---|
Vihreä valo | Normaalikäyttö. |
Hitaasti vilkkuva vihreä | Sabotaasihälytys. |
Nopeasti vilkkuva vihreä | Sähkökatkohälytys. |
Keltainen valo | Alhainen akkujännite. |
Hitaasti vilkkuva keltainen | Vanhentuneet akut. |
Nopeasti vilkkuva keltainen | Irtikytketyt akut / akun oikosulku. |
Punainen valo | Yli- tai alijännite tai laturivika. |
Hitaasti vilkkuva punainen | Alhainen järjestelmäjännite. |
Nopeasti vilkkuva punainen | Kuormavaroke lauennut / akkuvaroke lauennut. |
Musta / sammunut | Syväpurkaussuojaus aktivoitunut. (Laite on sammunut.) |
Kun järjestelmä on otettu käyttöön: Jos merkkivalo ei pala, syväpurkaussuojaus on käynnistynyt.
Huomautus
Jos merkkivalo vilkkuu 15 sekunnin välein, akku on ladattu täyteen ja lataus on lepovaiheessa akun käyttöiän pidentämiseksi. Jos sähkökatko lepovaiheen aikana tapahtuu, akun varmuuskopio siirtyy akkukäyttöön tavalliseen tapaan
Sabotaasikoskettimen säätö
![]() |
Kun kaapin ovi on kiinni, sabotaasikoskettimen vivun on oltava kiinni-asennossa (kiinni). Jos saadaan hälytys (”peukalointihälytys” / hälytys alakeskukseen), vipua on ehkä säädettävä.
Vipua säädetään seuraavasti:
Purista pihdeillä vivun keskeltä.
Säädä vipu varovasti haluttuun suuntaan (ylös/alas).
Tarkista sulkemalla ovi. Kun kosketin sulkeutuu, kuuluu naksahdus.
Huomautus
Sabotaasikosketin ei saa hälyttää, kun ovi on kiinni ja lukittu.
Kunnossapito
Järjestelmä on tuuletinta ja akkuja lukuun ottamatta huoltovapaa, kun se on asennettu sisätiloihin.
Tarkista tuuletin vuosittain. Tuulettimen tulee pyöriä tasaisesti ilman melua. Puhdista tuuletin pölystä ja liasta. Tuuletin on vaihdettava, jos se ei pyöri tasaisesti tai on niin likainen, ettei sitä saada täysin puhtaaksi. Jos tuuletin ei toimi hyvin, ilmavirta laitteessa estyy, jolloin lämpötila kotelossa nousee. Tämä voi johtaa akun kapasiteetin heikkenemiseen ja akun vaihtovälin merkittävään lyhenemiseen.
Paristot
Akut tuottavat sähköä kemiallisen prosessin kautta, jolloin kapasiteetti heikkenee luonnollisesti. Suurin tekijä akun käyttöiässä on lämpötila. Mitä korkeampi lämpötila, sitä lyhyempi akun käyttöikä. Akun valmistuspäivämäärä ja käyttöikä (akun valmistajan ilmoittamana). Ihanteellinen lämpötila on 20 °C sekä käytössä että varastoinnissa. Korkeampi ympäristön lämpötila lyhentää käyttöikää huomattavasti. Siten todellinen käyttöikä vaihtelee käytettäessä. Paristot tulee vaihtaa tämän jälkeen puoli määritetty (akun valmistajan) käyttöikä turvallista käyttöä varten. Varapariston valmistajan kautta ostettujen paristojen käyttöikä (pariston valmistajalta) on 10-12 vuotta ja suositeltu vaihtoaika 5-6 vuoden kuluttua.

[sv] Tillverkarens angivna livslängd[a] | [sv] Batteri i drift bör bytas efter[b]. | ||||||||||||||||||||||||||||||||||||||||||||||||
|---|---|---|---|---|---|---|---|---|---|---|---|---|---|---|---|---|---|---|---|---|---|---|---|---|---|---|---|---|---|---|---|---|---|---|---|---|---|---|---|---|---|---|---|---|---|---|---|---|---|
[sv] 3-5 år | [sv] 2-3 år | ||||||||||||||||||||||||||||||||||||||||||||||||
[sv] 6-9 år | [sv] 3-5 år | ||||||||||||||||||||||||||||||||||||||||||||||||
[sv] 10-12 år | [sv] 5-7 år | ||||||||||||||||||||||||||||||||||||||||||||||||
[sv] 15+ år | [sv] 8-10 år | ||||||||||||||||||||||||||||||||||||||||||||||||
[a] Gäller vid helt outnyttjat batteri som är lagrat under optimala förhållanden. [b] Vid drift i idela omgivningstemperatur, 20 °C. | |||||||||||||||||||||||||||||||||||||||||||||||||
Akun vaihto
• Jos mahdollista, katkaise verkkojännite akkuja vaihtaessasi.
• Irrota akkukaapelit. Huomaa, miten akkukaapelit on kiinnitetty ennen niiden irrottamista.
• Poista akkuvaroke akkujen välistä.
• Kiinnitä uudet akut.
• Kytke akkukaapelit samalla tavalla kuin aiemmin.
• Kiinnitä akkuvaroke akkujen väliin.
• Kytke verkkojännite päälle. Alhaisen akkujännitteen/sähkökatkoksen merkkivalo voi palaa, kunnes akut on ladattu. Voi kestää jopa 72 tuntia ennen kuin akut on täysin ladattu.
• Testaa järjestelmä katkaisemalla verkkojännite lyhyeksi ajaksi (= kuorman pitäisi edelleen toimia akuilla) ja kytkemällä verkkojännite sitten uudelleen.
Akkujen kierrätys
Kaikki akut on kierrätettävä. Palauta valmistajalle tai vie kierrätysasemalle.

Turvallisuustiedot - huolto ja vianmääritys
Jos mahdollista, katkaise verkkojännite ennen minkään työn aloittamista, kuten huoltoa, akun vaihtoa, mittausta tai vianetsintää.
Irrota paristonsulake tai -liitin ennen kuin työskentelet DC-puolella.
Tarkista, että kaikki kaapelit on kytketty oikein ja maadoitettu, ennen kuin kytket laitteen uudelleen virtaa.
Tuote voi sisältää osia, jotka kuumenevat käytön aikana. Vältä koskemasta sisäosiin heti virran katkaisun jälkeen.
Jos sulakkeet irtoavat toistuvasti, katso Vianmääritys tai irrota laite ja ota yhteyttä Milleteknikin tekniseen tukeen.
Jos epäillään vaurioita, nesteen tunkeutuminen tai palavaa hajua, tuotetta ei saa käyttää ennen kuin pätevä henkilöstö on tarkastanut sen.
Käytön aikana kotelo on suljettava ja lukittava (jos laitteessa on lukko).
Vain valtuutettu huoltohenkilöstö saa tehdä korjauksia laitteelle.
Käytä vain alkuperäisiä sulakkeita ja paristoja, jotka ovat samantyyppisiä ja samanarvoisia kuin käyttöoppaassa/tuoteselosteessa on määritetty.
Milleteknik ei vastaa virheellisestä käsittelystä, muokkauksesta tai hyväksymättömistä komponenteista aiheutuvista vaurioista.
Vianmääritys
Jos laite ei toimi odotetulla tavalla, käy läpi seuraavat tarkistukset:
Ongelma | Mahdollinen syy | Toimenpide |
|---|---|---|
Ei lähtöjännitettä. | Ei verkkojännitettä, sulakkeen laukaisua tai akun vikaa. | Tarkista syöttö, sulakkeet ja akun liitännät. |
Akku ei lataudu. | Virheellinen akkuliitäntä tai akun sulake on lauennut. | Tarkista akun kaapelit ja vaihda akun sulake tarvittaessa. |
Laite käynnistyy, mutta hälyttää. | Paristot eivät ole riittävästi ladattuja tai viallinen kuorma tai akku. | Odota 72 tuntia, kunnes akut ovat täysin ladatut. Varmista, että kuorma ei ylitä nimellisvirtaa. |
LED vilkkuu. | Tiedot, varoitus tai virhe. | Katso selitys paneelista tai käsikirjasta. |
Sulakkeet palaavat usein. | Oikosulku tai ylikuormitus. | Tarkista kytketyt laitteet, vaihda sulake vasta, kun syy on korjattu. |
Laite kuumenee | Suuri kuormitus tai riittämätön ilmanvaihto | Tarkista, että nimellisvirtaa ei ylitetä ja että kotelon ympärillä on ilmavirtaa. |
Jos ongelma jatkuu näiden tarkastusten jälkeen, ota yhteyttä Milleteknikin tukeen ja anna tuotteen nimi, sarjanumero ja lyhyt virheiden kuvaus.
NOVA tuoteseloste
SSF1014 sertifioitu akun varmuuskopiointi viestinnällä
![]() |
NOVA FLX L asennetaan seinälle tai 19" telineeseen.
Tekniset tiedot
Näitä teknisiä tietoja voidaan muuttaa ilman erillistä ilmoitusta.
Nimi ja tuotenumero
Nimi | Tuotenumero | E-numero |
|---|---|---|
NOVA 24V 10A FLX L | FL01P30024P100-SSF | 52 135 70 |
NOVA 24V 5A FLX L | FL01P30024P050-SSF | 52 135 69 |
Jos NOVA FLX
NOVA FLX käytetään pääasiassa turvajärjestelmissä, joissa vaaditaan standardin SSF 1014 mukaisesti hyväksytty varmennusakku tai joissa vaatimukset ovat korkeammat. Vaatimukset, kuten parempi joustavuus, enemmän hälytystoimintoja, pidemmät varakäyntiajat tai missä varmennusakun on kestettävä suurempia kuormia.
NOVA-sarja on järjestelmäsertifioitu standardin SSF1014 mukaisesti, samoin kuin suurin osa Ruotsin markkinoilla olevista järjestelmistä. Milleteknikillä on myyntioikeus kahteen erilaiseen järjestelmään Ruotsin markkinoilla; Sentrion NOVA -sarjassa on tiedonsiirto RS485:n kautta Sentrion S4:ään, S4 DUO:on ja CISS:ään. Integra. MOVEO-sarjan (lisävaruste) lisäksi on RS232-tiedonsiirto Integra MOVEO:n ja MOVEO XL:n kanssa.
Joustavuus
NOVA FLX S:ssä voi olla ylimääräinen akkulaatikko. NOVA FLX M ja NOVA FLX L 1-4 ylimääräisellä akkukotelolla*. NOVA FLX M ja NOVA FLX L akkuhyllyillä 19" telineessä*. *Akkukotelot ja hyllyt on kytketty 9-napaisella liittimellä. Akkukoteloon mahtuu jopa 2 kpl. 45 Ah akut per akkulaatikko. Akkuhyllyissä on tilaa 2 kpl:lle. 45 Ah akut (Medium) ja jopa 2 kpl. 150 Ah akut (suuret) per akkuhylly.
Kiinteä asennus
Tuote on tarkoitettu kiinteään asennukseen. Asennus tulee teettää valtuutetulla asentajalla.
Käyttöalue
NOVA FLX käytetään enimmäkseen: Kulunvalvontajärjestelmä, murtohälyttimet (integroidut turvajärjestelmät) julkisissa ympäristöissä, kuten kouluissa, toimistoissa ja liikekiinteistöissä.
Katso asennusvideo
Määräykset ja sertifioinnit
Standardit, jotka tuotteet täyttävät ja jotka on hyväksytty
SBF 110:8 |
SSF1014 Hälytysluokka 1-4 (murtohälytys). |
SSF1014, numero 5. |
Sertifikaatin numero, SBSC | Nimitys SBSC |
|---|---|
nro 18-246 | NOVA 27 250-FLX, NOVA 27 150-FLX, NOVA 27 100-FLX, NOVA 27 50-FLX, NOVA 13 100-FLX, NOVA 27 100-XS2, NOVA 27 50-XS2, NOVA 27 30-XS2, NOVA 13 100-XS2, NOVA 13 50-XS2 |
nro 20-117 | NOVA 27 50-FLX S • NOVA 27 100-FLX S • NOVA 27 50-FLX M • NOVA 27 100-FLX M • NOVA 27 150-FLX M • NOVA 27 250-FLX M • NOVA 27 50-FLX L • NOVA 27 100-FLX L • NOVA 27 150-FLX L • NOVA 27 250-FLX L Unison Facility Cabinet |
Sertifikaatin numero, RiSE |
|---|
SC0204-19 |
Määräykset ja sertifioinnit
EMC: | EMC-direktiivi 2014/30EU |
CE: | CE-direktiivi 765/2008 |
Päästö: | EN61000-6-:2001 EN55022:1998:-A1:2000, A2:2003 Klass B, EN61000-3-2:2001 |
Konedirektiivi | Tuote on osa sähköjärjestelmiä, siihen sovelletaan asiaankuuluvia sähkö- ja turvallisuusdirektiivejä eikä se ole konedirektiivin (2006/42/EY) mukainen kone. |
Ekosuunnittelu | Milleteknikin tuotteet on tarkoitettu ammattikäyttöön, joten ne eivät kuulu suoraan ekosuunnitteluasetuksen (EU 2019/1782) soveltamisalaan. Koska jotkin komponentit voidaan kattaa, paljastamme kuitenkin asiaankuuluvia tietoja antaaksemme asiakkaillemme luottamuksen valintoihinsa |


Varakäyttöajat, pistorasia ja kuorman lähtöteho
Akkujen latausvirta ja akun kapasiteetti
Yksikkö lukee kytketyn järjestelmän kuormituksen ja lataa akut virtalähteestä käytettävissä olevalla jäännösteholla. Laite suorittaa päteviä* akkutestejä ja ilmoittaa, kun paristot on vaihdettava. Akut ladataan hellävaraisesti niiden käyttöiän pidentämiseksi ja niissä on suojaus ylilataukselta.
12 V / 24 V | Akkujen maksimilatausvirta |
|---|---|
NOVA FLX L | 6 A |
Akkuvarmistuksessa on ohjattu lataus** (ohjattu lataus), joka estää akkujen ylilataamisen ja pidentää merkittävästi niiden käyttöikää. NOVA-sarjaa tulee käyttää AGM-akkujen kanssa.
24 V | Akun kapasiteetti | Max akun kapasiteetti 1 akkukotelolla | Maksimi akun kapasiteetti 2 akkukotelolla | Max akun kapasiteetti 3 akkukotelolla | Max akun kapasiteetti 4 akkukotelolla |
|---|---|---|---|---|---|
NOVA FLX L, 24 V | 45 Ah (2 kpl 45 Ah) | 90 Ah (4 x 45 Ah) | 135 Ah (6 x 45 Ah) | 180 Ah (8 x 45 Ah) | 225 Ah (10 x 45 Ah) |
Virtalähde NOVA FLX
NOVA 24V 5A FLX L | Yksikkö ilman akkukoteloa | Yksikkö kanssa 1 akkulaatikko | Yksikkö kanssa 2 akkulaatikkoa | Yksikkö kanssa 3 akkulaatikkoa | Yksikkö kanssa 4 akkulaatikkoa |
|---|---|---|---|---|---|
Akku | 2 kpl. 45 Ah | 4 kpl 45 Ah | 6 kpl 45 Ah | 8 kpl 45 Ah | 10 kpl 45 Ah |
Max akun kapasiteetti | 45 Ah | 90 Ah | 135 Ah | 180 Ah | 225 Ah |
Mukaan. SSF1014, Hälytysluokka 1-2 | 3,7 A | 5,0 A | - | - | - |
Mukaan. SSF1014, Hälytysluokka 3-4 | 1,5 A | 3,0 A | 4,5 A | - | - |
Imax A (max purkausvirta) | 5 A | 5 A | 5 A | 5 A | 5 A |
Imax b (maksimi latausvirta) | 5 A | 5 A | 5 A | 5 A | 5 A |
Imin on aina 0 A. | |||||
NOVA 24V 10A FLX L | Yksikkö ilman akkukoteloa | Yksikkö kanssa 1 akkulaatikko | Yksikkö kanssa 2 akkulaatikkoa | Yksikkö kanssa 3 akkulaatikkoa | Yksikkö kanssa 4 akkulaatikkoa |
|---|---|---|---|---|---|
Akku | 2 kpl. 45 Ah | 4 kpl 45 Ah | 6 kpl 45 Ah | 8 kpl 45 Ah | 10 kpl 45 Ah |
Max akun kapasiteetti | 45 Ah | 90 Ah | 135 Ah | 180 Ah | 225 Ah |
Mukaan. SSF1014, Hälytysluokka 1-2 | 3,7 A | 7,4 A | - | - | - |
Mukaan. SSF1014, Hälytysluokka 3-4 | 1,5 A | 3,0 A | 4,5 A | 6,0 A | 7,5 A |
Imax A (max purkausvirta) | 10 A | 10 A | 10 A | 10 A | 10 A |
Imax b (maksimi latausvirta) | 10 A | 10 A | 10 A | 10 A | 10 A |
Imin on aina 0 A. | |||||
Sallittu keskimääräinen kuormitus standardin SSF1014 mukaan Hälytysluokka 1-4:
Sallittu keskimääräinen kuormitus standardin SSF1014 mukaan Hälytysluokka 1-4: | NOVA 24V 5A FLX L | NOVA 24V 10A FLX L | NOVA 24V 25A FLX L | MOVA 24V 25A FLX L |
|---|---|---|---|---|
FLX M ilman akkukoteloa Hälytysluokan 1-2 / 3-4 mukaan | 3,7 A / 1,5 A | 3,7 A / 1,5 A | 3,6 A / 1,4 A | 3,6 A / 1,4 A |
Sisältää 1 kpl. Akkukotelo FLX M, hälytysluokan 1-2 / 3-4 mukaan: | - | 7,4 A / 3 A | 7,3 A / 2,9 A | 7,3A / 2,9A |
Sisältää 2 kpl. Akkukotelo FLX M, hälytysluokan 1-2 / 3-4 mukaan: | - | - | 11,1 A / 4,4 A | 11,1 A / 4,4 A |
Sisältää 3 kpl. Akkukotelo FLX M, hälytysluokan 1-2 / 3-4 mukaan: | - | - | - | 14,8A / 5,9A |
Sisältää 4 kpl. Akkukotelo FLX M, hälytysluokan 1-2 / 3-4 mukaan: | - | - | - | 18,7A / 7,5A |
Varaa käyttöajat eri hälytysluokille - yleiskatsaus
Hälytysluokka | Varakäyttöaika sähkökatkon sattuessa | Akkujen lataustuntien enimmäismäärä (80 %) |
|---|---|---|
EN54-4 | - | 24 h |
SBF110:8 | 30 h + 10 min | 24 h |
EN50131-6 luokka 1-2 | 12 h | 72 h |
EN50131-6 luokka 3 | 24 h | 24 h |
SSF1014 Hälytysluokka 1/2 | 12 h | 72 h |
SSF1014 Hälytysluokka 3/4 | 30 h (kaupungeissa) / 60 h (taajamissa) | 24 h |
Taulukossa on esitetty varakäyttöaika ja akun latausvaatimukset eri hälytysluokille.
Piirilevy – Tekniset tiedot
Tekniset tiedot, emolevy: PRO 3
Tiedot | Selitys |
|---|---|
Kortin nimi: | PRO 3. |
Tuotteen Kuvaus | Emolevy akkuvarmistuksessa edistyneillä toiminnoilla ja tiedonsiirrolla huippujärjestelmien kanssa. |
Oma kulutus, relekortilla | Alle 120 mA. Kaikki ulkoisen hälytyskortin releet vedetty normaaliasentoon. |
Vaihtoaika verkkojännitteestä akkukäyttöön | Kun paristot ovat lepotilassa: <5 mikrosekuntia. Kun akut ovat latausjaksossa: 0 (ei mitään). Akut lepäävät 20 päivän jaksot, jonka jälkeen latausjakso ottaa vallan ja lataa akkuja 72 h. Jos akkujen ollessa lepojaksossa tapahtuu sähkökatkos, akut kytkeytyvät päälle <5 mikrosekunnissa. Jos sähkökatkos tapahtuu akkujen ollessa latausjaksossa, kytkentäaikaa ei ole. |
Tuleva verkkovirta | 230 V AC - 240 V AC, 47-63 Hz. |
Verkkosulake | Katso taulukko: Sulakkeet. |
Osoitus | LED piirilevyssä/kaapin ovessa. |
Hälytys
Hälytys näkyy kaapin etuosassa olevalla merkkivalolla.
Akun kennovika tai akkua ei ole kytketty.
Vika laturissa, alijännite.
Laturin vika, ylijännite.
Matala järjestelmäjännite, verkkojännite alle 24,0 V verkkokäytössä.
Alhainen akun jännite, alle 24,0 V DC tai virtakatkos.
Sähkökatkon hälytys.
Peukalointikytkin.
Sulakkeen vika.
Ikääntynyt akku
Hälytystoimintojen laajentaminen voidaan saavuttaa tiedonsiirron tai hälytyskortin avulla.
Sulakkeet | Tyyppi |
|---|---|
5 A | T5A |
10 A | T10A |
Verkkosulake 24 V:n laitteissa 15 A asti | T2.5AH250V. Keraaminen. |
Tiedot | Selitys |
|---|---|
Syväpurkaussuoja | Joo. 24 V yksiköiden suojaus 20, +/- 0,5 V jännitteellä. |
Ylijännitesuoja | Joo |
Ylikuumenemissuoja | Joo |
Oikosulkusuojattu | Joo |
Tekniset tiedot, relekortti NOVA-sarja (PRO3/NEO3)
Tiedot | Selitys |
|---|---|
Kortin nimi: | PRO3 hälytyskortti |
Versio: | 1.2 |
Tuotteen Kuvaus | Hälytyskortti varten PRO3 tai NEO 3 varoituksella vaihtoreleessä. Kaikki releet ovat normaalisti jännitteisiä ja antavat hälytyksen, kun ne ovat jännitteettömät. |
Suositeltava ympäristö | Sisätiloissa, luokka 1. Ympäristön lämpötila: +5°C – 40°C. |
Suojausluokka | IPX0 |
Suositeltu asennus | NOVA-sarja (vain 5 A ja 10 A) |
Tulojännite | 13,6 VDC, 27,3 VDC |
Itse taivutus | 40mA |
Hälytys kautta | Kytkentärele |
Hälytyslähtöjen määrä | 4 kpl. |
Sertifioitu mukaan | EN 50131-6, SBF 110:8, SSF1014, Täyttää hälytysluokan 4, SSF 1014, painos 5 |
Varmenteen numero (SBSC) | 20-117 |
Tuote täyttää vaatimukset | CE-direktiivi mukaan: 765/2008, EMC-direktiivi 2014/30EU, Päästöt: EN61000-6-:2001, EN55022:1998:-A1:2000, A2:2003 Class B, EN61000-3-2:2001, EN6 Immunity - 6-2:2005, EN61000-4-2, -3, 4, -5, -6, -11. SS-EN 50 130-4:2011 Edition 2 & SSF1014 Hälytysluokka 1-4 (murtohälytys). |
Tuottaja | Milleteknik AB |
Alkuperämaa | Ruotsi |
Hälytysten yleiskatsaus aakkosjärjestyksessä | Rele 1* / Hälytyslähtö 1 | Rele 2* / Hälytyslähtö 2 | Rele 3* / Hälytyslähtö 3 | Rele 4* / Hälytyslähtö 4 | RS-232-tiedonsiirto (P5:1-9) - Koskee vain laitteita, joissa on järjestelmätuki (Bravida). | Merkkivalo emolevyssä ja LED ovessa. |
|---|---|---|---|---|---|---|
Sähkökatkos | X | - | - | - | X | X |
Sulakkeen vika | - | X | - | - | X | X |
Peukalointikytkin | - | - | - | X | X | X |
Tuulettimen virhe | - | - | - | - | X | - |
Laturin vika, ylijännite | - | X | - | - | X | X |
Vika laturissa, alijännite | - | X | - | - | X | X |
Kennovika tai akkua ei ole kytketty | - | X | - | - | X | X |
Matala järjestelmäjännite (järjestelmän jännite alle 24,0 V verkkokäytössä). | - | - | X | - | X | X |
Alhainen akun jännite (<24,0 V DC) tai virtakatkos | - | X | - | - | X | X |
Ylilämpötila | - | - | - | - | X | - |
Hypotermia | - | - | - | - | X | - |
Hypotermia | - | - | - | - | X | - |
Lyhyt akun kesto jäljellä | - | - | - | - | X | - |
Vanha akku** | - | X** | - | - | X** | X** |
Ylivirta 100%, minuutin keskiarvo | - | - | - | - | X | - |
Ylivirta 80%, päivittäinen keskiarvo | - | - | - | - | X | - |
Ylivirta 175%, toinen keskiarvo | - | - | - | - | X | - |
*Hälytys potentiaalivapaassa relekoskettimessa. *** Nro NEO-akkuvarmistuksissa. | ||||||
RS-485 sivulla P4:1-4 | Selitys |
|---|---|
P4:1 | GND, maadoitettu |
P4:2 | RX |
P4:3 | TX |
P4:4 | +5V |
Virtalähde
Virtalähde - Tekniset tiedot LRS-150-24
Laite: |
|---|
NOVA 24V 5A FLX L |
Tietoja | Selitys |
|---|---|
Lähtöjännite | 27,3 V |
Lähtövirta: | 0 A - 6,5 A |
Lähtöjännite, aaltoilu | 200 mVp-p |
Ylijännite | 28,8 V - 33,6 V |
Lähtöjännite, uudelleenlataus, aaltoilu/virran rajoitus | Alle 0,6 Vp-p |
Hyötysuhde: | 89 % |
Virranrajoitus: | 110 % - 140 % |
Tasajännite: | +/- 0,5 % |
Säätötarkkuus: | + / - 1,0 % |
Tulovirta (230 V) | 1,7 A |
Verkkojännitteen taajuus | 47 Hz- 63 Hz |
Verkkojännite | 230 V AC - 240 V AC |
Nimellisteho | 156 W |
Lämpötila-alue | -30°C - +70°C |
Ilmankosteusalue | 20–90 % RH ei tiivistyvä |
Virtalähde - Tekniset tiedot RSP-320-24
Laite: |
|---|
NOVA 24V 10A FLX L |
Tietoja | Selitys |
|---|---|
Lähtöjännite: | 27,3 V |
Lähtövirta | 0 A - 13,4 A |
Lähtöjännite, aaltoilu | 150 mVp-p |
Ylijännite | 27,6 V - 32,4 V |
Lähtöjännite, uudelleenlataus, aaltoilu/virran rajoitus | Alle 1,2 Vp-p |
Hyötysuhde: | 89 % |
Virranrajoitus: | 105 % - 135 % |
Tasajännite: | +/- 0,5 % |
Säätötarkkuus: | +/- 1,0 % |
Tulovirta (230 V) | 2 A |
Verkkojännitteen taajuus | 47 Hz- 63 Hz |
Verkkojännite | 230 V AC - 240 V AC |
Nimellisteho | 321,6 W |
Lämpötila-alue | -30°C - +70°C |
Ilmankosteusalue | 20–90 % RH ei tiivistyvä |
Teknisten tietojen kotelo
Kotelot - Tekniset tiedot FLX L
Tiedot | Selitys |
|---|---|
Nimi | FLX L |
Suojausluokka | IP 32 |
Mitata | Korkeus: 444 mm, leveys 438 mm, syvyys 212 mm |
Korkeusyksiköt | 10 HE |
Asennus | Seinä tai 19" teline |
Ympäristön lämpötila | +5...+40 °C. Parhaan akun eliniän saavuttamiseksi: +15...+25 °C. |
Ympäristö | Ympäristöluokka 1, sisätilat. 20–90 % Suhteellinen kosteus |
Materiaali | Pulverimaalattu pelti |
Väri | Musta |
Kaapeliläpiviennit, määrä | 4 |
Sopivat akut | 2 kpl 12 V, 45 Ah. |
Tuuletin | Joo |
Linkki uusimpiin tietoihin
Tuotteita päivitetään jatkuvasti, löydät aina uusimmat tiedot verkkosivuiltamme.
Takuu, tuki, valmistusmaa ja alkuperämaa
Takuu 5 vuotta
Tuotteella on viiden vuoden takuu ostopäivästä (ellei toisin ole sovittu). Ilmainen tuki takuuaikana on tavoitettavissa osoitteessa support@milleteknik.se tai puhelin, 031-34 00 230. Takuu ei sisällä matka- ja/tai työajan korvausta vianpaikannukseen, korjatun tai vaihdetun tavaran asennukseen. Ota yhteyttä Milleteknikiin saadaksesi lisätietoja. Milleteknik tarjoaa tukea tuotteen elinkaaren ajan, mutta enintään 10 vuotta ostopäivästä. Jos Milleteknik katsoo, että korjaaminen ei ole mahdollista, tuote voidaan vaihtaa vastaavaan tuotteeseen. Tukikulut lisätään takuuajan päätyttyä.
Tekninen tuki
Valmistajat tarjoavat tukea tuotteen elinkaaren ajan, mutta enintään 10 vuoden ajan ostopäivästä. Vaihtaminen vastaavaan tuotteeseen voi tapahtua, jos valmistaja katsoo, että korjaaminen ei ole mahdollista. Tukikulut lisätään takuuajan päätyttyä.
Tekninen tuki
Tarvitsetko apua asennuksessa tai kytkemisessä?
Löydät vastaukset moneen kysymykseen osoitteesta: www.milleteknik.se/support
Puhelin: 031-340 02 30, sähköposti: support@milleteknik.se.
Tuki on avoinna: maanantaista torstaihin 8.00-16.00, perjantaisin 8.00-15.00. Suljettu klo 11.30-13.15.
Varaosat
Tukipalvelu vastaa varaosia koskeviin kysymyksiin, katso yhteystiedot yllä.
Tuki takuuajan jälkeen
Milleteknik tarjoaa tukea tuotteen elinkaaren ajan, mutta enintään 10 vuotta ostopäivästä. Vaihtaminen vastaavaan tuotteeseen voi tapahtua, jos valmistaja katsoo, että korjaaminen ei ole mahdollista. Tukikulut lisätään takuuajan päätyttyä.
Kysymyksiä tuotteen suorituskyvystä?
Myynnin puhelinnumero: 031- 340 02 30, sähköposti: sales@milleteknik.se
Ota yhteyttä
Milleteknik AB
Ögärdesvägen 8 B
433 30 Partille
Ruotsi
+46 31-34 00 230
www.milleteknik.se
Valmistusmaa
Ruotsi
Valmistaja
Suunnitteli ja valmistaa Milleteknik AB
Tuotteen elinikä, ympäristövaikutukset ja kierrätys
Tuote on suunniteltu ja valmistettu pitkää käyttöikää varten, mikä vähentää ympäristövaikutuksia. Tuotteen käyttöikä (kuluvia osia lukuun ottamatta) riippuu muun muassa ympäristötekijöistä, pääasiassa ympäristön lämpötilasta, komponenttien odottamattomasta kuormituksesta, kuten salamaniskusta, ulkoisista vaikutuksista, käsittelyvirheistä jne. Tuotteet kierrätetään toimittamalla ne lähimpään kierrätyspisteeseen tai lähettämällä ne takaisin valmistajalle. Ota yhteyttä jakelijaasi saadaksesi lisätietoja. Kierrätyksestä aiheutuneita kustannuksia ei korvata.

Akut
Akut eivät sisälly
Akut myydään erikseen.
Akkuyhdistelmät NOVA FLX L
Akun kapasiteetti (Ah) | Akkutyyppi | Paristojen lukumäärä | Akut yksikössä |
|---|---|---|---|
45 Ah | 45 Ah | 2 kpl. | 2 varaparistossa |
90 Ah | 45 Ah | 4 kpl. | 2 kohdassa Battery Backup 2 akkukotelossa 1 |
135 Ah | 45 Ah | 6 kpl. | 2 kohdassa Battery Backup 2 akkukotelossa 1 2 akkukotelossa 2 |
180 Ah | 45 Ah | 8 kpl. | 2 varaparistossa 2 akkukotelossa 1 2 akkukotelossa 2 2 akkukotelossa 3 |
225 Ah | 45 Ah | 10 palaa. | 2 varaparistossa 2 akkukotelossa 1 2 akkukotelossa 2 2 akkukotelossa 3 2 akkukotelossa 4 |
Sertifioitu akkutyypillä
Yksikkö on sertifioitu UPLUS-akulla, jota on käytettävä sertifikaatin ylläpitämiseen.
45 Ah, 12 V AGM akku
Sopii sisään | Paristojen lukumäärä |
|---|---|
NOVA 24V 5A FLX L | 2 |
NOVA 24V 10A FLX L | 2 |
Akkutyyppi | V | Ah |
|---|---|---|
Huoltovapaa AGM, lyijyakku. | 12 V | 45 Ah |
Tuotenumero | Sähköpostinumero | Tuotteen nimi | Terminaali | Mitata. Korkeus leveys syvyys | Paino per kappale | Tehdä |
|---|---|---|---|---|---|---|
MT113-12V45-01 | 5230546 | UPLUS 12V 45Ah 10+ Suunniteltu kestävä akku | M6 pultti | 197x165x170 mm | 14,5 kg | UPLUS |
Varakäyttöajat – yleiskatsaus
Taulukossa esitetään odotettavissa oleva varakäyttöaika varmennusakun eri kuormituksilla.
Tärkeää
Tämä on suuntaa-antava, ja kaikki ajat ovat likimääräisiä ja voivat poiketa todellisista ajoista. Kuormitus, lämpötila ja muut tekijät vaikuttavat asiaan, joten tarkkaa aikaa ei voida antaa.
Koskee uusia akkuja.
Ampeerit ja akut vaihtelevat kokoonpanon mukaan, tarkista, kestääkö kokoonpano akkuja ja ampeeria.
Kuormitus | 7,2 Ah | 14 Ah | 28 Ah | 45 Ah |
|---|---|---|---|---|
Kuormitus | Varakäyttöaika (noin), minuuttia | |||
0,5 A | 450 | 820 | 1650 | 2350 |
1 A | 260 | 485 | 970 | 1460 |
2 A | 150 | 280 | 560 | 920 |
4 A | 90 | 165 | 335 | 550 |
6 A | 67 | 125 | 245 | 405 |
8 A | 57 | 105 | 210 | 350 |
10 A | 44 | 80 | 160 | 270 |
12 A | 38 | 70 | 140 | 235 |
14 A | 33 | 60 | 120 | 200 |
16 A | 28 | 50 | 100 | 170 |
18 A | 25 | 45 | 89 | 150 |
20 A | 23 | 42 | 84 | 142 |
Keskivirta | 28 Ah | 42 Ah | 65 Ah | 70 Ah |
|---|---|---|---|---|
- | 4 akkua (14 Ah) | 6 akkua (14 Ah) | 4 akkua (20Ah + 45 Ah) | 10 akkua (7 Ah) |
Kuormitus | Varakäyttöaika (noin), minuuttia | |||
0,5 A | 1650 | 2090 | 5574 | 3440 |
1 A | 970 | 865 | 3252 | 2118 |
2 A | 560 | 815 | 1770 | 1329 |
4 A | 335 | 490 | 930 | 864 |
6 A | 245 | 360 | 600 | 605 |
8 A | 210 | 310 | 426 | 544 |
10 A | 160 | 240 | 342 | 414 |
12 A | 140 | 210 | 270 | 363 |
14 A | 120 | 180 | 234 | 311 |
16 A | 100 | 150 | 204 | 286 |
18 A | 90 | 130 | 150 | 254 |
20 A | 84 | 126 | 138 | 241 |
Keskivirta | 90 Ah | 110 Ah | 135 Ah | 155 Ah |
|---|---|---|---|---|
- | 4 paristoa (45Ah) | 6 paristoa (20 Ah + 45 Ah) | 6 akkua (45Ah) | 8 paristoa (20 Ah + 45 Ah) |
Ladataan | Varaa käyttöaika (n.), minuuttia | |||
0,5 A | 4705 | 5796 | 7056 | 8215 |
1 A | 2928 | 3582 | 4392 | 5070 |
2 A | 1836 | 2247 | 2754 | 3230 |
4 A | 1183 | 1438 | 1762 | 2018 |
6 A | 788 | 959 | 1175 | 1345 |
8 A | 748 | 861 | 1048 | 1150 |
10 A | 570 | 689 | 839 | 920 |
12 A | 499 | 603 | 699 | 765 |
14 A | 427 | 516 | 629 | 655 |
16 A | 404 | 499 | 592 | 590 |
18 A | 359 | 444 | 526 | 520 |
20 A | 340 | 420 | 498 | 495 |
Keskivirta | 180 Ah | 200 Ah | 225 Ah |
|---|---|---|---|
- | 8 paristoa (45Ah) | 10 akkua (20 Ah + 45 Ah) | 10 akkua (45Ah) |
Ladataan | Varaa käyttöaika (n.), minuuttia | ||
0,5 A | 9408 | 12972 | 11760 |
1 A | 5856 | 7872 | 7320 |
2 A | 3672 | 4548 | 4590 |
4 A | 2365 | 2670 | 2945 |
6 A | 1577 | 1780 | 1960 |
8 A | 1500 | 1558 | 1800 |
10 A | 1140 | 1246 | 1410 |
12 A | 950 | 1038 | 1200 |
14 A | 855 | 890 | 1055 |
16 A | 810 | 902 | 995 |
18 A | 715 | 802 | 885 |
20 A | 680 | 722 | 840 |
Kirjoitusvirheiden varaa.
Akkukotelon liitäntä
Akkujen liittäminen FLX L:ssä

Huomaa, että kortti (4) eroaa eri kokoonpanoista.
Nro | Selitys |
|---|---|
1 | + ja - akkukaapeli akkusulakkeesta. |
2 | Akun sulake. |
3 | + ja - akkukaapeli emolevyltä. |
4 | Emolevy, vaihtelee kokoonpanon mukaan. |
5 | Akkukaapelit emolevyltä. |
6 | Liitäntä akkukotelon liittämistä varten. |
A | Negatiivinen napa akkusulakkeesta tulevalle akkukaapelille. |
B | Akun sulake. |
C | Positiivinen napa akkukaapelille liittämistä varten akkuvaraajaan. |
D | Liitäntä akun varavirtalähteeseen liittämistä varten. |
Akkukotelon asennus, mitä tehdä akkuvarmistuksessa
Kaapelin läpivienti/poistoaukko on akun varaosan pohjassa ja se on katkaistava ennen asennusta.
Yksikön on oltava jännitteettömänä asennuksen ja kytkennän aikana.
Käytä akkukotelon mukana toimitettuja johtoja kohdataksesi vara-akun johdotuksen.

Kuvassa kaapeliliitäntä akkuvarmistuksesta kohtaamiskaapelit akkukotelosta ja kaapeli, joka leikataan paristovarmistukseen silmukan muodostamiseksi peukalointikosketinta varten.
Akkukotelon akkujen kytkentäkaavio
Akun johdot on asennettu akkukoteloon toimituksen yhteydessä. Kuvassa näkyy kuinka kaapelit tulee kytkeä.
Varoitus
Laitteet voivat vaurioitua, jos liitäntä on väärä.

Huomaa
Akkujen välinen sulaketyyppi vaihtelee kokoonpanon mukaan.
Akkukotelon liitäntä akkuvarmistuksella

Kuvassa on yleiskatsaus akkukaapeleiden ja akkusulakkeiden liitäntöihin.
Akun johdotus | Selitys |
|---|---|
B1+ | Yhdistetään sulakkeeseen. |
B1- | Emolevyn kaapeli on kytketty akkuun. |
B2+ | Emolevyn kaapeli on kytketty akkuun. |
B2- | Yhdistetään sulakkeeseen. |
B3+ | Yhdistetään sulakkeeseen. |
B3- | Yhdistetään liitäntäliittimen kautta akkuvarastoon kuuluvaan akkuun. |
B4+ | Yhdistetään liitäntäliittimen kautta akkuvarastoon kuuluvaan akkuun. |
B4- | Yhdistetään sulakkeeseen. |
Määrä | Selitys |
|---|---|
1 | Akun sulake. |
2 | Yhdistä akkuvarmistus ja akkukotelo valkoisella, 9-napaisella nelikulmaisella liittimellä. |
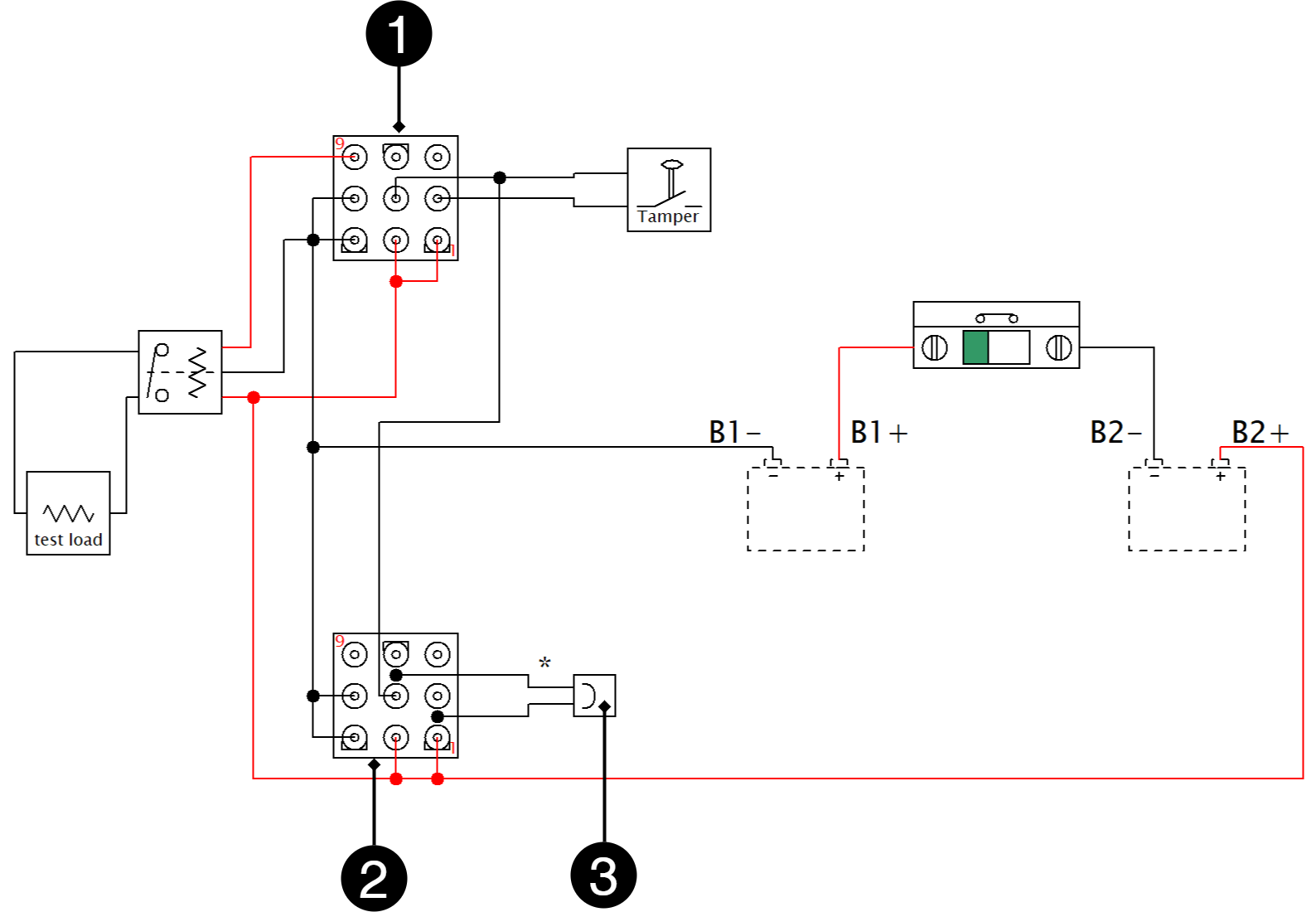
Kytkentäkaavio ja jumpperi
Hälytin-peukalointikosketin on kytketty sarjaan ja siksi silmukan tulee olla katkeamaton viimeiseen akkukotelon kaapeliin. Jumper sulkee jokaisen kaapelin silmukan, joka menee akkuvarmistuksesta akkukoteloon ja jotta hälytys saadaan akkukotelon peukalointikoskettimesta, kaapelin hyppyjohdin on leikattava. Älä katkaise hyppyjohdinta akkukotelon viimeisestä kaapelista, silloin ei anneta hälytystä peukaloinnin johdosta mihinkään liitettyyn akkuvaraajaan tai akkukoteloon.


Määrä | Selitys |
|---|---|
1 | IN - saapuva yhteys |
2 | OUT - lähtevä yhteys |
3 | Lähtevän yhteyden pistorasiassa hyppyjohdin |
Yksiköt | Puskuri - minne leikata / ei leikata | Missä silmukan pään pitäisi olla |
|---|---|---|
Vara-akku ilman akkulaatikkoa | Älä leikkaa jumpperia | Puskurin on pysyttävä akun varassa |
Vara-akku + 1 akkulaatikko | Katkaise hyppyjohdin paristovarmistuksesta | Puskurin on jäätävä akkukoteloon 1 |
Akkuvaraus + 2 akkulaatikkoa | Leikkaa hyppyjohdin akkuvarastoon ja akkukotelosta 1 | Puskurin on jäätävä akkukoteloon 2 |
Kaavioinen kytkentä akkuvarastoon neljällä akkukotelolla

Peukalointikosketin lisäakkukotelossa
Jos yksikköön on kytketty yksi tai useampi akkukotelo, peukaloskettimet on kytkettävä sarjaan, jotta hälytykset tulevat kaikista laitteista. On tärkeää, että sarjaliitäntä on sulkeutunut viimeisessä peukalointikoskettimessa. Sarjakytkennän tulee alkaa laitteesta ja kääntyä takaisin viimeisessä akkukotelossa.
Kaikkien peukalointikoskettimien on oltava sarjassa, jotta kaikki peukaloskettimet on sisällytettävä hälytysketjuun. Siksi yhdeksännapaiseen liittimeen kiinnitetty kaapeli on leikattava. Viimeisen liitännän/akkukotelon siltakaapelia ei saa katkaista.
Osoite ja yhteystiedot
Milleteknik AB |
Ögärdesvägen 8 B |
S-433 30 Partille |
Ruotsi |
+46 31 340 02 30 |
info@milleteknik.se |
www.milleteknik.se |
[1] Käännökset muilla kielillä kuin ruotsiksi ovat vain ohjeellisia, eikä niitä tarkisteta turvallisesti. Käännökset on aina tarkistettava ruotsinkieliseen alkuperäiskappaleeseen oikeiden tietojen varmistamiseksi













