Om översättning av detta dokument
Bruksanvisning i originalspråk på Svenska. Andra språk är maskinöversatta och ej granskade, fel kan förekomma.
Battery box 24V FLX S
Battery box 24V FLX S har plats för fyra stycken batterier och monteras under batteribackup på vägg eller i 19" rack.
Komponentöversikt Battery box FLX S
![]() |
Batterier skall placeras som på bilden. Bilden ger även en översikt av kopplingspunkter för batterikablar och batterisäkring.
Nummer | Förklaring |
|---|---|
A | Konsol, vändbar för montering i vägg eller 19" rack. |
B | Sabotagekontakt. Skall larmklass 3 (SSF) uppfyllas skall sabotagekontakt sitta på vägg. |
C | Skåp i pulverlackad plåt. |
D | Batterier. |
E | Kabelgenomföringar. |
F | Låsbar dörr. |
G | Batterisäkringar. |
Skjut fast konsoler
Enheten kan monteras i 19” rack eller på vägg. Medföljande konsoler kan fästas på två sätt: Vid montering på vägg skall konsolerna sitta bakåt, mot vägg. Vid montering i 19” rack skall konsolens sitta i framkant på enheten.

Vänster konsol: vänd mot framsidan för montering i 19" rack.
Höger konsol vända mot baksidan för montering på vägg.
Viktigt
Lämna 100 mm fritt kring luftgaller.
Montering Battery box 24V FLX S till batteribackup i FLX S-kapsling
Batteriboxen monteras på vägg eller i 19" rack under batteribackup.
Kabelgenomföringar finns i kapslingens överkant och i mitten på dess baksida.

Placering av batterier i Battery box 24V FLX S

Nr | Förklaring |
|---|---|
1 | Skjut de första batterierna. Sitter det en sabotagekontakt här skall batteriet skjutas in bakom sabotagekontakten. |
2 | Skjut in de andra två batterierna. |
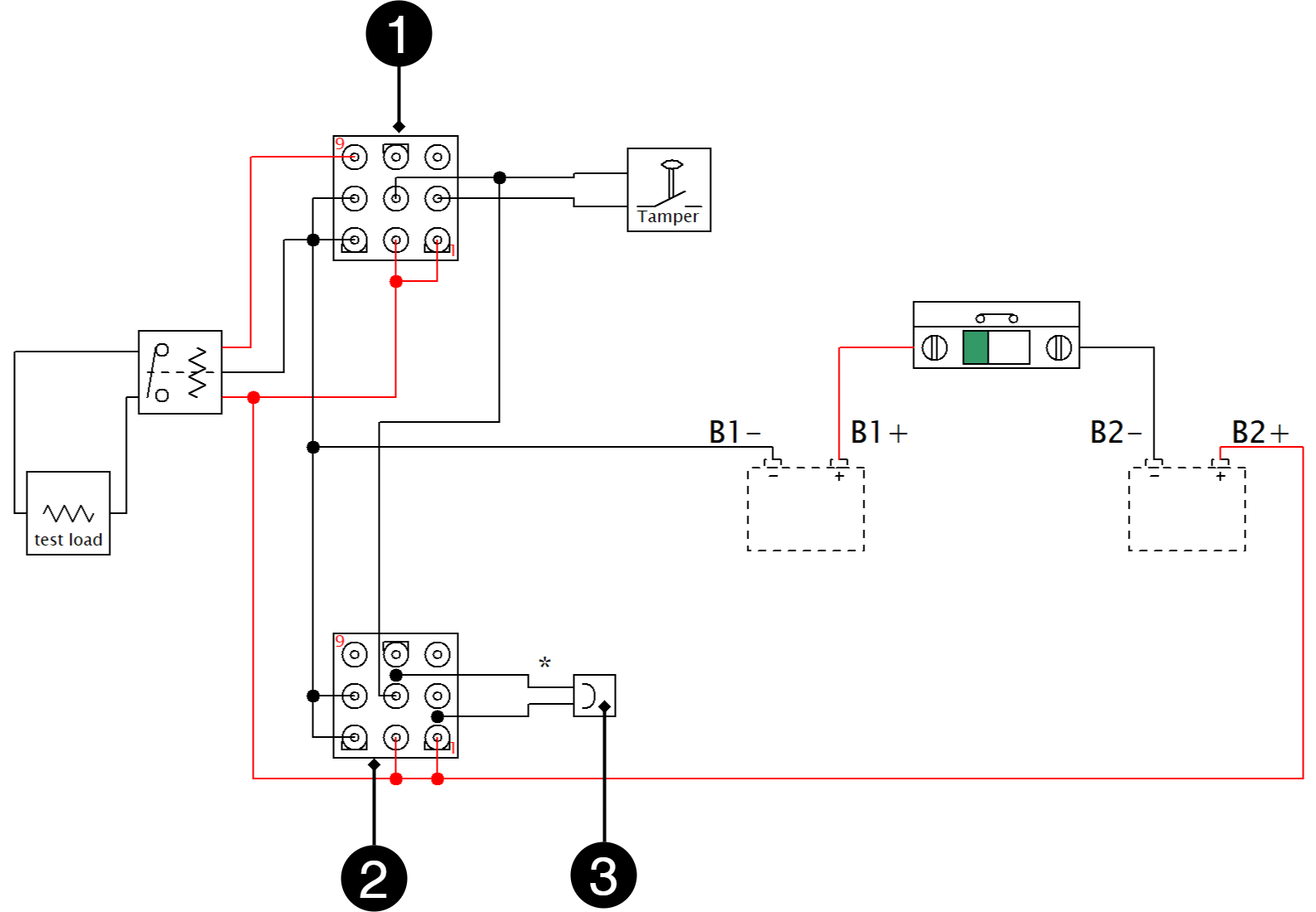
Inkoppling batteribox med batteribackup


Bilden visar en batteribackup med en batteribox.
Bilden ger även en översikt över kopplingar för batterikablar och batterisäkringar.
Batterikablage | Förklaring |
|---|---|
B1+ | Kopplas till säkring |
B1- | Kabel från moderkort kopplas till batteri |
B2+ | Kabel från moderkort kopplas till batteri |
B2- | Kopplas till säkring |
B3+ | Kopplas till säkring |
B3- | Kopplas till B6- |
B4+ | Kopplas B5+ |
B4- | Kopplas till säkring |
B5+ | Se B4+ |
B5- | Kopplas till säkring |
B6+ | Kopplas till säkring |
B6- | Se B3- |
Nummer | Förklaring |
|---|---|
1 | Kablage från batteribackup på dubbelstift i batteribackup. |
Battery box 24V FLX M
Battery box 24V FLX M har plats för två stycken 45 Ah batterier och monteras under batteribackup på vägg eller i 19" rack.
Batterier och certifikat
Batterier måste vara nya vid installation och batteribyte för att garanti och certifierade normer skall upprätthållas.
Använd alltid samma batterimärke och typ som enheten är certifierad tillsammans med.
Komponentöversikt Battery box FLX M
![]() |
Batterier skall placeras som på bilden. Bilden ger även en översikt av kopplingspunkter för batterikablar och batterisäkring.
Nummer | Förklaring |
|---|---|
A | Konsol, vändbar för montering i vägg eller 19" rack. |
B | Sabotagekontakt, Skall larmklass 3 (SSF) uppfyllas skall sabotagekontakt sitta på vägg. |
C | Skåp i pulverlackad plåt. |
D | Batterier. |
E | Anslutning till batteribackup. |
F | Låsbar dörr. |
G | Batterisäkring. |
H | Anslutning till nästa batteribox |
Skjut fast konsoler
Enheten kan monteras i 19” rack eller på vägg. Medföljande konsoler kan fästas på två sätt: Vid montering på vägg skall konsolerna sitta bakåt, mot vägg. Vid montering i 19” rack skall konsolens sitta i framkant på enheten.

Vänster konsol: vänd mot framsidan för montering i 19" rack.
Höger konsol vänd mot baksidan för montering på vägg.
Viktigt
Lämna 100 mm fritt kring luftgaller.
Montering av Battery box 24V FLX M med batteribackup / strömförsörjning i FLX M- eller FLX L-kapsling
Batteribox skjuts in under kapslingen ovan. Kapslingen skruvas därefter fast i rack eller vägg. De bägge kapslingarna skall möta varandra utan glapp.

Nr | Förklaring |
|---|---|
1 | Spår i kapsling. |
2 | Utskjutande del på tak av skåp. |
Placering av batterier

Nr | Förklaring |
|---|---|
1 | Skjut den första batteriet. Sitter det en sabotagekontakt här skall batteriet skjutas in bakom sabotagekontakten. |
2 | Skjut in det andra batteriet. |
Inkoppling batteribox med batteribackup

Bilden ger en översikt över kopplingar för batterikablar och batterisäkringar.
Batterikablage | Förklaring |
|---|---|
B1+ | Kopplas till säkring. |
B1- | Kabel från moderkort kopplas till batteri. |
B2+ | Kabel från moderkort kopplas till batteri. |
B2- | Kopplas till säkring. |
B3+ | Kopplas till säkring. |
B3- | Kopplas via anslutningskontakt till batteri i batteribackup. |
B4+ | Kopplas via anslutningskontakt till batteri i batteribackup. |
B4- | Kopplas till säkring. |
Nummer | Förklaring |
|---|---|
1 | Batterisäkring. |
2 | Koppla ihop batteribackup och batteribox med vit, 9-polig, fyrkantig anslutningskontakt. |
Inkopplingsschema och bygel
Larm till sabotagekontakt seriekopplas och därför måste slingan vara obruten till sista batteriboxkablaget. Bygel sluter slingan på varje kablage som går från batteribackup till batteribox och för att larm skall ges på sabotagekontakten i batteriboxen måste bygel på kablage klippas. Klipp inte bygel på sista kablage i batteribox, då kommer larm för sabotage inte ges i någon tillkopplad batteribackup eller batteribox.


Nummer | Förklaring |
|---|---|
1 | IN - inkommande anslutning |
2 | UT - utgående anslutning |
3 | Bygel på sockel på utgående anslutning |
Enheter | Bygel - var du skall klippa / ej klippa | Var slutningen i slingan skall vara |
|---|---|---|
Batteribackup utan batteribox | Klipp ej bygel | Bygling skall vara kvar i batteribackup |
Batteribackup + 1 batteribox | Klipp bygel från batteribackup | Bygling skall vara kvar i batteribox 1 |
Batteribackup + 2 batteriboxar | Klipp bygel i batteribackup och från batteribox 1 | Bygling skall vara kvar i batteribox 2 |
Justering av sabotagekontakt
![]() |
Sabotagekontaktens hävarm skall vid stängd skåpdörr vara i slutet läge (stängd). Går larm (”tamper alarm” / larm till undercentral) kan hävarmen behöva justeras.
Hävarmen justeras genom följande steg:
Nyp åt med en plattång mitt på hävarmen.
Justera hävarmen försiktigt åt önskat håll (upp/ner).
Kontrollera genom att stänga dörren. Ett klick hörs när kontakten sluts.
Obs!
Sabotagekontakten skall inte larma vid stängd och låst dörr.
Sabotagekontakt och larmklass 3/4 enligt SSF1014
Sabotagekontakt skall fästas i vägg för att uppfylla larmklass 3/4 enligt SSF1014.
Sabotagekontakten skall anslutas till huvudkortet.
Om avståndet är längre från vägg vid exempelvis montering i rack behöver distans sättas. Det är installatörens ansvar att montera lämplig distans. Sabotagekontakten i skåpet skall sluta när skåpdörren stängs. Går larm (”tamper alarm” / larm till undercentral) kan hävarmen behövas justeras.
Toleransnivåer för sabotagekontakt: Larm skall utlösas vid: Öppnande av skåpdörr; > 1 mm. Bortbrytande av enhet från vägg: > 2.5 mm.

Bilden visar placering i batteribackup och batteribox.

Underhåll
Systemet, med undantag för batterier, är underhållsfritt vid installation i inomhusmiljö.
Batterier
Batterier alstrar elektricitet genom en kemisk process och det sker därmed en naturlig degradering av kapacitet. Den största faktorn för batteriers livslängd är temperatur. Ju högre temperatur desto kortare livslängd på batterier. Tillverkningsdatum som är präglat på batteriet och livslängden (som batteritillverkaren anger). En ideal temperatur är 20 °C både i drift och i förvaring. Högre omgivningstemperatur försämrar kraftigt livslängden. Således varierar faktisk livslängd när det används. Batterier bör bytas efter halva angiven (från batteritillverkaren) livslängd för säker drift. Batterier inköpta via batteribackupens tillverkare har en livslängd (från batteritillverkaren) på mellan 10-12 år med rekommenderat byte efter 5-6 år.

Batteribyte
Bryt, om möjligt, nätspänning vid batteribyte.
Koppla bort batterikablar. Notera hur batterikablar är monterade innan de avlägsnas.
Tag bort batterisäkring mellan batterier.
Sätt in fast de nya batterierna.
Anslut batterikablarna på samma sätt som tidigare.
Sätt fast batterisäkring mellan batterier.
Slå till nätspänning. Eventuellt kan indikeringsdioden lysa för låg batterispänning / nätbortfall tills batterier är laddade. Det kan ta upp till 72 timmar innan batterierna är fulladdade.
För att systemet skall mäta in nya batteriers kapacitet behöver enheten rensa tidigare batterikapacitet. Dip-switch 8 gör en mjukvaru-reset som bland annat nollställer larm. Se Återställning av data efter batteribyte, Dip-switch 8
Testa systemet genom att kortvarigt koppla bort nätspänning, (= lasten skall drivas vidare av batterierna), och därefter slå till nätspänningen igen.
Batteriåtervinning
Alla batterier skall återvinnas. Återlämna till tillverkare eller lämna till återvinningsstation.

Underhållsschema batterier och batteribackup
Underhållsschemat för batterier gäller fabrikat UPLUS och med följande seriebenämningar: US, USL och USF. För skötselanvisningar se separat underhållsschema på www.milleteknik.se.
Seriebeckning | Batteriyp | Byt batteri efter* |
|---|---|---|
XLT (EJ för NOVA och EN54). | 3-5 års | 2-3 år |
US | 6-9 års | 3-5 år |
USL | 10-12 års | 5-7 år |
USF | 12 års | 8-10 år |
* batteriets livslängd beror främst på omgivningstemperatur och laddström. Ett AGM batteri skall aldrig ladda med mer än 30 % av dess märkkapacitet. Batterier kommer att laddas fullt, men får inte laddas med högre spänning är 30% av dess märkkapacitet. | ||
Laddspänning från nätaggregat | 12 V enheter | 24 V enheter | 48 V enheter |
|---|---|---|---|
Minsta laddspänning | 13,6 V | 27,2 V | 54,4 V |
Högsta laddspänning | 13,7 V | 27,4 V | 54,8 V |
Tolerans | +/- 0,5% | +/- 0,5% | +/- 0,5% |
Polspänning | Efter 15 minuters vila efter laddning. |
|---|---|
Minsta polspänning | 12,9 V |
Högsta tillåten skillnad mellan batteripar | 0,5 V |
Nytt batteri med polspänning under 12,0 V är defekt och skall reklameras till leverantör. | |
Temperatur i batteribackup | Temperatur |
|---|---|
Lägsta | 15 °C |
Rekommenderad | 20 °C - 25 °C |
Högsta | 32 °C |
Garanti gäller endast om temperaturen ligger inom dessa nivåer. | |
Installationskontroll batterier
Kontrollera att batteriet är helt och rent och att polerna är fria från korrosion.
Kontrollera och notera temperaturen i batteriutrymmet.
Kontrollera polspänningen på varje batteri före installation. Om differensen mellan enskilda batterierna överstiger 0,3 V bör batterislingan utjämningsladdas i samband med installation. Om något batteri har en polspänning som understiger 12 V skall detta batteri bytas mot ett nytt batteri och reklameras till leverantör.
Kontrollera laddspänningen. Se tabell: Laddspänningar.
Årskontroll
Kontrollera att batteriet är helt och rent och att polerna är fria från korrosion. Om det finns korrosion på polerna: Kontrollera att batteriet inte läcker syra. Rengör sedan polerna och anslut batteriet igen. Smörj sedan med batteripolfett över ansluten pol.
Kontrollera och notera temperaturen i batteriutrymmet.
Kontrollera och notera medelströmmen.
Kontrollera att alla anslutningar är ordentligt fastsatta och att inget glapp förekommer.
Kontrollera att fläkt (om enheter har fläkt) fungerar felfritt. Rengör fläkten vid behov. Fläkt skall bytas efter 5-8 år.
Kontrollera laddspänningen genom att mäta med multimeter på batterierna.
Koppla bort batterier och låt batterierna vila i 10-15 minuter. Mät sedan polspänningen på varje batteri. koppla tillbaka batterier.
Produktblad / Tekniska data: Battery box 24 V FLX S, Battery box 24V FLX M
Copyright © Milleteknik AB
Alla uppgifter publiceras med reservation för fel. Ny dokumentation publiceras utan föregående meddelande.
Tekniska specifikationer: Battery box 24V FLX S och Battery box 24V FLX M - användningsområde

Batteribox kan monteras i 19" rack eller på vägg. Kapslingen är låsbar och två par nycklar medföljer.
En batteribox används för att utöka reservdrifttiden för en batteribackup eller för att ge möjlighet till högre strömmar i ett klassat system. Mer om möjliga medelströmmar hittar du i batteribackupens manual.
Batterier och certifikat
Batterier måste vara nya vid installation och batteribyte för att garanti och certifierade normer skall upprätthållas.
Använd alltid samma batterimärke och typ som enheten är certifierad tillsammans med.
Tillverkarens support
Tillverkare ger support under produktens livslängd, dock som längst 10 år efter inköpsdatum. Byte till likvärdig produkt kan förekomma om tillverkare bedömer att reparation inte är möjlig. Kostnader för support tillkommer efter det att garantitiden har gått ut.
Produktens livslängd, miljöpåverkan och återvinning
Produkten är designad och konstruerad för lång livslängd vilket minskar miljöpåverkan. Produktens livslängd (förutom slitagedelar) är beroende på, bland annat miljöfaktorer, främst omgivningstemperatur, oförutsedd belastning på komponenter som blixtnedslag, yttre åverkan, handhavandefel, med flera. Produkter återvinns genom att lämnas till närmaste återvinningsstation eller sändas åter till tillverkare. Kontakta din distributör för mer information. Kostnader som uppkommer i samband med återvinning ersätts ej.

Tekniska data Battery box 24V FLX S Battery box 24V FLX M
Systemspänning: | 24 V. |
Batterikapacitet, Battery box 24V FLX S | Två stycken 7,2 Ah eller två stycken 14 Ah. |
Batterikapacitet, Battery box 24V FLX M | Två stycken 45 Ah. |
Batterityp: | AGM-blysyra. |
Kapsling: | Pulverlackad plåt. |
Montering: | Vägg eller 19" rack. |
Tillverkningsland | Sverige |
Garanti för batteribox
Produkten har fem års garanti, från inköpsdatum. Support under garantitiden nås via kontaktinformationen på CE-etiketten. Ersättning för res- och eller arbetstid i samband med lokalisering av fel, installerande av reparerad eller utbytt vara ingår ej i garantin. Batterier omfattas ej av garantin.
CE-märkning
På varje produkt som sitter en CE-etikett med information om produkten och kontaktuppgifter till tillverkare. Saknar du något eller behöver mer information då skall du främst vända dig till återförsäljare som också skall kunna svara på frågor om garanti och support. Du kan alltid vända dig till tillverkaren om du har frågor om produktens prestanda.
![]() |
Tekniska data kapsling
Kapslingar - Tekniska Data FLX S
Info | Förklaring |
|---|---|
Namn | FLX S |
Kapslingsklass | IP 32 |
Mått | Höjd: 222 mm, bred 437 mm, djup 145 mm |
Höjdenheter | 5 HE |
Montering | Vägg eller 19" rack |
Omgivningstemperatur | +5 °C - +40 °C. För bästa batteri-livslängd: +15 °C till +25 °C. |
Omgivning | Miljöklass 1, inomhus. 20% ~ 90% relativ fuktighet |
Material | Pulverlackerad plåt |
Färg | Svart |
Kabelgenomföringar, antal | 4 |
Batterier som får plats | 4 stycken 14 Ah. |
Fläkt | Ja |
Kapsling - Tekniska Data
Info | Förklaring |
|---|---|
Namn | FLX M |
Kapslingsklass | IP 32 |
Mått | Höjd: 224 mm, bredd 438 mm, djup 212 mm |
Höjdenheter | 5 HE |
Montering | Vägg eller 19" rack. |
Omgivningstemperatur | +5 °C - +40 °C. För bästa batteri-livslängd: +15 °C till +25 °C. |
Omgivning | Miljöklass 1, inomhus. 20% ~ 90% relativ fuktighet |
Material | Pulverlackerad plåt. |
Färg | Svart |
Kabelgenomföringar, antal | 4 Knockout för truckhandske |
Batterier som får plats |
2 stycken 12 V, 45 Ah. |
Tekniska data: Tamperswich, Sabotagekontakt.
Artikelbenämning | Tamperswitch |
Typ | Microbrytare |
Spänning | 12 V / 24 V |
Batteriåtervinning
Alla batterier skall återvinnas. Återlämna till tillverkare eller lämna till återvinningsstation.

Batterier
Batterier ingår ej
Batterier säljs separat.
Batterikombinationer med Battery box 24V FLX S (14 Ah batterier)
Batterikapacitet (Ah) | Batterityp | Antal batterier | Batterier i enhet |
|---|---|---|---|
14 Ah | 14 Ah | 2 st. | 2 i batteribackup |
42 Ah | 14 Ah | 6 st. | 2 i batteribackup 4 i batteribox 1 |
70 Ah | 14 Ah | 10 st. | 2 i Batteribackup 4 i batteribox 1 4 i batteribox 2 |
Batterikombinationer Battery box 24V FLX M och batteribackup (20 Ah batterier)
Batterikapacitet (Ah) | Batterityp | Antal batterier | Batterier i enhet |
|---|---|---|---|
20 Ah | 20 Ah | 2 st | 2 i Batteribackup |
45 Ah | 45 Ah | 2 st | 0 i Batteribackup 2 i Batteribox 1 |
65 Ah | 20 Ah + 45 Ah | 4 st | 2 i Batteribackup 2 i Batteribox 1 |
90 Ah | 45 Ah | 4 st | 0 i Batteribackup 2 i Batteribox 1 2 i Batteribox 2 |
110 Ah | 20 Ah + 45 Ah | 6 st | 2 i Batteribackup 2 i Batteribox 1 2 i Batteribox 2 |
135 Ah | 45 Ah | 6 st | 0 i Batteribackup 2 i Batteribox 1 2 i Batteribox 2 2 i Batteribox 3 |
155 Ah | 20 Ah + 45 Ah | 8 st | 2 i Batteribackup 2 i Batteribox 1 2 i Batteribox 2 2 i Batteribox 3 |
180 Ah | 45 Ah | 8 st | 0 i Batteribackup 2 i Batteribox 1 2 i Batteribox 2 2 i Batteribox 3 2 i Batteribox 4 |
200 Ah | 20 Ah + 45 Ah | 10 st | 2 i Batteribackup 2 i Batteribox 1 2 i Batteribox 2 2 i Batteribox 3 2 i Batteribox 4 |
Batterikombinationer Battery box 24V FLX M och batteribackup (45 Ah batterier)
Batterikapacitet (Ah) | Batterityp | Antal batterier | Batterier i enhet |
|---|---|---|---|
45 Ah | 45 Ah | 2 st. | 2 i Batteribackup |
90 Ah | 45 Ah | 4 st. | 2 i Batteribackup 2 i Batteribox 1 |
135 Ah | 45 Ah | 6 st. | 2 i Batteribackup 2 i Batteribox 1 2 i Batteribox 2 |
180 Ah | 45 Ah | 8 st. | 2 i Batteribackup 2 i Batteribox 1 2 i Batteribox 2 2 i Batteribox 3 |
225 Ah | 45 Ah | 10 st. | 2 i Batteribackup 2 i Batteribox 1 2 i Batteribox 2 2 i Batteribox 3 2 i Batteribox 4 |
Certifierad med batterityp
Enheten är certifierad med UPLUS batteri som skall användas för att certifikat skall upprätthållas.
7,2 Ah, 12 V AGM-batteri
Passar i | Antal batterier |
|---|---|
Batterybox 24V FLX S | 4 |
Batterityp | V | Ah |
|---|---|---|
Underhållsfritt AGM, blysyra-batteri. | 12 V | 7,2 Ah |
Artikelnummer | E-nummer | Artikelnamn | Terminal | Mått. Höjd, bredd, djup | Vikt per styck | Fabrikat |
|---|---|---|---|---|---|---|
MT113-12V07-01 | 5230536 | UPLUS 12V 7,2Ah 10+ Design life batteri | Flatstift 6,3 mm | 151 x 65 x 100 mm. | 2,4 kg | UPLUS |
14 Ah, 12 V AGM-batteri
Passar i | Antal batterier |
|---|---|
Batterybox 24V FLX S | 4 |
Batterityp | V | Ah |
|---|---|---|
Underhållsfritt AGM, blysyra-batteri. | 12 V | 14 Ah |
Artikelnummer | E-nummer | Artikelnamn | Terminal | Mått. Höjd, bredd, djup | Vikt per styck | Fabrikat |
|---|---|---|---|---|---|---|
MT113-12V14-01 | 5230537 | UPLUS 12V 14Ah 10+ Design life batteri | Flatstift 6,3 mm | 151x98x101 mm | 4,2 kg | UPLUS |
45 Ah, 12 V AGM-batteri
Passar i | Antal batterier |
|---|---|
Batterybox 24V FLX M | 2 |
Batterityp | V | Ah |
|---|---|---|
Underhållsfritt AGM, blysyra-batteri. | 12 V | 45 Ah |
Artikelnummer | E-nummer | Artikelnamn | Terminal | Mått. Höjd, bredd, djup | Vikt per styck | Fabrikat |
|---|---|---|---|---|---|---|
MT113-12V45-01 | 5230546 | UPLUS 12V 45Ah 10+ Design life batteri | M6 Bult | 197x165x170 mm | 14,5 kg | UPLUS |
Reservdrifttider - översikt
Tabellen visar beräknad och förväntad reservdrifttid vid olika belastningar på batteribackupen.
Viktigt
Detta är en vägledning och alla tider är ungefärliga och kan avvika från faktiskt tider. Last, temperatur och andra faktorer spelar in varför exakt tid ej kan lämnas.
Gäller nya batterier.
Strömstyrka och batterier varierar med konfiguration, kontrollera om konfigurationen klarar batterier och strömstyrka.
Medelström | 28 Ah | 42 Ah | 65 Ah | 70 Ah |
|---|---|---|---|---|
- | 4 batterier (14 Ah) | 6 batterier (14 Ah) | 4 batterier (20Ah + 45 Ah) | 10 batterier (7 Ah) |
Belastning | Reservdrifttid (ca), minuter | |||
0,5 A | 1650 | 2090 | 5574 | 3440 |
1 A | 970 | 865 | 3252 | 2118 |
2 A | 560 | 815 | 1770 | 1329 |
4 A | 335 | 490 | 930 | 864 |
6 A | 245 | 360 | 600 | 605 |
8 A | 210 | 310 | 426 | 544 |
10 A | 160 | 240 | 342 | 414 |
12 A | 140 | 210 | 270 | 363 |
14 A | 120 | 180 | 234 | 311 |
16 A | 100 | 150 | 204 | 286 |
18 A | 90 | 130 | 150 | 254 |
20 A | 84 | 126 | 138 | 241 |
Medelström | 90 Ah | 110 Ah | 135 Ah | 155 Ah |
|---|---|---|---|---|
- | 4 batterier (45 Ah) | 6 batterier (20 Ah + 45 Ah) | 6 batterier (45 Ah) | 8 batterier (20 Ah + 45 Ah) |
Belastning | Reservdrifttid (ca), minuter | |||
0,5 A | 4705 | 5796 | 7056 | 8215 |
1 A | 2928 | 3582 | 4392 | 5070 |
2 A | 1836 | 2247 | 2754 | 3230 |
4 A | 1183 | 1438 | 1762 | 2018 |
6 A | 788 | 959 | 1175 | 1345 |
8 A | 748 | 861 | 1048 | 1150 |
10 A | 570 | 689 | 839 | 920 |
12 A | 499 | 603 | 699 | 765 |
14 A | 427 | 516 | 629 | 655 |
16 A | 404 | 499 | 592 | 590 |
18 A | 359 | 444 | 526 | 520 |
20 A | 340 | 420 | 498 | 495 |
Medelström | 180 Ah | 200 Ah | 225 Ah |
|---|---|---|---|
- | 8 batterier (45 Ah) | 10 batterier (20 Ah + 45 Ah) | 10 batterier (45 Ah) |
Belastning | Reservdrifttid (ca), minuter | ||
0,5 A | 9408 | 12972 | 11760 |
1 A | 5856 | 7872 | 7320 |
2 A | 3672 | 4548 | 4590 |
4 A | 2365 | 2670 | 2945 |
6 A | 1577 | 1780 | 1960 |
8 A | 1500 | 1558 | 1800 |
10 A | 1140 | 1246 | 1410 |
12 A | 950 | 1038 | 1200 |
14 A | 855 | 890 | 1055 |
16 A | 810 | 902 | 995 |
18 A | 715 | 802 | 885 |
20 A | 680 | 722 | 840 |
Med reservation för felskrivningar.




