Om oversettelse av dette dokumentet
Brukerhåndbok på originalspråket på svensk. Andre språk er maskinoversatt og ikke gjennomgått, feil kan oppstå.
Batteriboks 24V FLX S
Batteriboks 24V FLX S har plass til fire batterier og monteres under batteribackupen på veggen eller i et 19" stativ.
Komponentoversikt Batteriboks FLX S
![]() |
Batterier må plasseres som på bildet. Bildet gir også en oversikt over koblingspunkter for batterikabler og batterisikring.
Nummer | Forklaring |
|---|---|
A | Braketter for montering på vegg eller i 19" rack. |
B | Manipuleringsalarm. Skal alarmklasse 3 (SSF) oppfylles, må manipuleringsalarm være montert på vegg. |
C | Innkapsling i pulverlakkert metall. |
D | Batterier. |
E | Kabelinnføringer. |
F | Dør med lås. |
G | Batterisikringer. |
Skyv fast konsoller
Enheten kan monteres i 19" rack eller på vegg. Medfølgende braketter kan festes på to måter: Ved montering på vegg skal brakettene plasseres i bakkant mot veggen. Ved montering i 19" rack skal brakettene plasseres i forkant på enheten.

Venstre bild brakett vendes mot fremsiden for montering i 19" rack.
Høyre bild brakett vendes mot baksiden for montering på vegg.
Viktig
La det være en klaring på 100 mm rundt luftgitter.
Montering Batteriboks 24V FLX S for batteribackup i FLX S-kapsling
Batteriboksen monteres på vegg eller i 19" rack under batteri-backup.
Kabelinnføringene er på toppen av innkapslingen midt på baksiden.

Plassering av batterier i Batteriboks 24V FLX S

Nr. | Forklaring |
|---|---|
1 | Skyv inn det første batteriet. Dersom det er en manipuleringsalarm her, skyves batteriet inn bak manipuleringsalarmen. |
2 | Sett inn de to andre batteriene. |
Koble til batteriboks med batteribackup


Bildet viser en batteribackup med batteriboks.
Bildet gir også en oversikt over koblinger for batterikabler og batterisikringer.
Batteriledning | Forklaring |
|---|---|
B1+ | Kobles til sikring |
B1- | Kabel fra hovedkort er koblet til batteri |
B2+ | Kabel fra hovedkort er koblet til batteri |
B2- | Kobles til sikring |
B3+ | Kobles til sikring |
B3- | Kobler til B6- |
B4+ | Kobler til B5+ |
B4- | Kobles til sikring |
B5+ | Se B4+ |
B5- | Kobles til sikring |
B6+ | Kobles til sikring |
B6- | Se B3- |
Antall | Forklaring |
|---|---|
1 | Kabling fra batteri backup på dobbel pin i batteri backup. |
Batteriboks 24V FLX M
Batteriboks 24V FLX M har plass til to 45 Ah batterier og monteres under batteribackupen på vegg eller i et 19" stativ.
Batterier og sertifikater
Batterier må være nye under installasjon og batteribytte for at garantien og sertifiserte standarder skal opprettholdes.
Bruk alltid samme batterimerke og -type som enheten er sertifisert med.
Komponentoversikt Batteriboks FLX M
![]() |
Batterier må plasseres som på bildet. Bildet gir også en oversikt over koblingspunkter for batterikabler og batterisikring.
Nummer | Forklaring |
|---|---|
A | Braketter for montering på vegg eller i 19" rack. |
B | Manipuleringsalarm. Skal alarmklasse 3 (SSF) oppfylles, må manipuleringsalarm være montert på vegg. |
C | Innkapsling i pulverlakkert metall. |
D | Batterier. |
E | Tilkobling til batteribackup. |
F | Dør med lås. |
G | Batterisikring. |
H | Tilkobling til neste batteriboks |
Skyv brakettene på plass
Enheten kan monteres i 19" rack eller på vegg. Medfølgende braketter kan festes på to måter: Ved montering på vegg skal brakettene plasseres i bakkant mot veggen. Ved montering i 19" rack skal brakettene plasseres i forkant på enheten.

Venstre konsoll: vendt mot forsiden for montering i 19" rack.
Høyre konsoll vender mot baksiden for montering på vegg.
Viktig
La det være en klaring på 100 mm rundt luftgitter.
Montering av Batteriboks 24V FLX M med batteribackup / strømforsyning i FLX M eller FLX L hus
Batteriboksen skyves under kabinettet over. Kabinettet skrus deretter fast til stativet eller veggen. Begge innhegningene skal møte hverandre uten spill.

Nei | Forklaring |
|---|---|
1 | Spor i innhegning. |
2 | Utstikkende del på taket av et skap. |
Batterier – sette i og koble til

Nr. | Forklaring |
|---|---|
1 | Skyv inn det første batteriet. Dersom det er en manipuleringsalarm her, skyves batteriet inn bak manipuleringsalarmen. |
2 | Skyv inn det andre batteriet. |
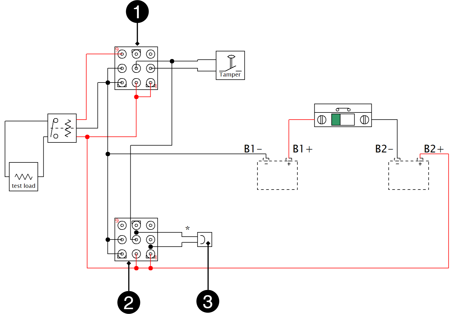
Koble til batteriboks med batteri-backup

Bildet gir en oversikt over koblinger for batterikabler og batterisikringer.
Batterikabler | Forklaring |
|---|---|
B1+ | Kobles til sikring. |
B1- | Kabel fra hovedkort kobles til batteri. |
B2+ | Kabel fra hovedkort kobles til batteri. |
B2- | Kobles til sikring. |
B3+ | Kobles til sikring. |
B3- | Kobles via tilkoblingskontakt til batteri i batteri-backup. |
B4+ | Kobles via tilkoblingskontakt til batteri i batteri-backup. |
B4- | Kobles til sikring. |
Nummer | Forklaring |
|---|---|
1 | Batterisikring. |
2 | Koble sammen batteri-backup og batteriboks med en hvit, firkantet 9-pinners kontakt. |
Koblingsskjema og jumper
Alarm til sabotasjekontakt kobles i serie og derfor må sløyfen være ubrutt til siste batteribokskabel. Jumper lukker sløyfen på hver kabel som går fra batteribackup til batteriboks og for at det skal kunne gis alarm på sabotasjekontakten i batteriboksen må jumperen på kabelen kuttes. Ikke kutt jumperen på den siste kabelen i batteriboksen, da vil det ikke gis alarm for manipulering i noen tilkoblet batteribackup eller batteriboks.


Antall | Forklaring |
|---|---|
1 | IN - innkommende tilkobling |
2 | OUT - utgående tilkobling |
3 | Jumper på stikkontakt på utgående tilkobling |
Enheter | Jumper - hvor skal man kutte / ikke kutte | Hvor enden av løkken skal være |
|---|---|---|
Batteribackup uten batteriboks | Ikke kutt jumperen | Jumper må forbli i batteribackup |
Batteribackup + 1 batteriboks | Kutt jumper fra batteribackup | Jumper må forbli i batteriboks 1 |
Batteribackup + 2 batteribokser | Kutt jumper i batteribackup og fra batteriboks 1 | Jumper må forbli i batteriboks 2 |
Justering av manipuleringsalarm
![]() |
Følerarmen på manipuleringsalarmen skal være i lukket posisjon (stengt) når døren er igjen. Går alarmen (”tamper alarm” / alarm til undersentral), kan det hende følerarmen må justeres.
Slik justerer du følerarmen:
Klem til med en flattang midt på følerarmen.
Juster følerarmen forsiktig i ønsket retning (opp/ned).
Kontroller ved å stenge døren. Det høres et klikk når kontakten lukkes.
Notat
Manipuleringsalarmen skal ikke utløses når døren er lukket og låst.
Sabotasjekontakt og alarmklasse 3/4 i henhold til SSF1014
Sabotasjekontakt må festes til vegg for å møte alarmklasse 3/4 i henhold til SSF1014.
Sabotasjekontakten må kobles til hovedkortet.
Dersom avstanden er lengre fra veggen ved for eksempel montering i stativ, må det settes avstandsstykker. Det er installatørens ansvar å installere riktig avstand. Sabotasjekontakten i skapet må lukkes når skapdøren er lukket. Hvis en alarm går ("sabotasjealarm" / alarm til undersentral), kan det hende at spaken må justeres.
Toleransenivåer for sabotasjekontakt: Alarm skal utløses når: Skapdør åpnes; > 1 mm. Avbryting av enhet fra vegg: > 2,5 mm.

Bildet viser plassering i batteribackup og batteriboks.

Vedlikehold
Med unntak av vifte og batterier er systemet vedlikeholdsfritt ved installasjon i innendørsmiljø.
Batterier
Batterier genererer elektrisitet gjennom en kjemisk prosess og det skjer dermed en naturlig nedbrytning av kapasiteten. Den største faktoren for batterilevetid er temperatur. Jo høyere temperatur, jo kortere batterilevetid. Produksjonsdatoen stemplet på batteriet og levetiden (som oppgitt av batteriprodusenten). En ideell temperatur er 20 °C både under drift og lagring. Høyere omgivelsestemperatur reduserer levetiden betydelig. Dermed varierer faktisk levetid ved bruk. Batteriene bør skiftes etterpå halv spesifisert (fra batteriprodusenten) levetid for sikker drift. Batterier kjøpt gjennom produsenten av batteribackupen har en levetid (fra batteriprodusenten) på mellom 10-12 år med anbefalt utskifting etter 5-6 år.

Batteribytte
• Bryt nettspenningen ved batteribytte, om mulig.
• Koble ut batterikabler. Merk deg hvordan batterikablene er montert før de fjernes.
• Fjern batterisikring mellom batterier.
• Sett inn og fest de nye batteriene.
• Koble til batterikablene på samme måte som de forrige.
• Fest batterisikringen mellom batterier.
• Slå på nettspenningen. Eventuelt kan indikeringsdioden lyse for lav batterispenning / nettutfall inntil batterier er ladet. Det kan ta opp til 72 timer før batteriene er fulladet.
For at systemet skal måle kapasiteten til nye batterier, må enheten fjerne tidligere batterikapasitet. Dip-switch 8 utfører en programvare-reset som blant annet tilbakestiller alarmer. Se Datagjenoppretting etter batteribytte, Dip-switch 8
• Test systemet ved å kortvarig koble ut nettspenningen, (= lasten skal drives videre av batteriene), og deretter koble inn nettspenningen igjen.
Resirkulering av batterier
Alle batterier må resirkuleres. Returner til produsenten eller lever på gjenvinningsstasjonen.

Vedlikeholdsskjema batterier og batteribackup
Vedlikeholdsskjemaet for batterier gjelder fabrikat UPLUS og med følgende seriebenevninger: US, USL og USF. For vedlikeholdsinstruksjoner se eget dokument "vedlikeholdsinstruksjoner ventilregulert blybatteri".
Seriebetegnelse | Batteritype | Bytt batteri etter* |
|---|---|---|
XLT (IKKE for NOVA og EN54). | 3-5 år | 2-3 år |
US | 6-9 år | 3-5 år |
USL | 10-12 år | 5-7 år |
USF | 12 år | 8-10 år |
* batteriets levetid avhenger primært av omgivelsestemperatur og ladestrøm. Et AGM-batteri skal aldri lades med mer enn 30 % av dets merkekapasitet. Batterier vil bli ladet fullt, men må ikke lades med høyere spenning er 30 % av dets merkekapasitet. | ||
Ladespenning fra nettaggregat | 12 V enheter | 24 V enheter | 48 V enheter |
|---|---|---|---|
Minste ladespenning | 13,6 V | 27,2 V | 54,4 V |
Høyeste ladespenning | 13,7 V | 27,4 V | 54,8 V |
Toleranse | +/- 0,5% | +/- 0,5% | +/- 0,5% |
Polspenning | Etter 15 minutters hvile etter lading. |
|---|---|
Minste polspenning | 12,9 V |
Høyeste tillatte forskjell mellom batteripar | 0,5 V |
Nytt batteri med polspenning under 12,0 V er defekt og skal reklameres til leverandør. | |
Temperatur i batteribackup | Temperatur |
|---|---|
Laveste | 15 °C |
Anbefalt | 20 °C - 25 °C |
Høyeste | 32 °C |
Garanti gjelder kun hvis temperaturen ligger innenfor disse nivåene. | |
Installasjonskontroll batterier
1. Kontroller at batteriet er helt rent og at polene er frie for korrosjon.
2. Kontroller og noter temperaturen i batterirommet.
3. Kontroller polspenningen på hvert batteri før installasjon. Hvis differensen mellom de enkelte batteriene overstiger 0,3 V bør batterislyngen utjevningslades i forbindelse med installasjon. Hvis noe batteri har en polspenning som underskrider 12 V skal dette batteriet byttes ut med et nytt batteri og reklameres til leverandør.
4. Kontroller ladespenningen. Se tabell: Ladespenninger.
Årskontroll
1. Kontroller at batteriet er helt rent og at polene er frie for korrosjon. Hvis det finnes korrosjon på polene: Kontroller at batteriet ikke lekker syre. Rengjør deretter polene og koble til batteriet igjen. Smør deretter med batteripolfett over tilkoblede poler.
2. Kontroller og noter temperaturen i batterirommet.
3. Kontroller og noter middelstrømmen.
4. Kontroller at alle tilkoblinger er godt festet og at ingen slakk finnes.
5. Kontroller at viften (hvis enheter har vifte) fungerer feilfritt. Rengjør viften ved behov. Viften skal skiftes ut etter 5-8 år.
6. Kontroller ladespenningen ved å måle med multimeter på batteriene.
7. Koble ut batterier og la batteriene hvile i 10-15 minutter. Mål deretter polspenningen på hvert batteri. Koble batterier til igjen.
Produktblad / Tekniske data: Batteriboks 24 V FLX S, Batteriboks 24 V FLX M
Opphavsrett © Milleteknik AB
Alla uppgifter publiceras med reservation för fel. Ny dokumentation publiceras utan föregående meddelande.
Tekniske spesifikasjoner: Batteriboks 24V FLX S og Batteriboks 24V FLX M - bruksområde

Batteriboksen kan monteres i et 19" stativ eller på vegg. Kabinettet er låsbart og to par nøkler følger med.
En batteriboks brukes til å forlenge reservedriftstiden til en batteribackup eller for å tillate høyere strømmer i et klassifisert system. Du finner mer om mulige gjennomsnittsstrømmer i batteribackupens manual.
Batterier og sertifikater
Batterier må være nye under installasjon og batteribytte for at garantien og sertifiserte standarder skal opprettholdes.
Bruk alltid samme batterimerke og -type som enheten er sertifisert med.
Produsentens support
Produsenter gir support i løpet av produktets levetid, men ikke lenger enn 10 år etter kjøpsdato. Utskifting av et tilsvarende produkt kan forekomme dersom produsenten vurderer at reparasjon ikke er mulig. Kostnader for support kommer i tillegg etter at garantiperioden er utløpt.
Produktets levetid, miljøpåvirkning og resirkulering
Produktet er designet og konstruert for lang levetid, noe som reduserer miljøbelastningen. Produktets levetid (unntatt slitedeler) avhenger blant annet av miljøfaktorer, hovedsakelig omgivelsestemperatur, uforutsett belastning på komponenter som lynnedslag, ytre påvirkning, håndteringsfeil mv. Produktene resirkuleres ved at de leveres til nærmeste gjenvinningsstasjon eller sendes tilbake til produsenten. Kontakt din distributør for mer informasjon. Kostnader som påløper i forbindelse med gjenvinning dekkes ikke.

Tekniske data Batteriboks 24V FLX S Batteriboks 24V FLX M
Systemspenning: | 24 V. |
Batterikapasitet, Batteriboks 24V FLX S | To 7,2 Ah eller to 14 Ah. |
Batterikapasitet, Batteriboks 24V FLX M | To 45 Ah. |
batteritype: | AGM blysyre. |
Innhegning: | Pulverlakkert metallplate. |
Montering: | Vegg eller 19" stativ. |
Produksjonsland | Sverige |
Garanti for batteriboks
Produktet har fem års garanti fra kjøpsdato. support i garantiperioden er tilgjengelig via kontaktinformasjonen på CE-merket. Erstatning for reise- og/eller arbeidstid i forbindelse med feillokalisering, montering av reparerte eller utskiftede varer er ikke inkludert i garantien. Batterier dekkes ikke av garantien.
CE-merking
På hvert produkt finnes det en CE-etikett med informasjon om produktet og kontaktopplysninger til produsenten. Mangler du noe, eller trenger du mer informasjon, da skal du primært henvende deg til forhandler som også skal kunne svare på spørsmål om garanti og support. Du kan alltid henvende deg til produsenten hvis du har spørsmål om produktets ytelser.
![]() |
Tekniske data vedlegg
Tekniske data - Tekniske data FLX S
Info | Forklaring |
|---|---|
Navn | FLX S |
beskyttelseklasse | IP 32 |
Mål | Høyde: 222 mm, bredde 437 mm, dybde 145 mm |
Høydeenheter | 5 HAN |
Montering | Vegg eller 19" stativ |
Omgivelsestemperatur | +5 °C - +40 °C. For best mulig batterilevetid: +15 °C til +25 °C. |
Miljø | Miljøklasse 1, innendørs. 20 % ~ 90 % relativ fuktighet |
Materiale | Pulverlakkert stålplate |
Farge | Svart |
Kabelinnføringer, antall | 4 |
Batterier som passer | 4 stk 14 Ah. |
Vifte | Ja |
Tekniske data - Tekniske data
Info | Forklaring |
|---|---|
Navn | FLX M |
beskyttelseklasse | IP 32 |
Mål | Høyde: 224 mm, bredde 438 mm, dybde 212 mm |
Høydeenheter | 5 HAN |
Montering | Vegg eller 19" stativ. |
Omgivelsestemperatur | +5 °C - +40 °C. For best mulig batterilevetid: +15 °C til +25 °C. |
Miljø | Miljøklasse 1, innendørs. 20 % ~ 90 % relativ fuktighet |
Materiale | Pulverlakkert stålplate. |
Farge | Svart |
Kabelinnføringer, antall | 4 Knockout for gaffeltruckhanske |
Batterier som passer | 2 stk 12 V, 45 Ah. |
Tekniske data: Sabotasjebryter, Sabotasjebryter.
Artikkelnavn | Sabotasjebryter |
Type | Mikrobryter |
Spenning | 12 V / 24 V |
Resirkulering av batterier
Alle batterier må resirkuleres. Returner til produsenten eller lever på gjenvinningsstasjonen.

Batterier
Batterier følger ikke med
Batterier selges separat.
Batterikombinasjoner Batteriboks 24V FLX S og batteribackup (14 Ah batterier)
Batterikapasitet (Ah) | Batteritype | Antall batterier | Batterier i enheten |
|---|---|---|---|
14 Ah | 14 Ah | 2 stk. | 2 i batteribackup |
42 Ah | 14 Ah | 6 stk. | 2 i batteribackup 4 i batteriboks 1 |
70 Ah | 14 Ah | 10 deler. | 2 i Battery Backup 4 i batteriboks 1 4 i batteriboks 2 |
Batterikombinasjoner Batteriboks 24V FLX M og batteribackup (20 Ah batterier)
Batterikapasitet (Ah) | Batteritype | Antall batterier | Batterier i enheten |
|---|---|---|---|
20 Ah | 20 Ah | 2 stk | 2 i Battery Backup |
45 Ah | 45 Ah | 2 stk | 0 i batterisikkerhetskopiering 2 i batteriboks 1 |
65 Ah | 20 Ah+ 45 Ah | 4 stk | 2 i Batteri backup 2 i batteriboks 1 |
90 Ah | 45 Ah | 4 stk | 0 i batterisikkerhetskopiering 2 i batteriboks 1 2 i batteriboks 2 |
110 Ah | 20 Ah+ 45 Ah | 6 stk | 2 i Batteri backup 2 i batteriboks 1 2 i batteriboks 2 |
135 Ah | 45 Ah | 6 stk | 0 i batterisikkerhetskopiering 2 i batteriboks 1 2 i batteriboks 2 2 i batteriboks 3 |
155 Ah | 20 Ah+ 45 Ah | 8 stk | 2 i Battery Backup 2 i batteriboks 1 2 i batteriboks 2 2 i batteriboks 3 |
180 Ah | 45 Ah | 8 stk | 0 i batterisikkerhetskopiering 2 i batteriboks 1 2 i batteriboks 2 2 i batteriboks 3 2 i batteriboks 4 |
200 Ah | 20 Ah+ 45 Ah | 10 deler | 2 i Battery Backup 2 i batteriboks 1 2 i batteriboks 2 2 i batteriboks 3 2 i batteriboks 4 |
Batterikombinasjoner Batteriboks 24V FLX M og batteribackup (45 Ah batterier)
Batterikapasitet (Ah) | Batteritype | Antall batterier | Batterier i enheten |
|---|---|---|---|
45 Ah | 45 Ah | 2 stk. | 2 i Battery Backup |
90 Ah | 45 Ah | 4 stk. | 2 i Battery Backup 2 i batteriboks 1 |
135 Ah | 45 Ah | 6 stk. | 2 i Batteri backup 2 i batteriboks 1 2 i batteriboks 2 |
180 Ah | 45 Ah | 8 stk. | 2 i Battery Backup 2 i batteriboks 1 2 i batteriboks 2 2 i batteriboks 3 |
225 Ah | 45 Ah | 10 deler. | 2 i Batteri backup 2 i batteriboks 1 2 i batteriboks 2 2 i batteriboks 3 2 i batteriboks 4 |
Sertifisert med batteritype
Enheten er sertifisert med et UPLUS-batteri som må brukes for å opprettholde sertifikatet.
7,2 Ah, 12 V AGM-batteri
Passer inn | Antall batterier |
|---|---|
Batteriboks 24V FLX S | 4 |
Batteritype | V | Ah |
|---|---|---|
Vedlikeholdsfri AGM, blybatteri. | 12 V | 7,2 Ah |
Artikkelnummer | E-nummer | Arikkelnavn | Terminal | Mål. Høyde bredde dybde | Vekt per stk | Fabrikat |
|---|---|---|---|---|---|---|
MT113-12V07-01 | 5230536 | UPLUS 12V 7,2Ah 10+ Designlivsbatteri | Flatstift 6,3 mm | 151 x 65 x 100 mm. | 2,4 kg | UPLUS |
14 Ah, 12 V AGM batteri
Passer inn | Antall batterier |
|---|---|
Batteriboks 24V FLX S | 4 |
Batteritype | V | Ah |
|---|---|---|
Vedlikeholdsfri AGM, blybatteri. | 12 V | 14 Ah |
Artikkelnummer | E-nummer | Arikkelnavn | Terminal | Mål. Høyde bredde dybde | Vekt pr stk | Fabrikat |
|---|---|---|---|---|---|---|
MT113-12V14-01 | 5230537 | UPLUS 12V 14Ah 10+ Designlivsbatteri | Flatstift 6,3 mm | 151x98x101 mm | 4,2 kg | UPLUS |
45 Ah, 12 V AGM batteri
Passer inn | Antall batterier |
|---|---|
Batteriboks 24V FLX M | 2 |
Batteritype | V | Ah |
|---|---|---|
Vedlikeholdsfri AGM, blybatteri. | 12 V | 45 Ah |
Artikkelnummer | E-nummer | Arikkelnavn | Terminal | Mål. Høyde bredde dybde | Vekt per stk | Fabrikat |
|---|---|---|---|---|---|---|
MT113-12V45-01 | 5230546 | UPLUS 12V 45Ah 10+ Designlivsbatteri | M6 Bolt | 197x165x170 mm | 14,5 kg | UPLUS |
Reserver driftstimer - oversikt
Tabellen viser forventet backupdriftstid ved ulike belastninger på batteribackupen.
Viktig
Dette er en veiledning og alle tider er omtrentlige og kan avvike fra faktiske tider. Belastning, temperatur og andre faktorer spiller en rolle, og det er derfor den nøyaktige tiden ikke kan gis.
Gjelder nye batterier.
Strømstyrke og batterier varierer med konfigurasjon, sjekk om konfigurasjonen kan håndtere batterier og strømstyrke.
Middels strøm | 28 Ah | 42 Ah | 65 Ah | 70 Ah |
|---|---|---|---|---|
- | 4 batterier (14 Ah) | 6 batterier (14 Ah) | 4 batterier (20 Ah + 45 Ah) | 10 batterier (7 Ah) |
Laster | Reserver driftstid (ca), minutter | |||
0,5 A | 1650 | 2090 | 5574 | 3440 |
1 A | 970 | 865 | 3252 | 2118 |
2 A | 560 | 815 | 1770 | 1329 |
4 A | 335 | 490 | 930 | 864 |
6 A | 245 | 360 | 600 | 605 |
8 A | 210 | 310 | 426 | 544 |
10 A | 160 | 240 | 342 | 414 |
12 A | 140 | 210 | 270 | 363 |
14 A | 120 | 180 | 234 | 311 |
16 A | 100 | 150 | 204 | 286 |
18 A | 90 | 130 | 150 | 254 |
20 A | 84 | 126 | 138 | 241 |
Middels strøm | 90 Ah | 110 Ah | 135 Ah | 155 Ah |
|---|---|---|---|---|
- | 4 batterier (45 Ah) | 6 batterier (20 Ah + 45 Ah) | 6 batterier (45 Ah) | 8 batterier (20 Ah + 45 Ah) |
Laster | Reserver driftstid (ca), minutter | |||
0,5 A | 4705 | 5796 | 7056 | 8215 |
1 A | 2928 | 3582 | 4392 | 5070 |
2 A | 1836 | 2247 | 2754 | 3230 |
4 A | 1183 | 1438 | 1762 | 2018 |
6 A | 788 | 959 | 1175 | 1345 |
8 A | 748 | 861 | 1048 | 1150 |
10 A | 570 | 689 | 839 | 920 |
12 A | 499 | 603 | 699 | 765 |
14 A | 427 | 516 | 629 | 655 |
16 A | 404 | 499 | 592 | 590 |
18 A | 359 | 444 | 526 | 520 |
20 A | 340 | 420 | 498 | 495 |
Middels strøm | 180 Ah | 200 Ah | 225 Ah |
|---|---|---|---|
- | 8 batterier (45 Ah) | 10 batterier (20 Ah + 45 Ah) | 10 batterier (45 Ah) |
Laster | Reserver driftstid (ca), minutter | ||
0,5 A | 9408 | 12972 | 11760 |
1 A | 5856 | 7872 | 7320 |
2 A | 3672 | 4548 | 4590 |
4 A | 2365 | 2670 | 2945 |
6 A | 1577 | 1780 | 1960 |
8 A | 1500 | 1558 | 1800 |
10 A | 1140 | 1246 | 1410 |
12 A | 950 | 1038 | 1200 |
14 A | 855 | 890 | 1055 |
16 A | 810 | 902 | 995 |
18 A | 715 | 802 | 885 |
20 A | 680 | 722 | 840 |
Med forbehold om skrivefeil.




