Tietoja tämän asiakirjan kääntämisestä
Käyttöohje alkuperäisellä ruotsiksi. Muut kielet on konekäännetty, eikä niitä tarkisteta, virheitä saattaa ilmetä.
Akkukotelo 24V FLX S
Akkukotelo 24V FLX S sisältää tilaa neljälle akulle ja se asennetaan akkutelineen alle seinälle tai 19" telineeseen.
Komponenttien yleiskatsaus Akkukotelo FLX S
![]() |
Paristot tulee asettaa kuvan mukaisesti. Kuvassa on myös yleiskatsaus akkukaapeleiden ja akkusulakkeen liitäntäpisteisiin.
Määrä | Selitys |
|---|---|
A | Käännettävä konsoli seinään tai 19" telineeseen asennettavaksi. |
B | Peukalointikytkin. Jos hälytysluokka 3 (SSF) täyttyy, suojakoskettimen on oltava seinässä. |
C | Kaappi jauhemaalattua metallilevyä. |
D | Paristot. |
E | Kaapeliläpiviennit. |
F | Lukittava ovi. |
G | Akun sulakkeet. |
Kiinnikkeiden työntäminen paikoilleen
Laite voidaan asentaa 19" telineeseen tai seinälle. Mukana toimitetut kiinnikkeet voidaan kiinnittää kahdella tavalla: Seinälle asennettaessa kiinnikkeiden on oltava taaksepäin kohti seinää. 19" telineeseen asennettaessa kiinnikkeen on oltava laitteen etureunassa.

Vasen kiinnike: käännetty eteenpäin 19" telineeseen asennusta varten.
Oikea kiinnike: käännetty taaksepäin seinäasennusta varten.
Tärkeää
Jätä ilmasäleikön ympärille 100 mm vapaata tilaa.
Asennus Akkukotelo 24V FLX S akun varaan FLX S -kotelossa
Akkukotelo asennetaan seinälle tai 19" telineeseen akun varauksen ajaksi.
Kaapeliläpiviennit sijaitsevat kotelon yläosassa ja sen takana keskellä.

Paristojen sijoittaminen sisään Akkukotelo 24V FLX S

Nro | Selitys |
|---|---|
1 | Ammu ensimmäiset paristot. Jos tässä on peukalointikosketin, akku on työnnettävä peukaloskoskettimen taakse. |
2 | Aseta kaksi muuta paristoa. |
Akkukotelon liitäntä akun varalla


Kuvassa paristovarmistus akkukotelolla.
Kuvassa on myös yleiskuva akkukaapeleiden ja akkusulakkeiden liitännöistä.
Akun johdotus | Selitys |
|---|---|
B1+ | Yhdistetään sulakkeeseen |
B1- | Emolevyn kaapeli on kytketty akkuun |
B2+ | Emolevyn kaapeli on kytketty akkuun |
B2- | Yhdistetään sulakkeeseen |
B3+ | Yhdistetään sulakkeeseen |
B3- | Yhdistetään B6- |
B4+ | Yhdistää B5+ |
B4- | Yhdistetään sulakkeeseen |
B5+ | Katso B4+ |
B5- | Yhdistetään sulakkeeseen |
B6+ | Yhdistetään sulakkeeseen |
B6- | Katso B3- |
Määrä | Selitys |
|---|---|
1 | Johdotus akkuvarmistuksesta kaksoisnastalla akkuvarmistuksessa. |
Akkukotelo 24V FLX M
Akkukotelossa 24V FLX M on tilaa kahdelle 45 Ah:n akulle ja se asennetaan akkutelineen alle seinälle tai 19" telineeseen.
Akut ja todistukset
Akkujen on oltava uusia asennuksen ja paristojen vaihdon aikana, jotta takuu ja sertifioidut standardit säilyvät.
Käytä aina samaa merkkiä ja tyyppiä akkua, jolla laite on sertifioitu.
Komponenttien yleiskatsaus Akkukotelo FLX M
![]() |
Paristot tulee asettaa kuvan mukaisesti. Kuvassa on myös yleiskatsaus akkukaapeleiden ja akkusulakkeen liitäntäpisteisiin.
Määrä | Selitys |
|---|---|
A | Kiinnike, käännettävä seinään tai 19" telineeseen asennusta varten. |
B | Peukalointikosketin, Jos hälytysluokka 3 (SSF) täyttyy, peukaloskoskettimen on oltava seinässä. |
C | Kaappi jauhemaalattua metallilevyä. |
D | Paristot. |
E | Liitäntä akun varavirtalähteeseen. |
F | Lukittava ovi. |
G | Akun sulake. |
H | Kytkentä seuraavaan akkulaatikkoon |
Kiinnikkeiden työntäminen paikoilleen
Laite voidaan asentaa 19" telineeseen tai seinälle. Mukana toimitetut kiinnikkeet voidaan kiinnittää kahdella tavalla: Seinälle asennettaessa kiinnikkeiden on oltava taaksepäin kohti seinää. 19" telineeseen asennettaessa kiinnikkeen on oltava laitteen etureunassa.

Vasen kiinnike: eteen päin 19" telineeseen asentamista varten.
Oikea kiinnike taakse päin seinäkiinnitystä varten.
Tärkeää
Jätä ilmasäleikön ympärille 100 mm vapaata tilaa.
Kokoonpano Akkukotelo 24V FLX M akkuvarmistuksella / virtalähteellä FLX M tai FLX L kotelossa
Akkukotelo työnnetään yllä olevan kotelon alle. Kotelo ruuvataan sitten telineeseen tai seinään. Molempien koteloiden on kohdattava toisiaan ilman välystä.

Nro | Selitys |
|---|---|
1 | Telat kotelossa. |
2 | Ulkoneva osa kaapin katolla. |
Paristojen sijoitus

Nro | Selitys |
|---|---|
1 | Ammu ensimmäinen akku. Jos tässä on peukalointikosketin, akku on työnnettävä peukaloskoskettimen taakse. |
2 | Aseta toinen akku paikalleen. |
Akkukotelon liitäntä akkuvarmistuksella

Kuvassa on yleiskatsaus akkukaapeleiden ja akkusulakkeiden liitäntöihin.
Akun johdotus | Selitys |
|---|---|
B1+ | Yhdistetään sulakkeeseen. |
B1- | Emolevyn kaapeli on kytketty akkuun. |
B2+ | Emolevyn kaapeli on kytketty akkuun. |
B2- | Yhdistetään sulakkeeseen. |
B3+ | Yhdistetään sulakkeeseen. |
B3- | Yhdistetään liitäntäliittimen kautta akkuvarastoon kuuluvaan akkuun. |
B4+ | Yhdistetään liitäntäliittimen kautta akkuvarastoon kuuluvaan akkuun. |
B4- | Yhdistetään sulakkeeseen. |
Määrä | Selitys |
|---|---|
1 | Akun sulake. |
2 | Yhdistä akkuvarmistus ja akkukotelo valkoisella, 9-napaisella nelikulmaisella liittimellä. |
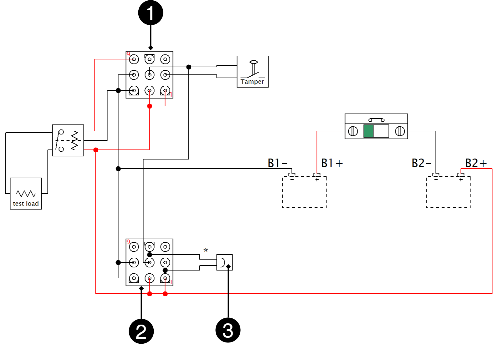
Kytkentäkaavio ja jumpperi
Hälytin-peukalointikosketin on kytketty sarjaan ja siksi silmukan tulee olla katkeamaton viimeiseen akkukotelon kaapeliin. Jumper sulkee jokaisen kaapelin silmukan, joka menee akkuvarmistuksesta akkukoteloon ja jotta hälytys saadaan akkukotelon peukalointikoskettimesta, kaapelin hyppyjohdin on leikattava. Älä katkaise hyppyjohdinta akkukotelon viimeisestä kaapelista, silloin ei anneta hälytystä peukaloinnin johdosta mihinkään liitettyyn akkuvaraajaan tai akkukoteloon.


Määrä | Selitys |
|---|---|
1 | IN - saapuva yhteys |
2 | OUT - lähtevä yhteys |
3 | Lähtevän yhteyden pistorasiassa hyppyjohdin |
Yksiköt | Puskuri - minne leikata / ei leikata | Missä silmukan pään pitäisi olla |
|---|---|---|
Vara-akku ilman akkulaatikkoa | Älä leikkaa jumpperia | Puskurin on pysyttävä akun varassa |
Vara-akku + 1 akkulaatikko | Katkaise hyppyjohdin paristovarmistuksesta | Puskurin on jäätävä akkukoteloon 1 |
Akkuvaraus + 2 akkulaatikkoa | Leikkaa hyppyjohdin akkuvarastoon ja akkukotelosta 1 | Puskurin on jäätävä akkukoteloon 2 |
Sabotaasikoskettimen säätö
![]() |
Kun kaapin ovi on kiinni, sabotaasikoskettimen vivun on oltava kiinni-asennossa (kiinni). Jos saadaan hälytys (”peukalointihälytys” / hälytys alakeskukseen), vipua on ehkä säädettävä.
Vipua säädetään seuraavasti:
Purista pihdeillä vivun keskeltä.
Säädä vipu varovasti haluttuun suuntaan (ylös/alas).
Tarkista sulkemalla ovi. Kun kosketin sulkeutuu, kuuluu naksahdus.
Huomautus
Sabotaasikosketin ei saa hälyttää, kun ovi on kiinni ja lukittu.
Peukalointikosketin ja hälytysluokka 3/4 SSF1014:n mukaan
Peukalointikosketin on kiinnitettävä seinään, jotta se täyttää SSF1014:n hälytysluokan 3/4.
Peukalointikosketin on kytkettävä emolevyyn.
Jos etäisyys seinästä on pidempi esimerkiksi telineeseen asennettaessa, on asetettava välilevyt. Asentajan vastuulla on asentaa sopiva etäisyys. Kaapin peukalointikoskettimen tulee sulkeutua, kun kaapin ovi suljetaan. Jos hälytys laukeaa ("peukalointihälytys" / hälytys alakeskukseen), vipua on ehkä säädettävä.
Peukalointikoskettimen toleranssitasot: Hälytyksen tulee laueta, kun: Kaapin ovi avataan; > 1 mm. Yksikön irtoaminen seinästä: > 2,5 mm.

Kuvassa sijoitus akkuvarastoon ja akkukoteloon.

Kunnossapito
Järjestelmä on tuuletinta ja akkuja lukuun ottamatta huoltovapaa, kun se on asennettu sisätiloihin.
Paristot
Akut tuottavat sähköä kemiallisen prosessin kautta, jolloin kapasiteetti heikkenee luonnollisesti. Suurin tekijä akun käyttöiässä on lämpötila. Mitä korkeampi lämpötila, sitä lyhyempi akun käyttöikä. Akun valmistuspäivämäärä ja käyttöikä (akun valmistajan ilmoittamana). Ihanteellinen lämpötila on 20 °C sekä käytössä että varastoinnissa. Korkeampi ympäristön lämpötila lyhentää käyttöikää huomattavasti. Siten todellinen käyttöikä vaihtelee käytettäessä. Paristot tulee vaihtaa tämän jälkeen puoli määritetty (akun valmistajan) käyttöikä turvallista käyttöä varten. Varapariston valmistajan kautta ostettujen paristojen käyttöikä (pariston valmistajalta) on 10-12 vuotta ja suositeltu vaihtoaika 5-6 vuoden kuluttua.

Akun vaihto
• Jos mahdollista, katkaise verkkojännite akkuja vaihtaessasi.
• Irrota akkukaapelit. Huomaa, miten akkukaapelit on kiinnitetty ennen niiden irrottamista.
• Poista akkuvaroke akkujen välistä.
• Kiinnitä uudet akut.
• Kytke akkukaapelit samalla tavalla kuin aiemmin.
• Kiinnitä akkuvaroke akkujen väliin.
• Kytke verkkojännite päälle. Alhaisen akkujännitteen/sähkökatkoksen merkkivalo voi palaa, kunnes akut on ladattu. Voi kestää jopa 72 tuntia ennen kuin akut on täysin ladattu.
Jotta järjestelmä voi mitata uusien akkujen kapasiteetin, laitteen on tyhjennettävä aiempi akkukapasiteetti. Dip-kytkin 8 suorittaa ohjelmiston nollauksen, joka muun muassa nollaa hälytykset. Katso Tietojen palautus pariston vaihdon jälkeen, Dip-kytkin 8
• Testaa järjestelmä katkaisemalla verkkojännite lyhyeksi ajaksi (= kuorman pitäisi edelleen toimia akuilla) ja kytkemällä verkkojännite sitten uudelleen.
Akkujen kierrätys
Kaikki akut on kierrätettävä. Palauta valmistajalle tai vie kierrätysasemalle.

Huoltoaikataulu akut ja varmennusakku
Akkujen huoltoaikataulu koskee UPLUS-tuotemerkkiä, jonka sarjanimitykset ovat seuraavat: US, USL ja USF. Hoito-ohjeet ovat erillisessä asiakirjassa "hoito-ohjeet venttiilisäädetty lyijyakku". Akkujen hoito-ohjeet (Sellpower Nordic AB:ltä)
Sarjanimitys | Akun tyyppi | Vaihda akku * jälkeen |
|---|---|---|
XLT (EI NOVA ja EN54). | 3–5 vuotta | 2–3 vuotta |
US | 6-9 vuotta | 3-5 vuotta |
USL | 10-12 vuotta | 5-7 vuotta |
USF | 12 vuotta | 8-10 vuotta |
* akun käyttöikä riippuu pääasiassa ympäristön lämpötilasta ja latausvirrasta. AGM-akkua ei saa koskaan ladata yli 30 %:iin sen nimelliskapasiteetista. Akut ladataan täyteen, mutta niitä ei saa ladata korkeammalla jännitteellä kuin 30 % nimelliskapasiteetista. | ||
Latausjännite virtalähteestä | 12 V laitteet | 24 V laitteet | 48 V laitteet |
|---|---|---|---|
Pienin latausjännite | 13,6 V | 27,2 V | 54,4 V |
Suurin latausjännite | 13,7 V | 27,4 V | 54,8 V |
Toleranssi | +/- 0,5% | +/- 0,5% | +/- 0,5% |
Napajännite | 15 minuutin lepoajan jälkeen latauksen jälkeen. |
|---|---|
Pienin napajännite | 12,9 V |
Suurin sallittu ero akkuparien välillä | 0,5 V |
Uusi akku, jonka napajännite on alle 12,0 V, on viallinen ja se on reklamoitava toimittajalle. | |
Lämpötila varmennusakussa | Lämpötila |
|---|---|
Alin | 15 °C |
Suositeltu | 20 °C - 25 °C |
Korkein | 32 °C |
Takuu on voimassa vain, jos lämpötila on näiden sisällä. | |
Asennustarkastus akut
Tarkista, että akku on ehjä ja puhdas ja että navoissa ei ole korroosiota.
Tarkista ja merkitse muistiin akkutilan lämpötila.
Tarkista kunkin akun napajännite ennen asennusta. Jos yksittäisten akkujen välinen ero on yli 0,3 V, akkusilmukka on tasausladattava asennuksen aikana. Jos jonkin akun napajännite on alle 12 V, kyseinen akku on vaihdettava uuteen ja siitä on tehtävä reklamaatio toimittajalle.
Tarkista latausjännite. Katso taulukko: Latausjännitteet.
Vuosittainen tarkastus
Tarkista, että akku on ehjä ja puhdas ja että navoissa ei ole korroosiota. Jos navoissa on korroosiota: Tarkasta, ettei akusta vuoda happoa. Puhdista sitten navat ja kytke akku takaisin. Voitele sitten napa akkurasvalla.
Tarkista ja merkitse muistiin akkutilan lämpötila.
Lue ja merkitse muistiin keskivirta.
Tarkasta, että kaikki liitännät ovat kunnolla kiinni eikä missään ole välystä.
Tarkista, että puhallin (jos laitteessa on puhallin) toimii kunnolla. Puhdista puhallin tarvittaessa. Puhallin on vaihdettava 5–8 vuoden kuluttua.
Tarkista latausjännite mittaamalla se yleismittarilla akuista.
Irrota akut ja anna niiden levätä 10–15 minuuttia. Mittaa sitten kunkin akun napajännite. Kytke akut uudelleen.
Tuoteseloste / Tekniset tiedot: Akkukotelo 24 V FLX S, Akkukotelo 24 V FLX M
Tekijänoikeudet © Milleteknik AB
Alla uppgifter publiceras med reservation för fel. Ny dokumentation publiceras utan föregående meddelande.
Tekniset tiedot: Akkukotelo 24V FLX S ja Akkukotelo 24V FLX M - käyttöalue

Akkukotelo voidaan asentaa 19" telineeseen tai seinälle. Kotelo on lukittava ja mukana tulee kaksi paria avaimia.
Akkukoteloa käytetään pidentämään vara-akun varakäyttöaikaa tai sallimaan suurempia virtoja nimellisjärjestelmässä. Löydät lisätietoja mahdollisista keskimääräisistä virroista akun varmuuskopion käsikirjasta.
Akut ja todistukset
Akkujen on oltava uusia asennuksen ja paristojen vaihdon aikana, jotta takuu ja sertifioidut standardit säilyvät.
Käytä aina samaa merkkiä ja tyyppiä akkua, jolla laite on sertifioitu.
Tekninen tuki
Valmistajat tarjoavat tukea tuotteen elinkaaren ajan, mutta enintään 10 vuoden ajan ostopäivästä. Vaihtaminen vastaavaan tuotteeseen voi tapahtua, jos valmistaja katsoo, että korjaaminen ei ole mahdollista. Tukikulut lisätään takuuajan päätyttyä.
Tuotteen elinikä, ympäristövaikutukset ja kierrätys
Tuote on suunniteltu ja valmistettu pitkää käyttöikää varten, mikä vähentää ympäristövaikutuksia. Tuotteen käyttöikä (kuluvia osia lukuun ottamatta) riippuu muun muassa ympäristötekijöistä, pääasiassa ympäristön lämpötilasta, komponenttien odottamattomasta kuormituksesta, kuten salamaniskusta, ulkoisista vaikutuksista, käsittelyvirheistä jne. Tuotteet kierrätetään toimittamalla ne lähimpään kierrätyspisteeseen tai lähettämällä ne takaisin valmistajalle. Ota yhteyttä jakelijaasi saadaksesi lisätietoja. Kierrätyksestä aiheutuneita kustannuksia ei korvata.

Tekniset tiedot Akkukotelo 24V FLX S Akkukotelo 24V FLX M
Järjestelmän jännite: | 24 V. |
Akun kapasiteetti, Akkukotelo 24V FLX S | Kaksi 7,2 Ah tai kaksi 14 Ah. |
Akun kapasiteetti, Akkukotelo 24V FLX M | Kaksi 45 Ah. |
Akkutyyppi: | AGM lyijyhappo. |
Kotelo: | Pulverimaalattu pelti. |
Asennus: | Seinä tai 19" teline. |
Valmistusmaa | Ruotsi |
Takuu akkukotelolle
Tuotteella on viiden vuoden takuu ostopäivästä lukien. Takuuaikana tukea saa CE-merkinnän yhteystiedoista. Vianpaikannukseen, korjatun tai vaihdetun tavaran asennukseen liittyvät matka- ja/tai työaikakorvaukset eivät sisälly takuuseen. Akut eivät kuulu takuun piiriin.
CE-merkintä
Jokaisessa tuotteessa on CE-merkintä, jossa on tietoa tuotteesta ja valmistajan yhteystiedot. Jos jotain puuttuu tai tarvitset lisätietoja, ota yhteyttä jälleenmyyjään, joka voi myös vastata takuuta ja tukea koskeviin kysymyksiin. Voit aina ottaa yhteyttä valmistajaan, jos sinulla on kysyttävää tuotteen suorituskyvystä.
![]() |
Teknisten tietojen kotelo
Kotelot – Tekniset tiedot FLX S
Tietoja | Selitys |
|---|---|
Nimi | FLX S |
Kotelointiluokka | IP 32 |
Mitat | Korkeus: 222 mm, leveys 437 mm, syvyys 145 mm |
Korkeusyksiköt | 5 HE |
Asennus | Seinä tai 19" teline |
Ympäristön lämpötila: | +5...+40 °C. Parhaan akun eliniän saavuttamiseksi: +15...+25 °C. |
Ympäristö | Ympäristöluokka 1, sisätilat. 20–90 % Suhteellinen kosteus |
Materiaali | Jauhemaalattu pelti |
Väri | Musta |
Kaapeliläpiviennit, lukumäärä | 4 |
Koteloon sopivat akut | 4 kpl 14 Ah. |
Puhallin | Kyllä |
[sv] Kapsling - Tekniska Data
[sv] Info | [sv] Förklaring |
|---|---|
[sv] Namn | [sv] FLX M |
[sv] Kapslingsklass | [sv] IP 32 |
[sv] Mått | [sv] Höjd: 224 mm, bredd 438 mm, djup 212 mm |
[sv] Höjdenheter | [sv] 5 HE |
[sv] Montering | [sv] Vägg eller 19" rack. |
[sv] Omgivningstemperatur | +5...+40 °C. Parhaan akun eliniän saavuttamiseksi: +15...+25 °C. |
[sv] Omgivning | Ympäristöluokka 1, sisätilat. 20–90 % Suhteellinen kosteus |
[sv] Material | [sv] Pulverlackerad plåt. |
[sv] Färg | [sv] Svart |
[sv] Kabelgenomföringar, antal | [sv] 4 Knockout för truckhandske |
[sv] Batterier som får plats | [sv] [sv] [sv] 2 stycken 12 V, 45 Ah. |
Tekniset tiedot: Peukalukytkin, Suojakytkin.
Artikkelin nimi | Peukalointikytkin |
Tyyppi | Mikrokytkin |
Jännite | 12 V / 24 V |
Akkujen kierrätys
Kaikki akut on kierrätettävä. Palauta valmistajalle tai vie kierrätysasemalle.

Akut
Akut eivät sisälly
Akut myydään erikseen.
Akkuyhdistelmät Akkulaatikko 24V FLX S ja vara-akku (14 Ah akut)
Akun kapasiteetti (Ah) | Akkutyyppi | Paristojen lukumäärä | Akut yksikössä |
|---|---|---|---|
14 Ah | 14 Ah | 2 kpl. | 2 varaparistossa |
42 Ah | 14 Ah | 6 kpl. | 2 varaparistossa 4 akkukotelossa 1 |
70 Ah | 14 Ah | 10 palaa. | 2 varaparistossa 4 akkukotelossa 1 4 akkukotelossa 2 |
Akkuyhdistelmät Akkulaatikko 24V FLX M ja vara-akku (20 Ah akut)
Akun kapasiteetti (Ah) | Akkutyyppi | Paristojen lukumäärä | Akut yksikössä |
|---|---|---|---|
20 Ah | 20 Ah | 2 kpl | 2 varaparistossa |
45 Ah | 45 Ah | 2 kpl | 0 akun varassa 2 akkukotelossa 1 |
65 Ah | 20Ah+ 45 Ah | 4 kpl | 2 varaparistossa 2 akkukotelossa 1 |
90 Ah | 45 Ah | 4 kpl | 0 kohdassa Battery Backup 2 akkukotelossa 1 2 akkukotelossa 2 |
110 Ah | 20Ah+ 45 Ah | 6 kpl | 2 kohdassa Battery Backup 2 akkukotelossa 1 2 akkukotelossa 2 |
135 Ah | 45 Ah | 6 kpl | 0 kohdassa Battery Backup 2 akkukotelossa 1 2 akkukotelossa 2 2 akkukotelossa 3 |
155 Ah | 20Ah+ 45 Ah | 8 kpl | 2 kohdassa Battery Backup 2 akkukotelossa 1 2 akkukotelossa 2 2 akkukotelossa 3 |
180 Ah | 45 Ah | 8 kpl | 0 kohdassa Battery Backup 2 akkukotelossa 1 2 akkukotelossa 2 2 akkukotelossa 3 2 akkukotelossa 4 |
200 Ah | 20Ah+ 45 Ah | 10 palaa | 2 varaparistossa 2 akkukotelossa 1 2 akkukotelossa 2 2 akkukotelossa 3 2 akkukotelossa 4 |
Akkuyhdistelmät Akkukotelo 24V FLX M ja vara-akku (45 Ah akut)
Akun kapasiteetti (Ah) | Akkutyyppi | Paristojen lukumäärä | Akut yksikössä |
|---|---|---|---|
45 Ah | 45 Ah | 2 kpl. | 2 varaparistossa |
90 Ah | 45 Ah | 4 kpl. | 2 kohdassa Battery Backup 2 akkukotelossa 1 |
135 Ah | 45 Ah | 6 kpl. | 2 kohdassa Battery Backup 2 akkukotelossa 1 2 akkukotelossa 2 |
180 Ah | 45 Ah | 8 kpl. | 2 varaparistossa 2 akkukotelossa 1 2 akkukotelossa 2 2 akkukotelossa 3 |
225 Ah | 45 Ah | 10 palaa. | 2 varaparistossa 2 akkukotelossa 1 2 akkukotelossa 2 2 akkukotelossa 3 2 akkukotelossa 4 |
Sertifioitu akkutyypillä
Yksikkö on sertifioitu UPLUS-akulla, jota on käytettävä sertifikaatin ylläpitämiseen.
7,2 Ah, 12 V AGM-akku
Sopii sisään | Paristojen lukumäärä |
|---|---|
Batterybox 24V FLX S | 4 |
Akkutyyppi | V | Ah |
|---|---|---|
Huoltovapaa AGM, lyijyhappoakku. | 12 V | 7,2 Ah |
Tuotenumero | E-numero | Tuotteen nimi | Liitinrima | Mitat. Korkeus, leveys, syvyys | Paino | Tuote |
|---|---|---|---|---|---|---|
MT113-12V07-01 | 5230536 | UPLUS 12V 7,2Ah 10+ Design life -akku | Lattaliitin 6,3 mm | 151 x 65 x 100 mm. | 2,4 kg | UPLUS |
14 Ah, 12 V AGM-akku
Sopii sisään | Paristojen lukumäärä |
|---|---|
Batterybox 24V FLX S | 4 |
Akkutyyppi | V | Ah |
|---|---|---|
Huoltovapaa AGM, lyijyhappoakku. | 12 V | 14 Ah |
Tuotenumero | E-numero | Tuotteen nimi | Liitinrima | Mitat. Korkeus, leveys, syvyys | Paino | Tuote |
|---|---|---|---|---|---|---|
MT113-12V14-01 | 5230537 | UPLUS 12V 14Ah 10+ Design life -akku | Lattaliitin 6,3 mm | 151x98x101 mm | 4,2 kg | UPLUS |
45 Ah, 12 V AGM akku
Sopii sisään | Paristojen lukumäärä |
|---|---|
Akkukotelo 24V FLX M | 2 |
Akkutyyppi | V | Ah |
|---|---|---|
Huoltovapaa AGM, lyijyakku. | 12 V | 45 Ah |
Tuotenumero | Sähköpostinumero | Tuotteen nimi | Terminaali | Mitata. Korkeus leveys syvyys | Paino per kappale | Tehdä |
|---|---|---|---|---|---|---|
MT113-12V45-01 | 5230546 | UPLUS 12V 45Ah 10+ Suunniteltu kestävä akku | M6 pultti | 197x165x170 mm | 14,5 kg | UPLUS |
Varakäyttöajat – yleiskatsaus
Taulukossa esitetään odotettavissa oleva varakäyttöaika varmennusakun eri kuormituksilla.
Tärkeää
Tämä on suuntaa-antava, ja kaikki ajat ovat likimääräisiä ja voivat poiketa todellisista ajoista. Kuormitus, lämpötila ja muut tekijät vaikuttavat asiaan, joten tarkkaa aikaa ei voida antaa.
Koskee uusia akkuja.
Ampeerit ja akut vaihtelevat kokoonpanon mukaan, tarkista, kestääkö kokoonpano akkuja ja ampeeria.
Keskivirta | 28 Ah | 42 Ah | 65 Ah | 70 Ah |
|---|---|---|---|---|
- | 4 akkua (14 Ah) | 6 akkua (14 Ah) | 4 akkua (20Ah + 45 Ah) | 10 akkua (7 Ah) |
Kuormitus | Varakäyttöaika (noin), minuuttia | |||
0,5 A | 1650 | 2090 | 5574 | 3440 |
1 A | 970 | 865 | 3252 | 2118 |
2 A | 560 | 815 | 1770 | 1329 |
4 A | 335 | 490 | 930 | 864 |
6 A | 245 | 360 | 600 | 605 |
8 A | 210 | 310 | 426 | 544 |
10 A | 160 | 240 | 342 | 414 |
12 A | 140 | 210 | 270 | 363 |
14 A | 120 | 180 | 234 | 311 |
16 A | 100 | 150 | 204 | 286 |
18 A | 90 | 130 | 150 | 254 |
20 A | 84 | 126 | 138 | 241 |
Keskivirta | 90 Ah | 110 Ah | 135 Ah | 155 Ah |
|---|---|---|---|---|
- | 4 paristoa (45Ah) | 6 paristoa (20 Ah + 45 Ah) | 6 akkua (45Ah) | 8 paristoa (20 Ah + 45 Ah) |
Ladataan | Varaa käyttöaika (n.), minuuttia | |||
0,5 A | 4705 | 5796 | 7056 | 8215 |
1 A | 2928 | 3582 | 4392 | 5070 |
2 A | 1836 | 2247 | 2754 | 3230 |
4 A | 1183 | 1438 | 1762 | 2018 |
6 A | 788 | 959 | 1175 | 1345 |
8 A | 748 | 861 | 1048 | 1150 |
10 A | 570 | 689 | 839 | 920 |
12 A | 499 | 603 | 699 | 765 |
14 A | 427 | 516 | 629 | 655 |
16 A | 404 | 499 | 592 | 590 |
18 A | 359 | 444 | 526 | 520 |
20 A | 340 | 420 | 498 | 495 |
Keskivirta | 180 Ah | 200 Ah | 225 Ah |
|---|---|---|---|
- | 8 paristoa (45Ah) | 10 akkua (20 Ah + 45 Ah) | 10 akkua (45Ah) |
Ladataan | Varaa käyttöaika (n.), minuuttia | ||
0,5 A | 9408 | 12972 | 11760 |
1 A | 5856 | 7872 | 7320 |
2 A | 3672 | 4548 | 4590 |
4 A | 2365 | 2670 | 2945 |
6 A | 1577 | 1780 | 1960 |
8 A | 1500 | 1558 | 1800 |
10 A | 1140 | 1246 | 1410 |
12 A | 950 | 1038 | 1200 |
14 A | 855 | 890 | 1055 |
16 A | 810 | 902 | 995 |
18 A | 715 | 802 | 885 |
20 A | 680 | 722 | 840 |
Kirjoitusvirheiden varaa.




